| 查看: 2932 | 回复: 8 | |||
[求助]
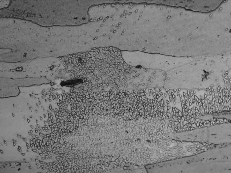
7xxx系铝合金Keller腐蚀剂腐蚀看金相表面很多三角形蚀坑已有4人参与
|
|
急求助:做的是7085铝合金的固溶处理,把热轧变形72.2%的合金在460℃下固溶了30min,用Keller腐蚀剂腐蚀,然后看金相,发现了很多三角形的腐蚀坑,不知道是什么东西,文献中也看到类似的东西,鄙人小硕一枚,学识尚浅,请哪位大神帮我解释一下,这种情况是怎么回事。万分感谢 72.2%GR-30min-200-10.jpg 72.2%GR-30min-500-2.jpg |
» 猜你喜欢
康复大学泰山学者周祺惠团队招收博士研究生
已经有6人回复
AI论文写作工具:是科研加速器还是学术作弊器?
已经有3人回复
孩子确诊有中度注意力缺陷
已经有6人回复
2026博士申请-功能高分子,水凝胶方向
已经有6人回复
论文投稿,期刊推荐
已经有4人回复
硕士和导师闹得不愉快
已经有13人回复
请问2026国家基金面上项目会启动申2停1吗
已经有5人回复
同一篇文章,用不同账号投稿对编辑决定是否送审有没有影响?
已经有3人回复
ACS Applied Polymer Materials投稿
已经有10人回复
RSC ADV状态问题
已经有4人回复
» 本主题相关价值贴推荐,对您同样有帮助:
7系铝合金 时效的金相照片
已经有12人回复
【请教】7050铝合金和2124铝合金金相如何腐蚀
已经有19人回复
wucy3657623
木虫 (正式写手)
芒果毛毛虫
- 应助: 131 (高中生)
- 金币: 4168.9
- 红花: 37
- 帖子: 818
- 在线: 379.8小时
- 虫号: 574042
- 注册: 2008-06-15
- 性别: GG
- 专业: 金属材料的微观结构

2楼2014-04-21 22:03:39
comma
专家顾问 (知名作家)
材料人
-

专家经验: +552 - MM-EPI: 36
- 应助: 501 (博士)
- 贵宾: 0.868
- 金币: 53128
- 红花: 247
- 帖子: 7546
- 在线: 1648.8小时
- 虫号: 190601
- 注册: 2006-02-20
- 专业: 金属材料的微观结构
- 管辖: 金属

3楼2014-04-21 23:04:58
7216胡
铜虫 (正式写手)
- 应助: 11 (小学生)
- 金币: 6146.8
- 红花: 1
- 帖子: 346
- 在线: 234.9小时
- 虫号: 1256915
- 注册: 2011-04-06
- 性别: GG
- 专业: 金属结构材料

4楼2014-04-22 00:25:31
5楼2014-04-23 12:48:34
6楼2014-04-23 12:51:27
lehigh_73
金虫 (著名写手)
- 应助: 173 (高中生)
- 金币: 1234.8
- 红花: 11
- 帖子: 1108
- 在线: 312.2小时
- 虫号: 233382
- 注册: 2006-03-29
- 性别: GG
- 专业: 金属结构材料
7楼2014-04-24 13:05:17
fqhou
木虫 (正式写手)
- 应助: 28 (小学生)
- 金币: 6887.6
- 帖子: 471
- 在线: 62.1小时
- 虫号: 2908398
- 注册: 2014-01-02
- 性别: GG
- 专业: 金属结构材料
8楼2014-04-25 23:56:19
ihdx0205
木虫 (正式写手)
- 应助: 20 (小学生)
- 金币: 1722.5
- 散金: 39
- 红花: 3
- 帖子: 828
- 在线: 418.3小时
- 虫号: 1105379
- 注册: 2010-09-22
- 专业: 金属材料
9楼2014-04-26 09:41:32













回复此楼