| 查看: 512 | 回复: 2 | |
[求助]
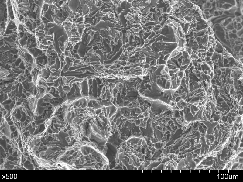
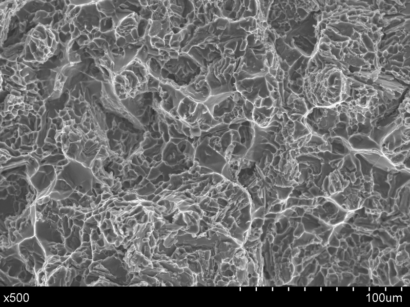
求大好心人帮忙 铝合金拉伸断口分析 谢谢 已有1人参与
|
|
|
|
|
liuyt1602铁杆木虫 (正式写手)
|
|
|
2楼2014-04-15 16:11:59
|
|
|
3楼2014-04-15 19:04:49
|
|













回复此楼