| 查看: 4077 | 回复: 11 | ||
blueesky铁杆木虫 (著名写手)
|
[求助]
奥氏体304不锈钢拉伸断口分析求助
|
|
|
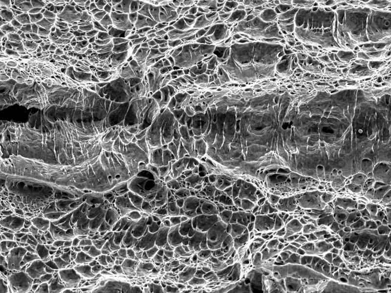
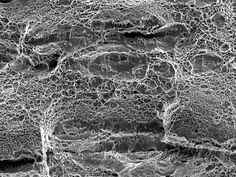
这是奥氏体304不锈钢在外在载荷冲击下不同应变速率的拉伸试样断口形貌,请各位帮忙分析是什么形式的断口,以及断裂机制,谢谢。 图片一 图片二 图片三 图片四 [ Last edited by blueesky on 2012-6-11 at 06:14 ] |
» 猜你喜欢
080200学硕,机械工程专业277分,求带走!
已经有7人回复
377求调剂
已经有3人回复
295求调剂
已经有8人回复
086000生物与医药298调剂求助
已经有10人回复
0860 求调剂 一志愿国科大 348 分
已经有3人回复
材料调剂
已经有4人回复
本科211生物医学工程085409求调剂339分
已经有9人回复
296求调剂
已经有5人回复
385分 生物学(071000)求调剂
已经有11人回复
308求调剂
已经有3人回复
» 本主题相关价值贴推荐,对您同样有帮助:
求助高手:这两个拉伸断口SEM表征什么断裂模式?
已经有14人回复
求助拉伸断口的EDS
已经有13人回复
【求助】高温拉伸钢铁试样氧化后断口如何观察
已经有6人回复
【求助】铁素体不锈钢和奥氏体不锈钢
已经有13人回复
【求助】304不锈钢从高温空冷生成少量马氏体,如何解释??
已经有9人回复
【求助】低碳高合金钢拉伸断口形貌分析
已经有10人回复
【求助】断口分析
已经有10人回复
【求助】断口形貌分析
已经有20人回复

3楼2012-06-11 11:01:28
zgw318
金虫 (著名写手)
- MM-EPI: 2
- 应助: 61 (初中生)
- 贵宾: 0.305
- 金币: 3106.4
- 散金: 167
- 红花: 12
- 帖子: 1613
- 在线: 115.2小时
- 虫号: 934926
- 注册: 2009-12-29
- 性别: GG
- 专业: 金属材料的制备科学与跨学
- 管辖: 金属
2楼2012-06-11 10:18:18
4楼2012-06-11 16:02:58
zhouzi0888
金虫 (小有名气)
- 应助: 12 (小学生)
- 金币: 407.8
- 散金: 5
- 帖子: 276
- 在线: 82.5小时
- 虫号: 483422
- 注册: 2007-12-26
- 性别: GG
- 专业: 功能陶瓷

5楼2012-06-11 22:59:55
6楼2012-06-12 09:36:05
7楼2012-06-12 12:03:36
和田6272
银虫 (小有名气)
- 应助: 7 (幼儿园)
- 金币: 304.4
- 帖子: 55
- 在线: 135.7小时
- 虫号: 691310
- 注册: 2009-01-11
- 性别: GG
- 专业: 金属材料的力学行为

8楼2012-06-12 12:36:33
zhlin819
银虫 (正式写手)
- 应助: 3 (幼儿园)
- 金币: 1590.4
- 帖子: 326
- 在线: 60.9小时
- 虫号: 1466027
- 注册: 2011-10-29
- 性别: GG
- 专业: 金属功能材料
9楼2012-06-13 05:38:45
mlanqiang
木虫之王 (文学泰斗)
蓝博士
- 应助: 3409 (副教授)
- 金币: 55278.8
- 散金: 5498
- 红花: 62
- 帖子: 73916
- 在线: 730.8小时
- 虫号: 302202
- 注册: 2006-12-02
- 性别: GG
- 专业: 胶体与界面化学

10楼2012-06-13 06:38:25














回复此楼
有轧制层痕迹。