| 查看: 3498 | 回复: 0 | |
[求助]
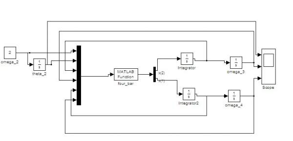
求助!!一个简单的四连杆机构simulink仿真~
|
|
|
|
|
|
找到一些相关的精华帖子,希望有用哦~
科研从小木虫开始,人人为我,我为人人
|















回复此楼
点击这里搜索更多相关资源