²é¿´: 3395  |  »Ø¸´: 5

ĸ¼¦ºúÀ±ÌÀ

Í­³æ (³õÈëÎÄ̳)

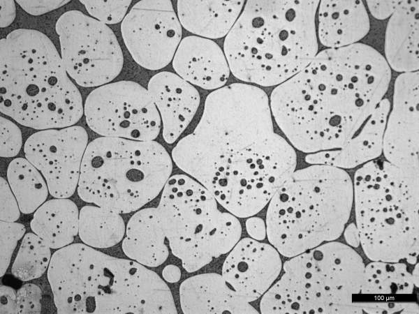
[ÇóÖú] Õâ¸ö¹ÌÈÜ´¦ÀíºóµÄþºÏ½ð×éÖ¯ÊǹýÉÕºó¾§Á£³¤´óÁËÂð£¿

ÊDz»ÊǹÌÈÜζȹý¸ß»ò¹ý³¤µ¼Öµľ­Àí³¤´ó£¿¹ÌÈÜ´¦ÀíǰΪÃ÷ÏÔµÄÊ÷Ö¦¾§¡£
¹ÌÈÜ´¦ÀíºóÈçͼ£¨100X µÄ£©
Õâ¸ö¹ÌÈÜ´¦ÀíºóµÄþºÏ½ð×éÖ¯ÊǹýÉÕºó¾§Á£³¤´óÁËÂð£¿
G-Z1C9-100.jpg
»Ø¸´´ËÂ¥

» ²ÂÄãϲ»¶

» ±¾Ö÷ÌâÏà¹Ø¼ÛÖµÌùÍÆ¼ö£¬¶ÔÄúͬÑùÓаïÖú:

ÒÑÔÄ   »Ø¸´´ËÂ¥   ¹Ø×¢TA ¸øTA·¢ÏûÏ¢ ËÍTAºì»¨ TAµÄ»ØÌû

lehigh_73

½ð³æ (ÖøÃûдÊÖ)

¡¾´ð°¸¡¿Ó¦Öú»ØÌû

¡ï ¡ï
¸Ðл²ÎÓ룬ӦÖúÖ¸Êý +1
ĸ¼¦ºúÀ±ÌÀ: ½ð±Ò+2 2013-10-30 20:53:45
Ó¦¸ÃÊÇÑÏÖØ¹ýÉÕ°É
2Â¥2013-10-29 15:15:12
ÒÑÔÄ   »Ø¸´´ËÂ¥   ¹Ø×¢TA ¸øTA·¢ÏûÏ¢ ËÍTAºì»¨ TAµÄ»ØÌû

ÓîÖæ333

ľ³æ (ÕýʽдÊÖ)

ÎÞÃûС±²

¡¾´ð°¸¡¿Ó¦Öú»ØÌû

¡ï ¡ï
¸Ðл²ÎÓ룬ӦÖúÖ¸Êý +1
ĸ¼¦ºúÀ±ÌÀ: ½ð±Ò+2 2013-10-30 20:53:56
Ã÷ÏÔ¹ýÉÕ£¬¾§½çÒѾ­ÈÛ»¯Á˰É
ºÚÒ¹Ò»¹ý£¬Ìì¾ÍÁÁÁË
3Â¥2013-10-29 20:24:45
ÒÑÔÄ   »Ø¸´´ËÂ¥   ¹Ø×¢TA ¸øTA·¢ÏûÏ¢ ËÍTAºì»¨ TAµÄ»ØÌû

xiaoyourenqi

гæ (СÓÐÃûÆø)


ºÃƯÁÁµÄͼƬ£¬Â¥Ö÷Äܲ»ÄܾßÌ司½éÉܽéÉÜ
4Â¥2013-10-30 10:44:45
ÒÑÔÄ   »Ø¸´´ËÂ¥   ¹Ø×¢TA ¸øTA·¢ÏûÏ¢ ËÍTAºì»¨ TAµÄ»ØÌû

ĸ¼¦ºúÀ±ÌÀ

Í­³æ (³õÈëÎÄ̳)

ÒýÓûØÌû:
4Â¥: Originally posted by xiaoyourenqi at 2013-10-30 10:44:45
ºÃƯÁÁµÄͼƬ£¬Â¥Ö÷Äܲ»ÄܾßÌ司½éÉܽéÉÜ

Õâ¹ÌÈÜ´¦Àí¾§½çÒѾ­ÖØÈÛ£¬¾§Á£´Ö´ó£¬ÒѾ­Ã»Ê²Ã´ÓÃÁË¡£¡£¡£
5Â¥2013-10-30 20:52:29
ÒÑÔÄ   »Ø¸´´ËÂ¥   ¹Ø×¢TA ¸øTA·¢ÏûÏ¢ ËÍTAºì»¨ TAµÄ»ØÌû

fyc7806067

гæ (СÓÐÃûÆø)

Õâ²»Êǰë¹Ì̬Âð
6Â¥2013-10-31 08:18:12
ÒÑÔÄ   »Ø¸´´ËÂ¥   ¹Ø×¢TA ¸øTA·¢ÏûÏ¢ ËÍTAºì»¨ TAµÄ»ØÌû
Ïà¹Ø°æ¿éÌø×ª ÎÒÒª¶©ÔÄÂ¥Ö÷ ĸ¼¦ºúÀ±ÌÀ µÄÖ÷Ìâ¸üÐÂ
×î¾ßÈËÆøÈÈÌûÍÆ¼ö [²é¿´È«²¿] ×÷Õß »Ø/¿´ ×îºó·¢±í
[¿¼ÑÐ] 085410È˹¤ÖÇÄÜר˶317Çóµ÷¼Á£¨0854¶¼¿ÉÒÔ£© +3 xbxudjdn 2026-03-18 3/150 2026-03-18 22:14 by zhq0425
[¿¼ÑÐ] 267Ò»Ö¾Ô¸ÄϾ©¹¤Òµ´óѧ0817»¯¹¤Çóµ÷¼Á +8 SUICHILD 2026-03-12 8/400 2026-03-18 20:55 by winsuccess
[¿¼ÑÐ] Ò»Ö¾Ô¸Ìì½ò´óѧ»¯Ñ§¹¤ÒÕרҵ£¨081702£©315·ÖÇóµ÷¼Á +10 yangfz 2026-03-17 10/500 2026-03-18 20:14 by walc
[¿¼ÑÐ] 26µ÷¼Á/²ÄÁÏ/Ó¢Ò»Êý¶þ/×Ü·Ö289/ÒѹýAÇøÏß +7 ²½´¨¿á×Ï123 2026-03-13 7/350 2026-03-18 17:12 by ¾¡Ë´Ò¢1
[¿¼ÑÐ] 295Çóµ÷¼Á +3 Ò»Ö¾Ô¸¾©Çø211 2026-03-18 5/250 2026-03-18 17:03 by zhaoqian0518
[¿¼ÑÐ] 288Çóµ÷¼Á£¬Ò»Ö¾Ô¸»ªÄÏÀí¹¤´óѧ071005 +4 ioodiiij 2026-03-17 4/200 2026-03-18 12:36 by Linda Hu
[¿¼ÑÐ] 0854£¬¼ÆËã»úÀàÕÐÊÕµ÷¼Á +3 ºúÀ±ÌÀ·ÅÌÇ 2026-03-15 6/300 2026-03-18 12:09 by Éϰ¶Éϰ¶¡­¡­..
[¿¼ÑÐ] ÉúÎïѧ071000 329·ÖÇóµ÷¼Á +3 ÎÒ°®ÉúÎïÉúÎﰮΠ2026-03-17 3/150 2026-03-18 10:12 by macy2011
[¿¼ÑÐ] 265Çóµ÷¼Á +3 ÁºÁºÐ£Ð£ 2026-03-17 3/150 2026-03-18 09:12 by zhukairuo
[¿¼ÑÐ] 268Çóµ÷¼Á +6 ¼òµ¥µã0 2026-03-17 6/300 2026-03-18 09:04 by Î޼ʵIJÝÔ­
[¿¼ÑÐ] 308Çóµ÷¼Á +4 ÊÇLupa°¡ 2026-03-16 4/200 2026-03-17 17:12 by ruiyingmiao
[¿¼ÑÐ] 275Çóµ÷¼Á +4 Ì«Ñô»¨ÌìÌ쿪ÐÄ 2026-03-16 4/200 2026-03-17 10:53 by ¹¦·ò·è¿ñ
[¿¼ÑÐ] 11408 Ò»Ö¾Ô¸Î÷µç£¬277·ÖÇóµ÷¼Á +3 zhouzhen654 2026-03-16 3/150 2026-03-17 07:03 by laoshidan
[¿¼ÑÐ] 304Çóµ÷¼Á +4 ahbd 2026-03-14 4/200 2026-03-16 16:48 by ÎҵĴ¬Îҵĺ£
[¿¼ÑÐ] 0856Çóµ÷¼Á +3 ÁõÃÎ΢ 2026-03-15 3/150 2026-03-16 10:00 by houyaoxu
[¿¼ÑÐ] ¸´ÊÔµ÷¼Á +3 ºôºô£¿~+123456 2026-03-14 3/150 2026-03-14 16:53 by WTUChen
[¿¼ÑÐ] 0856²ÄÁÏÓ뻯¹¤301Çóµ÷¼Á +5 ÞÈÊø¹â 2026-03-13 5/250 2026-03-13 22:00 by ÐÇ¿ÕÐÇÔÂ
[˶²©¼ÒÔ°] 085600 260·ÖÇóµ÷¼Á +3 Ìì¿Õ»¹ÏÂÓêô 2026-03-13 5/250 2026-03-13 18:46 by Ìì¿Õ»¹ÏÂÓêô
[¿¼ÑÐ] Çóµ÷¼Á +5 Ò»¶¨ÓÐѧÉÏ- 2026-03-12 5/250 2026-03-13 18:31 by ms629
[¿¼ÑÐ] Çóµ÷¼Á +3 ³ÌÓ꺼 2026-03-12 3/150 2026-03-13 15:06 by JourneyLucky
ÐÅÏ¢Ìáʾ
ÇëÌî´¦ÀíÒâ¼û