| 查看: 2563 | 回复: 17 | ||
lhy1988428木虫 (正式写手)
|
[求助]
再结晶后原始奥氏体晶粒,到底有没有发生再结晶
|
|
|
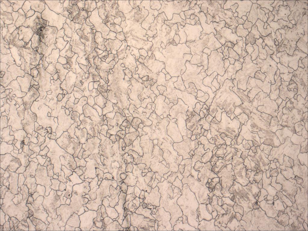
各位大侠:变形温度1100℃,变形量60%,变形后腐蚀原始奥氏体晶粒,这个有没有发生再结晶。希望能给我进行指导!!! 注:此钢不含Nb,与另一个含Nb钢对比(其他成分基本相同),含Nb钢在相同条件下完成再结晶,均为等轴状晶粒。 V-001-200-2.JPG |
» 猜你喜欢
到新单位后,换了新的研究方向,没有团队,持续积累2区以上论文,能申请到面上吗
已经有7人回复
申请2026年博士
已经有5人回复
天津工业大学郑柳春团队欢迎化学化工、高分子化学或有机合成方向的博士生和硕士生加入
已经有5人回复
寻求一种能扛住强氧化性腐蚀性的容器密封件
已经有6人回复
2025冷门绝学什么时候出结果
已经有7人回复
请问有评职称,把科研教学业绩算分排序的高校吗
已经有6人回复
Bioresource Technology期刊,第一次返修的时候被退回好几次了
已经有7人回复
请问哪里可以有青B申请的本子可以借鉴一下。
已经有4人回复
请问下大家为什么这个铃木偶联几乎不反应呢
已经有5人回复
康复大学泰山学者周祺惠团队招收博士研究生
已经有6人回复
» 本主题相关价值贴推荐,对您同样有帮助:
静态再结晶后淬火对马氏体的影响
已经有9人回复
【交流】挤压制品再结晶晶粒长大原因探究【高手请入】
已经有8人回复
再结晶是固态材料晶粒细化的唯一机理——请问这句话对不?
已经有33人回复
变形金属合金在发生再结晶以后的择优生长后是否依然保留择优取向下的组织织构
已经有9人回复
黄铜再结晶退火后为什么感觉还是很硬
已经有9人回复
请问亚动态再结晶发生的部分
已经有9人回复
材料加工及热处理的都应该看的一本经典书籍《金属再结晶与晶粒长大》(高清版)
已经有164人回复
溶解再结晶的相变问题
已经有3人回复
晶体旋转(lattice rotation)连续动态再结晶与几何动态再结晶怎么区分呢?
已经有8人回复
金属的再结晶与晶粒长大
已经有224人回复
关于动态再结晶体积分数和再结晶晶粒尺寸
已经有16人回复
【求助】关于晶粒回复再结晶的问题
已经有22人回复
【交流】静态再结晶晶粒和亚动态再结晶晶粒,区别?
已经有9人回复
【讨论】固溶处理后枝晶消除,形成细小等轴晶粒,如何解释?请教高手!
已经有45人回复
【讨论】铸造组织与再结晶后的组织区别
已经有20人回复
【求助】AZ31镁合金再结晶完成时平均晶粒尺寸和变形量的关系曲线
已经有3人回复
【求助】求教:陶瓷材料有没有再结晶现象?
已经有5人回复
【求助】连续动态再结晶和不连续动态再结晶
已经有10人回复
【交流】TEM中亚晶和再结晶晶粒的区别
已经有4人回复
【讨论】这么高的温度为什么不发生再结晶?
已经有19人回复
【求助】image j 计算晶粒尺寸及再结晶体积分数
已经有11人回复
【求助】18-8型奥氏体不锈钢冷轧后再结晶退火温度
已经有9人回复

zhangjq058
铜虫 (小有名气)
- 应助: 3 (幼儿园)
- 金币: 166.8
- 散金: 157
- 帖子: 175
- 在线: 293.5小时
- 虫号: 971442
- 注册: 2010-03-15
- 性别: GG
- 专业: 金属材料的合金相、相变及
【答案】应助回帖
★ ★
感谢参与,应助指数 +1
lhy1988428: 金币+2, ★★★很有帮助 2012-12-24 11:33:28
感谢参与,应助指数 +1
lhy1988428: 金币+2, ★★★很有帮助 2012-12-24 11:33:28
|
你首先要解释清楚:你是在研究动态再结晶还是静态再结晶?另外告知图片的标尺。 如果是静态,一般大应变变形后很容易发生静态再结晶。 如果是动态,最好补充一下变形速率等方面的信息(比如应变速率),因为动态再结晶行为受变形温度,应变速率和应变量等多个变形条件影响。这样有助于判断。 判断是否为动态再结晶,你先通过快速淬火,获得变形前的晶粒尺寸,然后对变形后的进行对比。一般如果能保证淬火速度足够大,金相组织中的细小晶粒可大致判断为动态再结晶晶粒,但是要注意亚动态再结晶的影响。 |
9楼2012-12-18 11:10:25
314977903
版主 (职业作家)
小风子
- 应助: 161 (高中生)
- 贵宾: 0.152
- 金币: 14189.3
- 散金: 5787
- 红花: 39
- 沙发: 32
- 帖子: 4586
- 在线: 902.7小时
- 虫号: 1204391
- 注册: 2011-02-16
- 性别: GG
- 专业: 金属功能材料
- 管辖: 材料工程
2楼2012-12-17 17:01:29
lhy1988428
木虫 (正式写手)
- 应助: 9 (幼儿园)
- 金币: 2773.4
- 散金: 14
- 红花: 2
- 帖子: 534
- 在线: 190.3小时
- 虫号: 1066493
- 注册: 2010-07-29
- 性别: GG
- 专业: 金属材料的合金相、相变及

3楼2012-12-17 21:12:21
freeman2007
铜虫 (初入文坛)
- 应助: 1 (幼儿园)
- 金币: 409.7
- 帖子: 20
- 在线: 22.8小时
- 虫号: 363308
- 注册: 2007-05-06
- 性别: GG
- 专业: 金属结构材料
4楼2012-12-17 21:18:05
5楼2012-12-17 22:48:23
6楼2012-12-17 22:49:35
jgf0573
银虫 (小有名气)
- 应助: 14 (小学生)
- 金币: 712
- 散金: 100
- 帖子: 108
- 在线: 33.8小时
- 虫号: 2090666
- 注册: 2012-10-27
- 性别: GG
- 专业: 金属结构材料
7楼2012-12-17 23:35:26
tiglon001
铁杆木虫 (著名写手)
- 应助: 3 (幼儿园)
- 金币: 8376.8
- 红花: 2
- 帖子: 1827
- 在线: 180.2小时
- 虫号: 442095
- 注册: 2007-10-27
- 专业: 金属结构材料
8楼2012-12-18 08:10:54

10楼2012-12-19 09:25:44













回复此楼
