24小时热门版块排行榜    

查看: 4444  |  回复: 22

killkingkiss

金虫 (小有名气)


[交流] 【求助】关于晶粒回复再结晶的问题

对某种高合金钢实验的问题。
一般的回复再结晶都是要经过变形和一定的温度才能发生,但是我做实验的这种钢直接是铸态的,然后进行热处理,也发生了再结晶,并且再结晶温度以上温度越高其晶粒越细,请教一下高人们这是为什么呢?有没有这方面的资料呢?
回复此楼

» 收录本帖的淘帖专辑推荐

学习

» 猜你喜欢

» 本主题相关价值贴推荐,对您同样有帮助:

» 抢金币啦!回帖就可以得到:

查看全部散金贴

已阅   回复此楼   关注TA 给TA发消息 送TA红花 TA的回帖
★ ★
小木虫(金币+0.5):给个红包,谢谢回帖交流
killkingkiss(金币+1): 再结晶除了和温度有关系,和有没有经过变形,也就是有没有储存能量有关系吗?我看很多书上写的是要经过变形才会发生再结晶 2011-04-13 15:49:52
jic8417(金币+1): 谢谢专家。 2011-04-13 19:07:15
请提供组织照片...
说明一下,再结晶温度没有确定值,笼统来讲是随储能高而降低。有的材料室温也能再结晶。
2楼2011-04-13 09:59:58
已阅   回复此楼   关注TA 给TA发消息 送TA红花 TA的回帖

jinggehao

新虫 (小有名气)



jic8417(金币+1): 谢谢参与。 2011-04-13 19:07:24
估计是合金成分扩大了奥氏体区
3楼2011-04-13 14:54:19
已阅   回复此楼   关注TA 给TA发消息 送TA红花 TA的回帖
引用回帖:
Originally posted by killkingkiss at 2011-04-13 09:51:41:
对某种高合金钢实验的问题。
一般的回复再结晶都是要经过变形和一定的温度才能发生,但是我做实验的这种钢直接是铸态的,然后进行热处理,也发生了再结晶,并且再结晶温度以上温度越高其晶粒越细,请教一下高人们 ...

形变是再结晶的热力学条件,也就是说是必须的。形变遗留的形变储存能提供了再结晶的能量,即形变后材料必然会恢复到未形变之前的状态;
温度是再结晶的动力学条件,也就是说是影响再结晶进程/速度的条件。
4楼2011-04-13 16:35:27
已阅   回复此楼   关注TA 给TA发消息 送TA红花 TA的回帖

dandaocastle

木虫 (著名写手)


铸造应力?温度变高,是不是第二相更多一些了,晶粒细化了?

[ Last edited by dandaocastle on 2011-4-13 at 16:45 ]
5楼2011-04-13 16:42:52
已阅   回复此楼   关注TA 给TA发消息 送TA红花 TA的回帖

killkingkiss

金虫 (小有名气)


引用回帖:
Originally posted by comma at 2011-04-13 16:35:27:
形变是再结晶的热力学条件,也就是说是必须的。形变遗留的形变储存能提供了再结晶的能量,即形变后材料必然会恢复到未形变之前的状态;
温度是再结晶的动力学条件,也就是说是影响再结晶进程/速度的条件。

所以我就很纳闷了,我做的这个高合金钢明明直接是铸态的,然后加到950度就发生了再结晶了,明明没有经过形变呀!
6楼2011-04-13 16:56:37
已阅   回复此楼   关注TA 给TA发消息 送TA红花 TA的回帖
放两张照片来看看嘛
7楼2011-04-13 16:58:07
已阅   回复此楼   关注TA 给TA发消息 送TA红花 TA的回帖

59839696

银虫 (小有名气)


发个图片看看是否真的是再结晶
8楼2011-04-13 18:16:17
已阅   回复此楼   关注TA 给TA发消息 送TA红花 TA的回帖

killkingkiss

金虫 (小有名气)


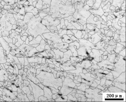
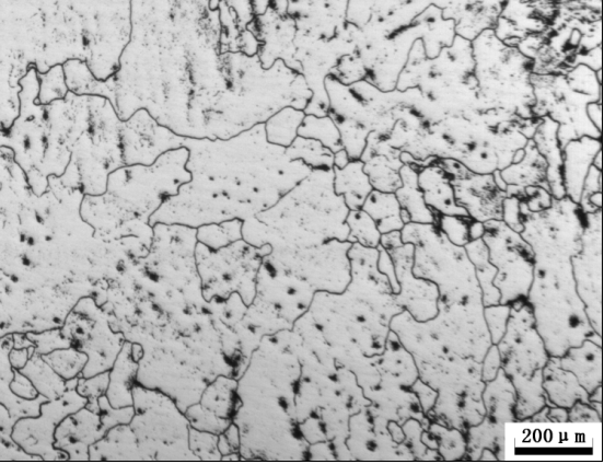
这两张的固溶温度一个是900度,一个是950度,出现了明显的不同。小木虫只让发512K以下的图片,纠结啊。。。



9楼2011-04-13 18:35:05
已阅   回复此楼   关注TA 给TA发消息 送TA红花 TA的回帖

lrxfly

铁杆木虫 (正式写手)


killkingkiss(金币+1): 2011-04-14 09:24:08
会是发生了重结晶么?就像完全退火发生重结晶细化晶粒一样
10楼2011-04-13 21:30:22
已阅   回复此楼   关注TA 给TA发消息 送TA红花 TA的回帖

jic8417(金币+1): 谢谢专家解答。 2011-04-13 23:58:28
killkingkiss(金币+1): 谢谢,看来是我的概念弄错了 2011-04-14 09:22:48
killkingkiss(金币+1): 2011-04-14 09:24:45
你的概念不对啊,加热到900度以上已经发生了相变,和冷变形后在再结晶温度以上发生的再结晶是完全不同的。
你都加热到钢的临界点以上了,经过热处理晶粒例如退火和正火,晶粒肯定要细化了。

[ Last edited by chensijie on 2011-4-14 at 14:25 ]
11楼2011-04-13 22:20:36
已阅   回复此楼   关注TA 给TA发消息 送TA红花 TA的回帖

cwzheng

木虫 (正式写手)



jic8417(金币+1): 谢谢参与。 2011-04-13 23:58:43
楼上正解。楼主得把相关的工艺制度拿出来才能分析这个问题----
12楼2011-04-13 22:59:21
已阅   回复此楼   关注TA 给TA发消息 送TA红花 TA的回帖

killkingkiss(金币+3): 恩,应该是相变的重结晶,我的概念理解有误,谢谢你! 2011-04-14 09:23:50
jic8417(金币+1): 谢谢专家解答 2011-04-16 02:25:21
引用回帖:
Originally posted by killkingkiss at 2011-04-13 18:35:05:
这两张的固溶温度一个是900度,一个是950度,出现了明显的不同。小木虫只让发512K以下的图片,纠结啊。。。



首先,从两张图来看,900℃的情况,晶界很不清晰,晶界也不连贯,所有可能有晶粒偏大的判断;似乎有成分不均匀的现象;
其次,900℃以上是否有相变?因为没有提供成分,但是若是一般合金钢在900℃奥氏体相变,然后经过冷却发生相变也会细化组织。
而且从高温的组织图来看,的确存在小晶粒围住大晶粒一圈的现象,以及三叉晶界处的小晶粒,说明相变的迹象。
13楼2011-04-14 00:45:24
已阅   回复此楼   关注TA 给TA发消息 送TA红花 TA的回帖

seaskyy

铁杆木虫 (知名作家)


高温和低温退火再结晶是不同的啊
14楼2011-04-14 19:24:44
已阅   回复此楼   关注TA 给TA发消息 送TA红花 TA的回帖

ada669

木虫 (正式写手)


引用回帖:
Originally posted by killkingkiss at 2011-04-13 18:35:05:
这两张的固溶温度一个是900度,一个是950度,出现了明显的不同。小木虫只让发512K以下的图片,纠结啊。。。



您金相做得真不怎么地。。。。
15楼2011-04-15 10:39:25
已阅   回复此楼   关注TA 给TA发消息 送TA红花 TA的回帖

killkingkiss

金虫 (小有名气)


引用回帖:
Originally posted by ada669 at 2011-04-15 10:39:25:
您金相做得真不怎么地。。。。

哈哈,这两个是低温固溶的比较难出晶界,另外铸态一些未溶物的残留使表面有黑线,这两张是轻抛过的,高温固溶的图片就漂亮多了。
另外你知道我们的钢晶粒度多难出么。。。腐蚀晶粒度困扰了几届人呢
16楼2011-04-15 11:14:04
已阅   回复此楼   关注TA 给TA发消息 送TA红花 TA的回帖

neukdq

铁虫 (小有名气)



killkingkiss(金币+1): 2011-04-15 13:37:54
jic8417(金币+1): 谢谢参与。 2011-04-16 02:25:34
killkingkiss(金币+1): 2011-04-26 20:44:11
不知道你是什么类型的金属,成分是啥样。一般的钢铁加热到950应该已经完全奥氏体化。至于再结晶只要具备热力学和动力学方面的条件,即使没有形变也是会发生的,即铸态的组织贮存能提供了形核激活能,而温度升高提供了扩散激活能。
17楼2011-04-15 11:48:15
已阅   回复此楼   关注TA 给TA发消息 送TA红花 TA的回帖

wenbo665

铜虫 (小有名气)


估计是相变
18楼2011-04-15 21:21:45
已阅   回复此楼   关注TA 给TA发消息 送TA红花 TA的回帖

chang1314

金虫 (正式写手)



小木虫(金币+0.5):给个红包,谢谢回帖
killkingkiss(金币+1): 2011-04-26 20:44:04
楼主,高温下肯定发生再结晶啊,这个叫做奥实体化。高温下变为奥氏体,肯定要再结晶。而且你这个是铸态,成分偏析严重,发生奥实体化温度降低。
19楼2011-04-18 14:53:03
已阅   回复此楼   关注TA 给TA发消息 送TA红花 TA的回帖

cwzheng

木虫 (正式写手)



小木虫(金币+0.5):给个红包,谢谢回帖
引用回帖:
Originally posted by chang1314 at 2011-04-18 14:53:03:
楼主,高温下肯定发生再结晶啊,这个叫做奥实体化。高温下变为奥氏体,肯定要再结晶。而且你这个是铸态,成分偏析严重,发生奥实体化温度降低。

AUSTENITIZATION=RECRYSTALLIZATION?
20楼2011-04-18 16:52:42
已阅   回复此楼   关注TA 给TA发消息 送TA红花 TA的回帖

killkingkiss

金虫 (小有名气)


各位高人们,我这个应该算是相变重结晶了吧?这样的说法对不对?
21楼2011-04-19 13:50:15
已阅   回复此楼   关注TA 给TA发消息 送TA红花 TA的回帖

snowffee

铜虫 (正式写手)


你这现象也太奇怪了,有照片 上来看看 最好了
22楼2013-06-22 14:28:29
已阅   回复此楼   关注TA 给TA发消息 送TA红花 TA的回帖

hitbyg

铜虫 (正式写手)


应该是相变
23楼2013-06-24 15:52:58
已阅   回复此楼   关注TA 给TA发消息 送TA红花 TA的回帖
相关版块跳转 我要订阅楼主 killkingkiss 的主题更新
普通表情 高级回复 (可上传附件)
最具人气热帖推荐 [查看全部] 作者 回/看 最后发表
[考研] 327求调剂 +6 拾光任染 2026-03-15 11/550 2026-03-15 22:47 by 拾光任染
[考博] 东华理工大学化材专业26届硕士博士申请 +6 zlingli 2026-03-13 6/300 2026-03-15 20:00 by ryzcf
[考研] 0703化学调剂 ,六级已过,有科研经历 +4 曦熙兮 2026-03-15 4/200 2026-03-15 18:01 by JourneyLucky
[考研] 一志愿哈工大材料324分求调剂 +5 闫旭东 2026-03-14 5/250 2026-03-14 14:53 by 木瓜膏
[考研] 331求调剂(0703有机化学 +5 ZY-05 2026-03-13 6/300 2026-03-14 10:51 by Jy?
[考研] 308 085701 四六级已过求调剂 +7 温乔乔乔乔 2026-03-12 14/700 2026-03-14 10:49 by JourneyLucky
[考研] 293求调剂 +5 上班不着吉 2026-03-09 5/250 2026-03-14 02:37 by JourneyLucky
[考研] 求调剂,药学 +3 归零lbm 2026-03-09 5/250 2026-03-14 02:21 by JourneyLucky
[考研] 求调剂,一志愿江南大学环境工程085701 +3 Djdjj12 2026-03-10 4/200 2026-03-14 00:31 by JourneyLucky
[考研] 2026考研调剂+本科延边大学+山东大学+生物化学与分子生物学+有项目经验 +3 ccdsscjy 2026-03-10 3/150 2026-03-14 00:12 by JourneyLucky
[考研] 337一志愿华南理工0805材料求调剂 +7 mysdl 2026-03-11 9/450 2026-03-13 22:43 by JourneyLucky
[考研] 材料工程调剂 +9 咪咪空空 2026-03-12 9/450 2026-03-13 22:05 by 星空星月
[考研] 求材料调剂 085600英一数二总分302 前三科235 精通机器学习 一志愿哈工大 +4 林yaxin 2026-03-12 4/200 2026-03-13 22:04 by 星空星月
[考研] 290求调剂 +9 ADT 2026-03-11 9/450 2026-03-13 21:55 by JourneyLucky
[考研] 310求调剂 +3 【上上签】 2026-03-11 3/150 2026-03-13 16:16 by JourneyLucky
[考研] 274求调剂 +3 S.H1 2026-03-12 3/150 2026-03-13 15:15 by JourneyLucky
[考研] 0703一志愿211 285分求调剂 +4 ly3471z 2026-03-13 4/200 2026-03-13 13:00 by JourneyLucky
[考研] 070303一志愿西北大学学硕310找调剂 +3 d如愿上岸 2026-03-12 5/250 2026-03-13 10:56 by houyaoxu
[考博] 2026年博士申请 +3 QwQwQW10 2026-03-11 3/150 2026-03-12 17:58 by gxch43
[考研] 0856材料与化工353分求调剂 +11 NIFFFfff 2026-03-09 11/550 2026-03-10 18:36 by suyuanhai
信息提示
请填处理意见