| 查看: 2351 | 回复: 12 | ||
weibzf金虫 (小有名气)
|
[求助]
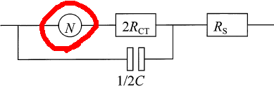
染料敏化电池 对电极(symmetrical cell)阻抗谱 zview 拟合 中等效元件
|
|
考博指南 |
» 猜你喜欢
招贤纳博(已结束)
已经有28人回复
表征测试机构后台私聊我
已经有0人回复
分析化学论文润色/翻译怎么收费?
已经有299人回复
Coordination Chemistry Reviews
已经有1人回复
请问现在还有电池材料方向的博导招人吗
已经有2人回复
» 本主题相关价值贴推荐,对您同样有帮助:
DSC电池阻抗拟合
已经有14人回复
求解交流阻抗,从Nyquist图怎么看电阻大小
已经有7人回复
急需关于染料敏化太阳能电池的电化学阻抗(主要是光阳极)方面的文献,多多益善
已经有4人回复
请教,在开路电压下测试染料敏化太阳能电池的阻抗时,开路电压指的是什么?
已经有21人回复

嘀嘟Д小库洛
木虫 (小有名气)
纯洁的魔王
- ECEPI: 1
- 应助: 37 (小学生)
- 金币: 2075.1
- 红花: 8
- 帖子: 261
- 在线: 160.7小时
- 虫号: 1355481
- 注册: 2011-07-25
- 专业: 电化学
【答案】应助回帖
|
Nerst Impedance是有限层扩散,阻抗元件在Zview中用Ws (Finite Length Warburg - Short Circuit Terminus)。 实际上,现在都用Bisquert2模型进行拟合,你可以在网上搜Bisquerts的文献,很多的,他是绝对的阻抗牛人。Bisquert2模型在Zview中是DX Type11。 我用的是NOVA1.9,里面有Bisquert2模型。 关于误差的问题,这个不好说的。我们只能说如果每个元件的误差都小于5%的话,效果是非常不错的,很可靠(当然是针对这个电路而言)。除此之外,都有点不靠谱,因为误差的计算前提是假定其他的值都是绝对最佳的情况下算出来的,如果别的值本身就不靠谱,实际的意义并不大。这也是为什么,我们一定追求所有的参数误差都比较小的原因。 当然,阻抗技术本身就只是自圆其说的,我们可以通过加元件换电路来使得误差越来越小,曲线完全重合,这个一点问题没有。问题是怎么解释。 如果你有txt数据,我可以帮你拟合一下。 |

11楼2013-05-08 09:54:09
醋人
至尊木虫 (职业作家)
- 应助: 876 (博后)
- 金币: 16864.6
- 红花: 10
- 帖子: 4098
- 在线: 1199.4小时
- 虫号: 1929790
- 注册: 2012-08-08
- 性别: GG
- 专业: 电化学

2楼2013-02-14 08:12:50
weibzf
金虫 (小有名气)
- 应助: 0 (幼儿园)
- 金币: 481.2
- 散金: 348
- 帖子: 77
- 在线: 121.9小时
- 虫号: 939204
- 注册: 2010-01-08
- 专业: 凝聚态物性 II :电子结构

3楼2013-02-14 12:32:19
醋人
至尊木虫 (职业作家)
- 应助: 876 (博后)
- 金币: 16864.6
- 红花: 10
- 帖子: 4098
- 在线: 1199.4小时
- 虫号: 1929790
- 注册: 2012-08-08
- 性别: GG
- 专业: 电化学

4楼2013-02-14 13:08:30
weibzf
金虫 (小有名气)
- 应助: 0 (幼儿园)
- 金币: 481.2
- 散金: 348
- 帖子: 77
- 在线: 121.9小时
- 虫号: 939204
- 注册: 2010-01-08
- 专业: 凝聚态物性 II :电子结构

5楼2013-02-14 18:27:16
醋人
至尊木虫 (职业作家)
- 应助: 876 (博后)
- 金币: 16864.6
- 红花: 10
- 帖子: 4098
- 在线: 1199.4小时
- 虫号: 1929790
- 注册: 2012-08-08
- 性别: GG
- 专业: 电化学

6楼2013-02-14 18:54:09
weibzf
金虫 (小有名气)
- 应助: 0 (幼儿园)
- 金币: 481.2
- 散金: 348
- 帖子: 77
- 在线: 121.9小时
- 虫号: 939204
- 注册: 2010-01-08
- 专业: 凝聚态物性 II :电子结构

7楼2013-02-15 14:21:55
weibzf
金虫 (小有名气)
- 应助: 0 (幼儿园)
- 金币: 481.2
- 散金: 348
- 帖子: 77
- 在线: 121.9小时
- 虫号: 939204
- 注册: 2010-01-08
- 专业: 凝聚态物性 II :电子结构

8楼2013-02-17 14:50:03

9楼2013-04-09 16:29:46

10楼2013-04-09 16:31:43














回复此楼