| 查看: 1565 | 回复: 10 | ||
yibinsiyec木虫 (正式写手)
|
[求助]
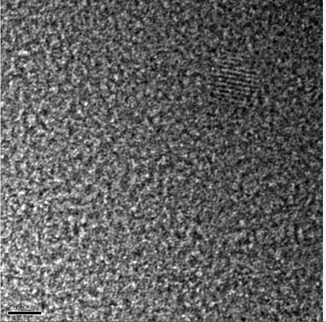
麻烦大家帮我分析下我TEM图
|
EDX及透射扫描分析 |
» 猜你喜欢
MOF合成
已经有0人回复
请问各位大佬ACS投稿状态这样是成功了吗?
已经有6人回复
无机化学论文润色/翻译怎么收费?
已经有293人回复
» 本主题相关价值贴推荐,对您同样有帮助:
很想出国,麻烦大家帮忙分析下情况
已经有7人回复
请大家帮我分析下offer,急啊~~~
已经有44人回复
介孔二氧化硅制备中怪异的晶体条纹的TEM图,大家帮忙判断下可能是啥东西?
已经有7人回复
请大家帮我分析下这两个offer
已经有34人回复
麻烦大家帮我分析下教授的邮件什么意思?
已经有13人回复
请大家帮我分析一下我错在哪里
已经有3人回复
大家帮我看看这张拉曼图谱
已经有18人回复
【求助】求大家帮我分析一下这张ESI质谱图
已经有34人回复
【求助】麻烦高手帮我分析一种高分辨TEM图
已经有43人回复
【求助】希望大家帮我分析下原因
已经有10人回复
【求助】大家帮忙分析一下我这样能申请到美国的PHD吗?
已经有42人回复
【求助/交流】麻烦大家帮忙分析一下电泳图,孔滞留原因
已经有15人回复

wwyygg0520
新虫 (文坛精英)
头大不怕雨淋
- 应助: 288 (大学生)
- 金币: 30284.8
- 散金: 1544
- 红花: 33
- 沙发: 1
- 帖子: 10045
- 在线: 353.3小时
- 虫号: 1082068
- 注册: 2010-08-25
- 性别: GG
- 专业: 固体无机化学
2楼2012-07-14 18:04:32
yibinsiyec
木虫 (正式写手)
- 应助: 17 (小学生)
- 金币: 1673.5
- 散金: 854
- 红花: 15
- 帖子: 442
- 在线: 165.5小时
- 虫号: 1429415
- 注册: 2011-10-06
- 性别: GG
- 专业: 环境工程

3楼2012-07-14 18:16:16
wwyygg0520
新虫 (文坛精英)
头大不怕雨淋
- 应助: 288 (大学生)
- 金币: 30284.8
- 散金: 1544
- 红花: 33
- 沙发: 1
- 帖子: 10045
- 在线: 353.3小时
- 虫号: 1082068
- 注册: 2010-08-25
- 性别: GG
- 专业: 固体无机化学
4楼2012-07-14 18:25:57
5楼2012-07-14 23:27:54
6楼2012-07-16 16:10:52
yibinsiyec
木虫 (正式写手)
- 应助: 17 (小学生)
- 金币: 1673.5
- 散金: 854
- 红花: 15
- 帖子: 442
- 在线: 165.5小时
- 虫号: 1429415
- 注册: 2011-10-06
- 性别: GG
- 专业: 环境工程

7楼2012-07-17 17:50:21
8楼2012-07-17 19:01:05
9楼2013-05-05 11:27:50
10楼2013-05-05 11:32:35













回复此楼