| 查看: 742 | 回复: 2 | ||
[求助]
求教关于金刚石膜刻蚀的问题
|
|
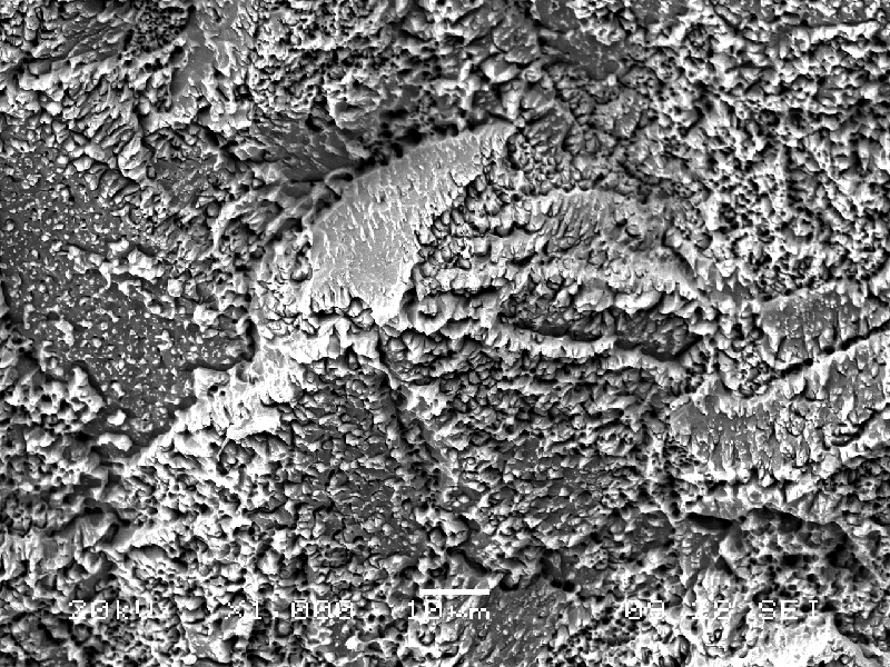
RT, 采用氧离子束对CVD金刚石膜进行刻蚀之后,在SEM图中发现在晶粒上出现裂纹,这是为什么?(刻蚀时,基底温度为600度) 然后拉曼光谱中出现了一些除了金刚石特征峰之外的波包,图中已标出了对应的波包的大致位置,但不知道对应的是什么,求解释,最好能有相关的资料或者论文。 刻蚀后1000倍SEM图 刻蚀后Raman图,并标出了对应的波包的大致位置 [ 来自科研家族 材料家族 ] [ Last edited by 季岩冰 on 2011-11-8 at 19:05 ] |
» 猜你喜欢
【求调剂】新能源材料本科,一志愿211,初试321
已经有3人回复
材料考研调剂
已经有3人回复
材料调剂
已经有12人回复
英一数一408,总分284,二战真诚求调剂
已经有14人回复
085410 一志愿211 22408分数359求调剂
已经有4人回复
271求调剂
已经有19人回复
385分 生物学(071000)求调剂
已经有3人回复
一志愿安徽大学计算机科学与技术学硕,331分求调剂
已经有3人回复
318求调剂,计算材料方向
已经有8人回复
291求调剂
已经有25人回复
» 本主题相关商家推荐: (我也要在这里推广)
» 本主题相关价值贴推荐,对您同样有帮助:
关于铜盐作催化剂的问题
已经有15人回复
关于ssr开发问题
已经有15人回复
有机薄膜太阳能电池 ITO电极怎么刻蚀好?
已经有26人回复
【求助】反应离子刻蚀的问题
已经有6人回复
AgNO3和HF刻蚀硅纳米线的溶液配置问题
已经有10人回复
【求助】10金币求:水玻璃和金刚石在1000度左右的高温会反应吗,可能生成什么东西?
已经有8人回复
【求助】关于湿法刻蚀
已经有17人回复
windyswust
木虫 (著名写手)
- 应助: 21 (小学生)
- 金币: 2516.8
- 散金: 577
- 红花: 10
- 帖子: 1083
- 在线: 1954.2小时
- 虫号: 919716
- 注册: 2009-12-03
- 性别: GG
- 专业: 等离子体物理
【答案】应助回帖
★
Missile521(金币+1): 鼓励回帖交流~ 2011-11-09 16:33:47
季岩冰(金币+5): 谢谢你的回复! 2011-11-09 17:01:44
Missile521(金币+1): 鼓励回帖交流~ 2011-11-09 16:33:47
季岩冰(金币+5): 谢谢你的回复! 2011-11-09 17:01:44
| 呵呵 你这个比我的 更奇怪 首先。你制备金刚石的大概的参数。 比如气源,你的金刚石的事超纳米的还是纳米的还是微米的 估计不是微米的 你的 掺杂否?还有 你的1000倍的SEM 看不出来东西吧。氧等离子体一般式用来得到氧终结的,不知道你用氧刻蚀有什么目的,如果你的事纳米金刚石薄膜 里面的SP2相在氧等离子体的影响下很明显。你可以看看D.M. GRUEN关于raman的分析,你的raman G峰飘逸太多了 |

2楼2011-11-09 15:53:15
3楼2011-11-09 17:02:33














回复此楼