版块导航
正在加载中...
客户端APP下载
论文辅导
调剂小程序
登录
注册
帖子
帖子
用户
本版
应《网络安全法》要求,自2017年10月1日起,未进行实名认证将不得使用互联网跟帖服务。为保障您的帐号能够正常使用,请尽快对帐号进行手机号验证,感谢您的理解与支持!
24小时热门版块排行榜
>
论坛更新日志
(2627)
>
虫友互识
(294)
>
休闲灌水
(147)
>
文献求助
(79)
>
导师招生
(77)
>
论文道贺祈福
(47)
>
博后之家
(30)
>
招聘信息布告栏
(23)
>
硕博家园
(22)
>
考博
(20)
>
基金申请
(17)
>
论文投稿
(17)
>
考研
(16)
>
公派出国
(11)
>
教师之家
(9)
>
找工作
(9)
小木虫论坛-学术科研互动平台
»
化学化工区
»
电化学
»
腐蚀防护
»
电化学阻抗测试中怎么计算等效电路CPE的值?
4
1/1
返回列表
查看: 1697 | 回复: 3
只看楼主
@他人
存档
新回复提醒
(忽略)
收藏
在APP中查看
cuidonghong
金虫
(正式写手)
应助: 2
(幼儿园)
金币: 1125.3
散金: 6
帖子: 397
在线: 38.2小时
虫号: 3462215
注册: 2014-10-09
性别: GG
专业: 流体力学
[
求助
]
电化学阻抗测试中怎么计算等效电路CPE的值?
已有2人参与
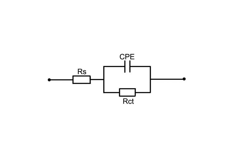
如题,电化学阻抗测试完后用如下图的等效电路进行拟合,但是结果给出了CPE-T、CPE-P两个数值,请问各位大神们是怎么计算CPE的?谢谢
等效电路.jpg
回复此楼
» 猜你喜欢
CSC & MSCA 博洛尼亚大学能源材料课题组博士/博士后招生|MSCA经费充足、排名优
已经有6人回复
德国Karlsruhe Institute of Technology招收电化学储能及联合培养CSC博士等
已经有20人回复
分析化学论文润色/翻译怎么收费?
已经有300人回复
德国Karlsruhe Institute of Technology招收电化学储能及联合培养CSC博士
已经有24人回复
德国Karlsruhe Institute of Technology招收电化学储能及联合培养CSC博士
已经有1人回复
固态锂金属电池迁移数计算求助
已经有1人回复
荷兰奈梅亨大学赵文博与Galimberti课题组招收理论计算CSC博士 2000 欧元/月+房补
已经有0人回复
26储能博士申请自荐
已经有22人回复
上海交通大学--宁波东方理工大学电池方向博士招生
已经有10人回复
海南大学全国重点实验室杨金霖老师招收储能电池方向博士生(2026年3月报名,9月入学)
已经有0人回复
海南师范大学2026年博士研究生招收 (在职想提升学历人员可报考) 申请考核制+普通招考
已经有0人回复
» 本主题相关价值贴推荐,对您同样有帮助:
阻抗测试怎么模拟(用的是Zview软件)
已经有9人回复
电化学阻抗测试中电位设置的问题
已经有2人回复
测试电极的电化学阻抗波谱EIS,中间有一个频率段出现严重干扰,请问怎么回事?
已经有11人回复
关于电化学阻抗的Zsimpwin拟合问题
已经有14人回复
电化学工作站测试和数据分析
已经有2人回复
石墨烯的电化学阻抗图怎么是这样子的啊!!!!!!!!!!!!!!
已经有57人回复
电化学中交流阻抗的测试
已经有4人回复
求助大神,电化学测试怎么着都冒气泡,该怎么办呢/
已经有4人回复
亲们,Impedance spectroscopy(IS)是指的是电化学测试中的交流阻抗谱吗?
已经有6人回复
求助涂层交流阻抗测试
已经有0人回复
电化学相关书籍及课件
已经有92人回复
锂离子电池交流阻抗测试中如何达到待测电位的问题
已经有0人回复
交流阻抗 质子交换膜 电化学 拟合
已经有2人回复
请问:CHI电化学工作站测试扣式电池的循环伏安和交流阻抗相关问题
已经有12人回复
关于阻抗测试
已经有27人回复
【请问】两支Pt电极进行电化学测试,要怎么连线?
已经有7人回复
电化学阻抗前样品要在测试液中浸泡多久?
已经有13人回复
【求助】电化学腐蚀测试
已经有26人回复
欲望以提升热忱,毅力以磨平高山
1楼
2016-03-10 14:12:36
已阅
回复此楼
关注TA
给TA发消息
送TA红花
TA的回帖
misswoods
新虫
(正式写手)
应助: 0
(幼儿园)
金币: 554.2
散金: 65
红花: 10
帖子: 577
在线: 193.7小时
虫号: 3889643
注册: 2015-05-25
专业: 金属材料的磨损与磨蚀
【答案】应助回帖
我也想知道怎么算CPE的
赞
一下
回复此楼
2楼
2016-04-28 10:54:05
已阅
回复此楼
关注TA
给TA发消息
送TA红花
TA的回帖
renxiaoyao90
金虫
(正式写手)
应助: 20
(小学生)
金币: 3366.4
红花: 2
帖子: 320
在线: 68.1小时
虫号: 2076484
注册: 2012-10-21
性别: GG
专业: 无机非金属材料
什么软件你和的啊?一般我用zsim拟合,出start和end,用end。
发自小木虫Android客户端
赞
一下
(1人)
回复此楼
认定的路,爬也要爬到尽头
3楼
2016-05-01 10:41:12
已阅
回复此楼
关注TA
给TA发消息
送TA红花
TA的回帖
langzhizhou
版主
(职业作家)
ECEPI: 13
应助: 1072
(博后)
贵宾: 1.631
金币: 32033.8
散金: 6372
红花: 305
帖子: 3172
在线: 409.1小时
虫号: 507377
注册: 2008-02-19
性别: GG
专业: 电化学
管辖:
电化学
【答案】应助回帖
CPE是赝电容,一般按照P计算,T是0-1之间,越接近1越像电容
赞
一下
(1人)
回复此楼
何处高楼无可醉,谁家红袖不相怜!
4楼
2016-05-01 11:44:11
已阅
回复此楼
关注TA
给TA发消息
送TA红花
TA的回帖
相关版块跳转
有机交流
有机资源
高分子
无机/物化
分析
催化
工艺技术
化工设备
石油化工
精细化工
电化学
环境
SciFinder/Reaxys
我要订阅楼主
cuidonghong
的主题更新
4
1/1
返回列表
如果回帖内容含有宣传信息,请如实选中。否则帐号将被全论坛禁言
普通表情
龙
兔
虎
猫
百度网盘
|
360云盘
|
千易网盘
|
华为网盘
在新窗口页面中打开自己喜欢的网盘网站,将文件上传后,然后将下载链接复制到帖子内容中就可以了。
信息提示
关闭
请填处理意见
关闭
确定