| 查看: 4344 | 回复: 9 | |
[求助]
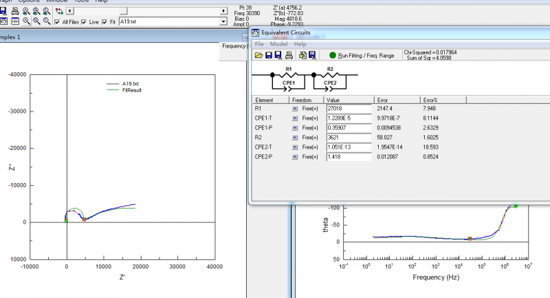
阻抗测试怎么模拟(用的是Zview软件) 已有3人参与
|
|
|
|
|
![]() |
|
|
2楼2016-01-15 07:48:33
|
|
godsdream09银虫 (正式写手)
|
|
![]() |
|
|
3楼2016-01-15 08:23:18
|
|
|
4楼2016-01-15 12:19:51
|
|
|
5楼2016-01-18 08:27:28
|
|
wangxyxywang铜虫 (初入文坛)
|
|
|
6楼2016-01-30 08:34:42
|
|
langzhizhou版主 (职业作家)
|
|
![]() |
|
|
7楼2016-01-30 11:51:30
|
|
往事_随风新虫 (正式写手)
|
|
|
8楼2016-04-23 23:50:23
|
|
|
9楼2016-04-25 15:37:47
|
|
|
10楼2018-03-08 15:32:37
|
|














回复此楼

10