| 查看: 1603 | 回复: 12 | |||
| 当前只显示满足指定条件的回帖,点击这里查看本话题的所有回帖 | |||
根号二新虫 (正式写手)
|
[求助]
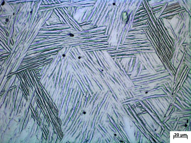
请问这个金相做的咋样,能不能在发的文章中用? 已有2人参与
|
||
|
感觉这个金相好模糊的感觉,电解抛光后用水:硝酸:氢氟酸=7:2:1的腐蚀液腐蚀5s,500倍显微镜下看到就是这样,总感觉不是很清晰,感觉模糊的感觉,请问这个能在发的文章中用吗?如果想更清晰,该如何解决?谢谢赐教。 3-1-3-a-5s-1.jpg 3-2-3-a-5s-1.jpg 3-3-3-a-3s-2.jpg |
» 收录本帖的淘帖专辑推荐
百宝箱 |
» 猜你喜欢
一志愿沪9,326求生物学调剂
已经有7人回复
化工学硕294分,求导师收留
已经有24人回复
085600材料与化工329分求调剂
已经有10人回复
284求调剂
已经有10人回复
复试调剂
已经有18人回复
310求调剂
已经有16人回复
274求调剂
已经有7人回复
245求调剂
已经有7人回复
有爆料,一个青年教师卖房得400万,然后换了一个四青帽子
已经有11人回复
290求调剂
已经有15人回复
» 本主题相关价值贴推荐,对您同样有帮助:
请教如何在金相照片中判断晶粒
已经有8人回复
水砂纸和金相砂纸有什么区别吗?材料专业的,哪个可以磨金相?
已经有6人回复
请问铸态金相组织中的晶粒如何区别树枝状、蔷薇状、球状和粒状,如下图所示
已经有13人回复
大家看看这部分金相照片怎么分析
已经有14人回复
AZ31镁合金挤压后,不同腐蚀液的金相差距怎么这么大?
已经有9人回复
合金晶粒大小2-3um如何做出金相实验
已经有19人回复
请问三维金相立体图如何画出来
已经有17人回复
如何用image J分析材料断面金相显微镜照片的气孔率
已经有6人回复
各位大哥大家,纯铝的金相要怎么磨?
已经有12人回复
如何区分金相中的夹杂物和过烧的黑点
已经有11人回复
在实验中发现了一些异常的,解释不了的现象,能不能发文章?
已经有12人回复
想做观察拉伸式样的金相组织,切试样时该怎么切)
已经有13人回复
论文中能不能自己引用自己的文章,参考文献有自己已经发表的论文可以吗
已经有23人回复
哪里可以做高温金相啊?
已经有7人回复
如何自制金相抛光液?能用就行
已经有3人回复
金相抛光后可以用超声波清洗吗?
已经有26人回复
金相样老是做不好,麻点,拖尾,划痕(有图为证)......大神们,怎么解决它们啊?
已经有41人回复
如何利用image J 软件分析金相照片中不同相之间的相对含量
已经有4人回复
web of knowledge中,能不能查询别人对已发表的某篇文章的评价?
已经有8人回复
TC6钛合金 如何制作金相
已经有5人回复
修回稿件时发现审稿人没指出的错误,自己能不能悄悄改了,而不在文章里标注出来?
已经有10人回复
金相中可以看见位错线吗?
已经有22人回复
现在金相照片上标100μm的放大倍数多少?如何换算?
已经有13人回复
请问金相镶好的样品如何取出来
已经有23人回复
如何用相机拍出搞质量的宏观金相照片
已经有12人回复
求钛合金金相高手进来看看这是怎么回事
已经有33人回复
关于铝合金金相,困扰我好久了,大家帮忙哦
已经有33人回复

wsq_7710
木虫 (职业作家)
- 应助: 58 (初中生)
- 贵宾: 0.043
- 金币: 3623.8
- 散金: 8151
- 红花: 54
- 帖子: 3432
- 在线: 1194.2小时
- 虫号: 431152
- 注册: 2007-08-11
- 性别: GG
- 专业: 金属基复合材料
9楼2015-06-17 11:42:15
engle028
至尊木虫 (知名作家)
脚踏实地
- MM-EPI: 1
- 应助: 232 (大学生)
- 贵宾: 0.516
- 金币: 18000.5
- 散金: 2170
- 红花: 52
- 沙发: 37
- 帖子: 7662
- 在线: 4062.8小时
- 虫号: 942285
- 注册: 2010-01-14
- 性别: GG
- 专业: 金属材料

3楼2015-06-16 18:57:42
根号二
新虫 (正式写手)
- 应助: 7 (幼儿园)
- 金币: 1220.5
- 散金: 4
- 帖子: 520
- 在线: 26.9小时
- 虫号: 2029859
- 注册: 2012-09-25
- 性别: GG
- 专业: 金属材料的微观结构

4楼2015-06-16 19:04:59
根号二
新虫 (正式写手)
- 应助: 7 (幼儿园)
- 金币: 1220.5
- 散金: 4
- 帖子: 520
- 在线: 26.9小时
- 虫号: 2029859
- 注册: 2012-09-25
- 性别: GG
- 专业: 金属材料的微观结构

5楼2015-06-16 19:06:15














回复此楼