| ²é¿´: 3079 | »Ø¸´: 11 | ||||
zhe_summerÌú¸Ëľ³æ (ÕýʽдÊÖ)
|
[½»Á÷]
ÈçºÎÇø·Ö½ðÏàÖеļÐÔÓÎïºÍ¹ýÉյĺڵã
|
|||
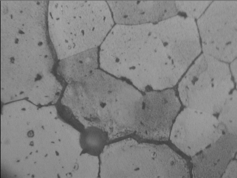
| Å×¹âºó¸¯Ê´Ç°¾ÍÓÐÐí¶àºÚµã£¬Ò»Ö±Åײ»µô£¬¸¯Ê´Ö®ºó¾Í·Ö²»ÇåÊÇδÅ×µôµÄ¼ÐÔÓÎﻹÊǹýÉյĸ²ÈÛСÇò£¬±ØÐëÒªÔÚ¸¯Ê´Ö®Ç°Å×µÃÌØ±ð¸É¾»Âð |
» ÊÕ¼±¾ÌûµÄÌÔÌûר¼ÍƼö
ÂÁºÏ½ð½ðÏà |
» ²ÂÄãϲ»¶
Ò»Ö¾Ô¸211£¬»¯Ñ§Ñ§Ë¶£¬310·Ö£¬±¾¿ÆÖصãË«·Ç£¬Çóµ÷¼Á
ÒѾÓÐ21È˻ظ´
¿¼ÑÐÓ¢Ò»ÊýÒ»338·Ö
ÒѾÓÐ8È˻ظ´
302Çóµ÷¼Á
ÒѾÓÐ10È˻ظ´
327Çóµ÷¼Á
ÒѾÓÐ14È˻ظ´
¿¼Ñе÷¼Á
ÒѾÓÐ5È˻ظ´
ÉúÎïѧ308·ÖÇóµ÷¼Á£¨Ò»Ö¾Ô¸»ª¶«Ê¦´ó£©½ÓÊÜ¿çרҵ
ÒѾÓÐ6È˻ظ´
Ò»Ö¾Ô¸»¦9£¬326ÇóÉúÎïѧµ÷¼Á
ÒѾÓÐ9È˻ظ´
¸÷λÀÏʦºÃ£¬Çóµ÷¼Á£¬±¾¿Æ211£¬Ò»Ö¾Ô¸Ìì½ò´óѧÉúÎïÓëҽҩѧ˶£¬²îÁ½Ãû¼ȡ¡£
ÒѾÓÐ6È˻ظ´
085600²ÄÁÏÓ뻯¹¤329·ÖÇóµ÷¼Á
ÒѾÓÐ12È˻ظ´
»¯¹¤Ñ§Ë¶294·Ö£¬Çóµ¼Ê¦ÊÕÁô
ÒѾÓÐ26È˻ظ´
» ±¾Ö÷ÌâÏà¹Ø¼ÛÖµÌùÍÆ¼ö£¬¶ÔÄúͬÑùÓаïÖú:
ÈçºÎÖÆÈ¡¹Û²ì·Ç½ðÊô¼ÐÔÓÎïµÄ½ðÏà
ÒѾÓÐ14È˻ظ´
¡¾ÇóÖú¡¿ÂÁºÏ½ðÅ׹ⸯʴºó¾§ÏàÖÐÓкڵã
ÒѾÓÐ18È˻ظ´

maozt1010
½ð³æ (СÓÐÃûÆø)
- Ó¦Öú: 2 (Ó×¶ùÔ°)
- ½ð±Ò: 569.3
- ºì»¨: 6
- Ìû×Ó: 92
- ÔÚÏß: 33.4Сʱ
- ³æºÅ: 3102137
- ×¢²á: 2014-03-28
- ÐÔ±ð: GG
- רҵ: Áã¼þ³ÉÐÎÖÆÔì
¡ï
Сľ³æ: ½ð±Ò+0.5, ¸ø¸öºì°ü£¬Ð»Ð»»ØÌû
Сľ³æ: ½ð±Ò+0.5, ¸ø¸öºì°ü£¬Ð»Ð»»ØÌû

9Â¥2014-04-19 01:38:54
maozt1010
½ð³æ (СÓÐÃûÆø)
- Ó¦Öú: 2 (Ó×¶ùÔ°)
- ½ð±Ò: 569.3
- ºì»¨: 6
- Ìû×Ó: 92
- ÔÚÏß: 33.4Сʱ
- ³æºÅ: 3102137
- ×¢²á: 2014-03-28
- ÐÔ±ð: GG
- רҵ: Áã¼þ³ÉÐÎÖÆÔì

10Â¥2014-04-19 01:45:31
wucy3657623
ľ³æ (ÕýʽдÊÖ)
â¹ûëë³æ
- Ó¦Öú: 131 (¸ßÖÐÉú)
- ½ð±Ò: 4168.9
- ºì»¨: 37
- Ìû×Ó: 818
- ÔÚÏß: 379.8Сʱ
- ³æºÅ: 574042
- ×¢²á: 2008-06-15
- ÐÔ±ð: GG
- רҵ: ½ðÊô²ÄÁϵÄ΢¹Û½á¹¹
¡ï ¡ï ¡ï ¡ï ¡ï ¡ï ¡ï
Сľ³æ: ½ð±Ò+0.5, ¸ø¸öºì°ü£¬Ð»Ð»»ØÌû
zhe_summer: ½ð±Ò+6, Âé·³¿´Ò»ÏÂͼƬ£¬Ð»Ð» 2014-04-17 15:56:39
Сľ³æ: ½ð±Ò+0.5, ¸ø¸öºì°ü£¬Ð»Ð»»ØÌû
zhe_summer: ½ð±Ò+6, Âé·³¿´Ò»ÏÂͼƬ£¬Ð»Ð» 2014-04-17 15:56:39
|
Èç¹û¶ÔÓÚÂÁºÏ½ð£¬»¹ÊÇҪĥµÄºÜ¸É¾»±È½ÏºÃ¡£ È»ºóÔÚ500£100±¶Ï¿´¡£Äã»á·¢ÏÖ¸²ÈÛÇòÓÐןÜϸÖµÄÐÎÃ²ÌØÕ÷¶ø²¢²»ÊǼòµ¥µÄºÚ¿é¡£ µ«ÊǸ´ÈÛÇòͨ³£ÐèÒª¸¯Ê´²Å¿ÉÇåÎúʶ±ð¡£ ¸¯Ê´Ç°£¬¸ßÎÂÑõ»¯£¨HTO£©ÊÇ¿ÉÒÔÇåÎú¿´µ½µÄ£¬¶øÇÒÊǺÚÉ«¿Õ¶´£¬Äã¿ÉÒÔͨ¹ýµ÷½Ú½¹¾à£¬·¢ÏÖ¿Õ¶´ÊÇÓи߶ȲîµÄ¡£ ²»¹ý£¬HTOºÍ»¯ºÏÎïµÄpeel-out²»ÊǺÜÈÝÒ×ʶ±ð£¬ÐèÒª¾Ñé¡£ |

2Â¥2014-04-15 16:48:59
wucy3657623
ľ³æ (ÕýʽдÊÖ)
â¹ûëë³æ
- Ó¦Öú: 131 (¸ßÖÐÉú)
- ½ð±Ò: 4168.9
- ºì»¨: 37
- Ìû×Ó: 818
- ÔÚÏß: 379.8Сʱ
- ³æºÅ: 574042
- ×¢²á: 2008-06-15
- ÐÔ±ð: GG
- רҵ: ½ðÊô²ÄÁϵÄ΢¹Û½á¹¹

3Â¥2014-04-15 16:49:31
zhe_summer
Ìú¸Ëľ³æ (ÕýʽдÊÖ)
- Ó¦Öú: 59 (³õÖÐÉú)
- ½ð±Ò: 5607.9
- É¢½ð: 338
- ºì»¨: 2
- Ìû×Ó: 956
- ÔÚÏß: 155.6Сʱ
- ³æºÅ: 1155268
- ×¢²á: 2010-11-25
- ÐÔ±ð: GG
- רҵ: ½ðÊô»ù¸´ºÏ²ÄÁÏ

4Â¥2014-04-15 16:54:07
sha5241sha
гæ (ÖøÃûдÊÖ)
- Ó¦Öú: 11 (СѧÉú)
- ½ð±Ò: 3109.4
- É¢½ð: 1352
- ºì»¨: 30
- Ìû×Ó: 1382
- ÔÚÏß: 197Сʱ
- ³æºÅ: 1810889
- ×¢²á: 2012-05-11
- ÐÔ±ð: GG
- רҵ: ½ðÊô²ÄÁϵÄ΢¹Û½á¹¹
5Â¥2014-04-17 08:23:02
zhe_summer
Ìú¸Ëľ³æ (ÕýʽдÊÖ)
- Ó¦Öú: 59 (³õÖÐÉú)
- ½ð±Ò: 5607.9
- É¢½ð: 338
- ºì»¨: 2
- Ìû×Ó: 956
- ÔÚÏß: 155.6Сʱ
- ³æºÅ: 1155268
- ×¢²á: 2010-11-25
- ÐÔ±ð: GG
- רҵ: ½ðÊô»ù¸´ºÏ²ÄÁÏ

6Â¥2014-04-17 15:55:47
wucy3657623
ľ³æ (ÕýʽдÊÖ)
â¹ûëë³æ
- Ó¦Öú: 131 (¸ßÖÐÉú)
- ½ð±Ò: 4168.9
- ºì»¨: 37
- Ìû×Ó: 818
- ÔÚÏß: 379.8Сʱ
- ³æºÅ: 574042
- ×¢²á: 2008-06-15
- ÐÔ±ð: GG
- רҵ: ½ðÊô²ÄÁϵÄ΢¹Û½á¹¹
¡ï
Сľ³æ: ½ð±Ò+0.5, ¸ø¸öºì°ü£¬Ð»Ð»»ØÌû
Сľ³æ: ½ð±Ò+0.5, ¸ø¸öºì°ü£¬Ð»Ð»»ØÌû

7Â¥2014-04-17 22:16:48
zhe_summer
Ìú¸Ëľ³æ (ÕýʽдÊÖ)
- Ó¦Öú: 59 (³õÖÐÉú)
- ½ð±Ò: 5607.9
- É¢½ð: 338
- ºì»¨: 2
- Ìû×Ó: 956
- ÔÚÏß: 155.6Сʱ
- ³æºÅ: 1155268
- ×¢²á: 2010-11-25
- ÐÔ±ð: GG
- רҵ: ½ðÊô»ù¸´ºÏ²ÄÁÏ

8Â¥2014-04-18 19:20:57














»Ø¸´´ËÂ¥