| 查看: 4030 | 回复: 13 | ||
[求助]
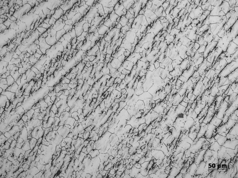
求高手帮忙分析316L不锈钢金相照片 已有5人参与
|
百宝箱 |
» 猜你喜欢
086003食品工程求调剂
已经有3人回复
【考研调剂】化学专业 281分,一志愿四川大学,诚心求调剂
已经有12人回复
一志愿河北工业大学0817化工278分求调剂
已经有12人回复
材料调剂
已经有5人回复
081700 调剂 267分
已经有8人回复
请教下大家 2026年国家基金申请是双盲审吗?
已经有5人回复
276求调剂。有半年电池和半年高分子实习经历
已经有10人回复
一志愿南航材料专317分求调剂
已经有4人回复
求调剂
已经有4人回复
生物学学硕求调剂
已经有5人回复
» 本主题相关价值贴推荐,对您同样有帮助:
关于316L不锈钢磨痕形貌的分析,求助!
已经有7人回复
求P92钢的金相腐蚀液
已经有5人回复
这是什么金相组织?
已经有13人回复
沉淀硬化马氏体不锈钢金相组织腐蚀液
已经有6人回复
304奥氏体不锈钢的腐蚀问题
已经有8人回复
求助金相高手,关于紫铜金相组织
已经有8人回复
304不锈钢中是否含有Ti?304与321不锈钢的区别
已经有11人回复
组织分析(彩色金相与扫描电镜)
已经有14人回复
316L不锈钢金相腐蚀
已经有19人回复
不锈钢金相腐蚀电解槽
已经有4人回复
304不锈钢看金相该用什么腐蚀啊 急啊!!!!!
已经有18人回复
不同的激光焊接工艺下的两张金相照片,有明显的差异,请帮忙分析一下。
已经有10人回复
GH4169金相分析
已经有19人回复
帮忙分析下这张金相组织。
已经有19人回复
急,316L不锈钢的耐腐蚀问题
已经有20人回复
多向锻造奥氏体不锈钢金相腐蚀问题
已经有6人回复
316L奥氏体不锈钢金相,请大家帮忙分析下~
已经有26人回复
请教奥氏体304不锈钢金相腐蚀
已经有20人回复
大家帮我分析一下双相不锈钢金相组织
已经有30人回复
求钛合金金相高手进来看看这是怎么回事
已经有33人回复
低合金钢的金相组织图片鉴定及分析
已经有24人回复
【求助】观察304不锈钢晶相所用的腐蚀溶液
已经有6人回复
【求助】求助-12Cr1MoV现场金相分析
已经有14人回复
小岚英英
金虫 (小有名气)
- 应助: 8 (幼儿园)
- 金币: 1697.9
- 帖子: 178
- 在线: 60.7小时
- 虫号: 1318380
- 注册: 2011-06-08
- 性别: MM
- 专业: 金属材料的合金相、相变及
2楼2015-06-03 19:09:06
3楼2015-06-03 19:22:53
小岚英英
金虫 (小有名气)
- 应助: 8 (幼儿园)
- 金币: 1697.9
- 帖子: 178
- 在线: 60.7小时
- 虫号: 1318380
- 注册: 2011-06-08
- 性别: MM
- 专业: 金属材料的合金相、相变及
4楼2015-06-03 20:11:31
1113554954
铁虫 (小有名气)
- 应助: 36 (小学生)
- 金币: 356.5
- 散金: 144
- 红花: 2
- 帖子: 123
- 在线: 158.3小时
- 虫号: 1662330
- 注册: 2012-03-03
- 性别: GG
- 专业: 零件成形制造
5楼2015-06-03 20:23:44
6楼2015-06-03 20:25:48
7楼2015-06-03 20:27:02
1113554954
铁虫 (小有名气)
- 应助: 36 (小学生)
- 金币: 356.5
- 散金: 144
- 红花: 2
- 帖子: 123
- 在线: 158.3小时
- 虫号: 1662330
- 注册: 2012-03-03
- 性别: GG
- 专业: 零件成形制造
8楼2015-06-03 20:37:07
peterflyer
木虫之王 (文学泰斗)
peterflyer
- MM-EPI: 2
- 应助: 20282 (院士)
- 金币: 146172
- 红花: 1374
- 帖子: 93091
- 在线: 7694.3小时
- 虫号: 1482829
- 注册: 2011-11-08
- 性别: GG
- 专业: 功能陶瓷
9楼2015-06-03 20:39:30
小岚英英
金虫 (小有名气)
- 应助: 8 (幼儿园)
- 金币: 1697.9
- 帖子: 178
- 在线: 60.7小时
- 虫号: 1318380
- 注册: 2011-06-08
- 性别: MM
- 专业: 金属材料的合金相、相变及
|
其实你的组织还是比较正常的热轧带状组织…… 你可以参考下面的帖子: 热轧线材中出现带状组织是很经常的事么? http://muchong.com/bbs/viewthread.php?tid=2247528&fpage=3&target=blank 为什么热轧钢的带状组织可以通过正火处理? http://muchong.com/html/201405/7360175.html http://muchong.com/bbs/viewthread.php?tid=5416833&fpage=2&target=blank |
10楼2015-06-03 20:48:59













回复此楼