| 查看: 849 | 回复: 1 | |||
[求助]
急、急、 帮忙一一分析石墨烯的SEM 已有1人参与
|
|
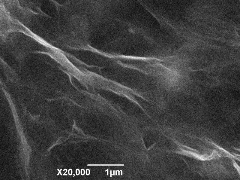
帮忙分析一下每张图片上的石墨烯。 1-7-3.jpg 1-8-2.jpg 1-9-3.jpg 1-10-2.jpg 2-7-2.jpg 2-8-3.jpg 2-9-3.jpg 2-10-1.jpg 3-7-3.jpg 3-8-3.jpg 3-9-3.jpg 3-10-3.jpg 4-7-4.jpg 4-8-2.jpg 4-9-3.jpg 4-10-3.jpg |
» 猜你喜欢
275求调剂
已经有9人回复
083000学硕274求调剂
已经有5人回复
【求调剂】085601材料工程专硕 | 总分272 |
已经有5人回复
275求调剂
已经有13人回复
0856,材料与化工321分求调剂
已经有8人回复
085701环境工程,267求调剂
已经有12人回复
320分,材料与化工专业,求调剂
已经有7人回复
085701环境工程求调剂
已经有8人回复
295材料工程专硕求调剂
已经有5人回复
265求调剂
已经有8人回复
» 本主题相关商家推荐: (我也要在这里推广)
» 本主题相关价值贴推荐,对您同样有帮助:
氧化石墨烯分散液的SEM表征问题
已经有13人回复
请大神们帮忙分析一下石墨烯红外图谱。
已经有5人回复
石墨烯中碳原子态密度求分析,万分感谢!
已经有13人回复
如何提纯含有石墨烯溶液中的石墨烯 急!
已经有12人回复
氧化石墨烯 透析(很急啊!!谢谢大家)
已经有6人回复
氧化石墨烯SEM AFM TEM 制样,溶液浓度多大合适?
已经有11人回复
Raman分析石墨烯和材料导电性中的矛盾解释
已经有10人回复
高温热还原石墨烯的热重分析
已经有3人回复
铜箔表面CVD石墨烯的SEM照片如何分析
已经有4人回复
石墨烯扫描电镜图谱
已经有15人回复
【求助】自制石墨烯SEM
已经有15人回复
我做的石墨烯的SEM图 感觉很不好 求指点 谢谢
已经有12人回复
急求,急求,石墨烯复合材料的高温烧结,石墨烯可承受的最高温度是多少?
已经有17人回复
石墨烯的热重分析
已经有6人回复
氧化石墨烯的SEM
已经有9人回复
如何用SEM表征 石墨烯
已经有5人回复
【请教】帮忙分析一下石墨烯的XRD图
已经有24人回复
【求助】怎样才能把石墨烯转移到硅片上用于SEM测试?
已经有15人回复
【讨论】氧化石墨烯 石墨烯 SEM TEM
已经有14人回复
gxytju2008
专家顾问 (文坛精英)
-

专家经验: +1654 - 应助: 4105 (副教授)
- 贵宾: 0.053
- 金币: 47540.7
- 散金: 4089
- 红花: 503
- 帖子: 14997
- 在线: 7315.6小时
- 虫号: 1111232
- 注册: 2010-09-29
- 性别: GG
- 专业: 材料物理化学
- 管辖: 微米和纳米
2楼2015-05-22 12:38:01














回复此楼
6