版块导航
正在加载中...
客户端APP下载
论文辅导
调剂小程序
登录
注册
帖子
帖子
用户
本版
应《网络安全法》要求,自2017年10月1日起,未进行实名认证将不得使用互联网跟帖服务。为保障您的帐号能够正常使用,请尽快对帐号进行手机号验证,感谢您的理解与支持!
24小时热门版块排行榜
>
论坛更新日志
(282)
>
虫友互识
(19)
>
导师招生
(10)
>
考博
(6)
>
考研
(4)
>
有机资源
(2)
>
教师之家
(2)
>
找工作
(2)
>
健康生活
(2)
>
论文投稿
(2)
>
海外博后
(1)
>
材料综合
(1)
>
招聘信息布告栏
(1)
>
博后之家
(1)
>
留学DIY
(1)
>
论文道贺祈福
(1)
小木虫论坛-学术科研互动平台
»
材料区
»
金属
»
交流互助
»
跪求各位大神帮忙看一下
3
1/1
返回列表
查看: 291 | 回复: 2
只看楼主
@他人
存档
新回复提醒
(忽略)
收藏
在APP中查看
18732185576
铜虫
(小有名气)
应助: 1
(幼儿园)
金币: 10.1
散金: 40
帖子: 85
在线: 35.7小时
虫号: 3249118
注册: 2014-06-02
性别: GG
专业: 钢铁冶金
[
求助
]
跪求各位大神帮忙看一下
已有1人参与
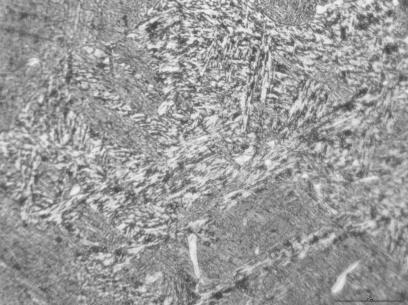
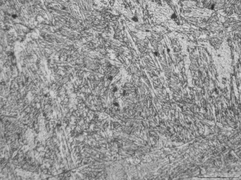
1600度 熔融钢液直接水淬得出的 请问里面是不是有 针状铁素体、贝氏体、板条状马氏体
3-2-4(20bei).JPG
4-4-1(20bei).JPG
4-4-5(20bei).JPG
回复此楼
» 猜你喜欢
为什么中国大学工科教授们水了那么多所谓的顶会顶刊,但还是做不出宇树机器人?
已经有11人回复
网上报道青年教师午睡中猝死、熬夜猝死的越来越多,主要哪些原因引起的?
已经有9人回复
【博士招生】太原理工大学2026化工博士
已经有5人回复
什么是人一生最重要的?
已经有5人回复
280求调剂
已经有3人回复
面上可以超过30页吧?
已经有11人回复
版面费该交吗
已经有15人回复
体制内长辈说体制内绝大部分一辈子在底层,如同你们一样大部分普通教师忙且收入低
已经有18人回复
» 本主题相关价值贴推荐,对您同样有帮助:
刚开始用1stopt拟合曲线,但执行不了计算,求大神帮看一下,感谢感谢~
已经有4人回复
求站内大神帮帮我!!!!
已经有3人回复
求大神帮我解两个核磁和红外图。。。
已经有4人回复
很简单在,一种植物,忘了叫什么,求大神帮忙
已经有3人回复
跪求,急!!!
已经有14人回复
各位大神帮忙看看这样催邀请信是否合适?
已经有8人回复
各位大神帮忙看看这类图怎么画?
已经有4人回复
求大神帮检查下一个简单的UDF
已经有13人回复
AB错误修改,急求大神帮忙!!!
已经有4人回复
genemarker数据处理,求大神帮忙
已经有8人回复
优势菌群是怎么定义的?请各位大神帮忙啊
已经有7人回复
求大神给我看看这个反应咋没反应
已经有4人回复
积分求助 求大神帮忙!
已经有7人回复
求大神帮忙解答!
已经有8人回复
第一次投英文的,作者指导有点没看明白,求大神帮忙,谢谢
已经有17人回复
求大神帮忙求KIE
已经有8人回复
大神来帮忙解释一下,上下两个图是什么意思
已经有10人回复
跪求大神指点PCR产物浓度分析
已经有12人回复
求大神~~~谁会化工工艺设计的~~~~~来各种帮忙~~
已经有7人回复
跪求各位大侠帮忙看看我得细胞怎么了~
已经有11人回复
1楼
2015-05-16 10:42:35
已阅
回复此楼
关注TA
给TA发消息
送TA红花
TA的回帖
《草原的风》
至尊木虫
(职业作家)
应助: 854
(博后)
金币: 17293.3
红花: 102
帖子: 3287
在线: 960.3小时
虫号: 2536060
注册: 2013-07-07
性别: GG
专业: 金属结构材料
【答案】应助回帖
感谢参与,应助指数 +1
最关键的是材料的化学成分,你不提供,那不是瞎猜吗?
赞
一下
回复此楼
稀里糊涂是最高境界
2楼
2015-05-17 13:19:34
已阅
回复此楼
关注TA
给TA发消息
送TA红花
TA的回帖
18732185576
铜虫
(小有名气)
应助: 1
(幼儿园)
金币: 10.1
散金: 40
帖子: 85
在线: 35.7小时
虫号: 3249118
注册: 2014-06-02
性别: GG
专业: 钢铁冶金
引用回帖:
2楼
:
Originally posted by
《草原的风》
at 2015-05-17 13:19:34
最关键的是材料的化学成分,你不提供,那不是瞎猜吗?
这个是低碳钢在熔融钢液状态下 直接进行水淬得到的组织
赞
一下
回复此楼
3楼
2015-05-21 18:58:25
已阅
回复此楼
关注TA
给TA发消息
送TA红花
TA的回帖
相关版块跳转
材料综合
材料工程
微米和纳米
晶体
金属
无机非金属
生物材料
功能材料
复合材料
我要订阅楼主
18732185576
的主题更新
3
1/1
返回列表
如果回帖内容含有宣传信息,请如实选中。否则帐号将被全论坛禁言
普通表情
龙
兔
虎
猫
百度网盘
|
360云盘
|
千易网盘
|
华为网盘
在新窗口页面中打开自己喜欢的网盘网站,将文件上传后,然后将下载链接复制到帖子内容中就可以了。
信息提示
关闭
请填处理意见
关闭
确定