| 查看: 567 | 回复: 0 | ||
[求助]
请教关于单项交流变换式功率表的原理问题
|
|
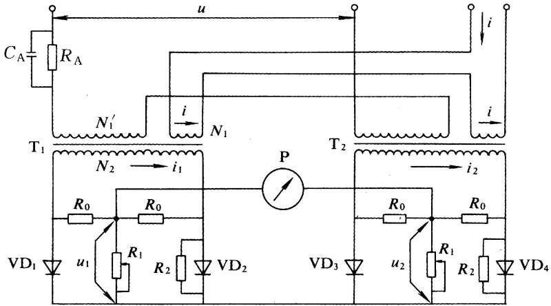
书上说:根据晶体二极管 的特性,在R0 R1 二极管构成的回路中,u1 与(i1R0)的平方成正比。u2与(i2R0)的平方成正比.这两处成正比的地方不是很懂啊,如果考虑基尔霍夫电压定律怎么是和平方成正比呢??!求教。 单项功率表.jpg 图片2.png 图片3.jpg |
» 猜你喜欢
材料/农业专业,07/08开头均可,过线就行
已经有4人回复
327求调剂
已经有5人回复
361求调剂
已经有3人回复
一志愿中南大学化学学硕0703总分337求调剂
已经有5人回复
一志愿北京化工大学 070300 学硕 336分 求调剂
已经有6人回复
材料专业求调剂
已经有10人回复
341求调剂(一志愿湖南大学070300)
已经有5人回复
0854 考研调剂 招生了!AI 方向
已经有15人回复
384求调剂
已经有6人回复
生物学学硕求调剂
已经有4人回复
找到一些相关的精华帖子,希望有用哦~
请教关于数学微积分概念问题,dx和x'有什么区别呢,前者的拉普拉斯变换值是多少呢
已经有12人回复
请教大家:栀子花籽给小孩子收惊,有什么要注意的,它的药用原理是什么?
已经有20人回复
请教一个非常简单的拉式变换
已经有9人回复
请教Laplace变换问题
已经有8人回复
【求助】请教解析几何高手:100金币求坐标任意转动变换的解析公式
已经有15人回复
科研从小木虫开始,人人为我,我为人人













回复此楼
点击这里搜索更多相关资源
40