| 查看: 578 | 回复: 0 | |
[求助]
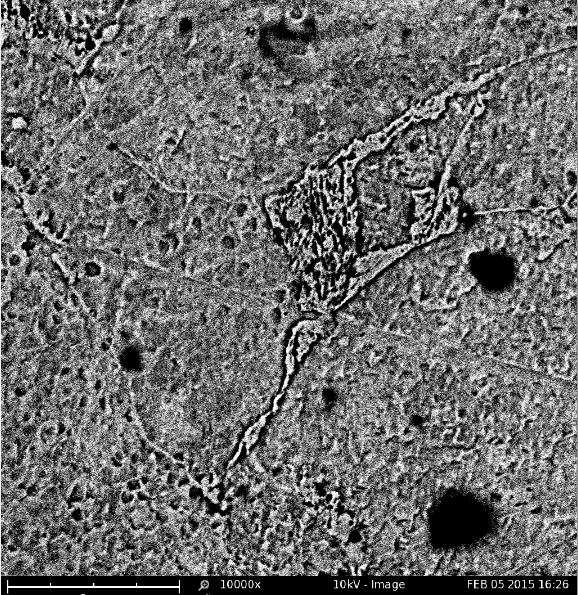
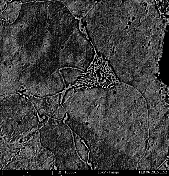
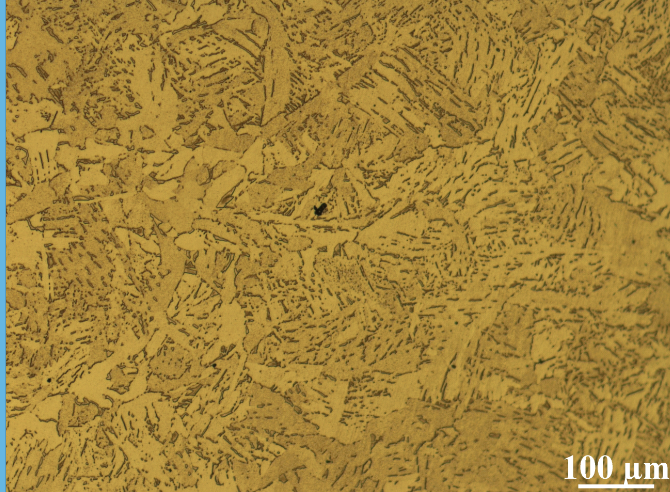
求助金相大神,帮忙确定一下金相组织,或者对金相组织确定提点建议,本小虫感激不尽。
|
|
|
|
|
|
找到一些相关的精华帖子,希望有用哦~
科研从小木虫开始,人人为我,我为人人
|














回复此楼

点击这里搜索更多相关资源