| ²é¿´: 3995 | »Ø¸´: 20 | ||||
dongyikangͳæ (³õÈëÎÄ̳)
|
[ÇóÖú]
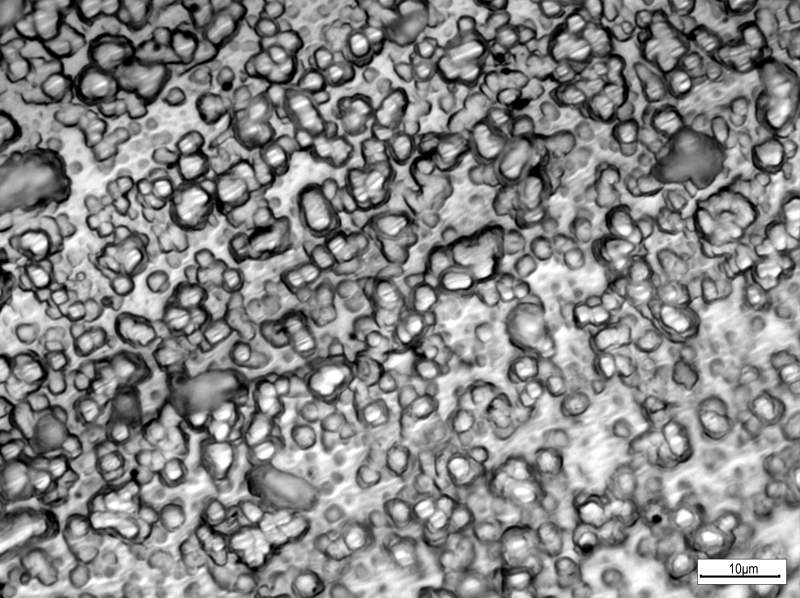
¸÷λ³æÓѰïæ¿´¿´ÂÁµÄÖý̬×éÖ¯½ðÏàͼ¡£ ÒÑÓÐ6È˲ÎÓë
|
|||
![]() |
||||
|
|
||||
dickliu7Ìú¸Ëľ³æ (ÖøÃûдÊÖ)
|
||||
|
2Â¥2015-01-23 17:35:38
|
|
|||
dongyikangͳæ (³õÈëÎÄ̳)
|
||||
![]() |
||||
|
3Â¥2015-01-23 18:24:58
|
|
|||
dickliu7Ìú¸Ëľ³æ (ÖøÃûдÊÖ)
|
||||
|
4Â¥2015-01-23 19:45:03
|
|
|||
wdlwxyhÒø³æ (ÖøÃûдÊÖ)
|
||||
![]() |
||||
|
5Â¥2015-01-23 21:35:36
|
|
|||
zbhwelר¼Ò¹ËÎÊ (ÖªÃû×÷¼Ò)
|
||||
![]() |
||||
|
6Â¥2015-01-23 21:52:48
|
|
|||
dongyikangͳæ (³õÈëÎÄ̳)
|
||||
![]() |
||||
|
7Â¥2015-01-23 22:20:52
|
|
|||
dongyikangͳæ (³õÈëÎÄ̳)
|
||||
![]() |
||||
|
8Â¥2015-01-23 22:21:00
|
|
|||
dongyikangͳæ (³õÈëÎÄ̳)
|
||||
![]() |
||||
|
9Â¥2015-01-23 22:21:09
|
|
|||
zbhwelר¼Ò¹ËÎÊ (ÖªÃû×÷¼Ò)
|
|
|||
![]() |
||||
|
10Â¥2015-01-24 00:08:38
|
|














»Ø¸´´ËÂ¥

