| ²é¿´: 1866 | »Ø¸´: 16 | ||||
yqwang_nxuгæ (СÓÐÃûÆø)
|
[ÇóÖú]
¼¸ÕŽðÏàͼ£¬°ïæ¿´¿´Äý¹Ì¹ý³Ì£¬Ð»Ð»Ð»Ð»Ð»Ð»
|
|
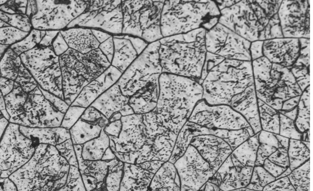
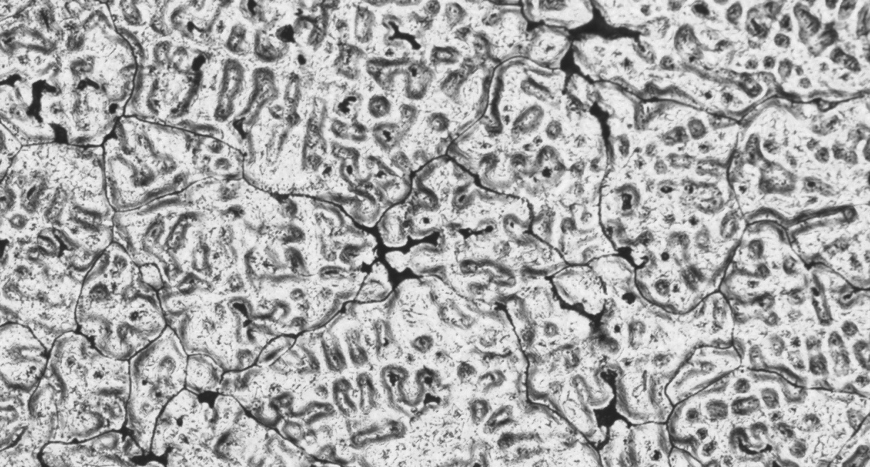
¼¸ÕŽðÏàͼ£¬Óе㿴²»¶®£¬°ïæָµãһϣ¬Ð»Ð» È«²¿¶¼ÊÇÖý̬×éÖ¯£¬Ã»ÓÐÈκÎÈÈ´¦Àí ÈýÔªºÏ½ð£¬³É·ÖÓÐЩ²»Í¬£¬µ«ÎÒ¾õµÃÖ÷Òª»¹ÊǹÌÈÜÌå XRD½á¹û±íÃ÷£¬½á¹¹ºÜµ¥Ò»£¬¶¼ÊÇÌåÐÄÁ¢·½½á¹¹ |
» ÊÕ¼±¾ÌûµÄÌÔÌûר¼ÍƼö
Ñݽ² ±¨¸æ ÉÏ¿ÎËØ²Ä | ²ÄÁÏÀàÖ®áÛ·å¾Þ×÷ |
» ²ÂÄãϲ»¶
Ò»Ö¾Ô¸Ö£ÖÝ´óѧ085600Çóµ÷¼Á
ÒѾÓÐ3È˻ظ´
Çóµ÷¼Á Ò»Ö¾Ô¸Î÷ÄϽ»Í¨´óѧ085701»·¾³¹¤³Ì 282·Ö
ÒѾÓÐ7È˻ظ´
Çóµ÷¼Á
ÒѾÓÐ15È˻ظ´
²ÄÁÏר˶283Çóµ÷¼Á
ÒѾÓÐ15È˻ظ´
£¨µ÷¼Á£©Ò»Ö¾Ô¸±¨¿¼¹þ¶û±õ¹¤Òµ´óѧ0857×ÊÔ´Óë»·¾³×¨Òµ378·Ö¿¼Éú
ÒѾÓÐ3È˻ظ´
±¾¿Æ211£¬293·ÖÇëÇóµ÷¼Á
ÒѾÓÐ9È˻ظ´
315Çóµ÷¼Á
ÒѾÓÐ4È˻ظ´
308Çóµ÷¼Á
ÒѾÓÐ4È˻ظ´
301Çóµ÷¼Á
ÒѾÓÐ4È˻ظ´
304Çóµ÷¼Á
ÒѾÓÐ5È˻ظ´
» ±¾Ö÷ÌâÏà¹Ø¼ÛÖµÌùÍÆ¼ö£¬¶ÔÄúͬÑùÓаïÖú:
¡¾ÇóÖú¡¿Èç¿´·Ö±æ½ðÏàͼÖкڵ㣿
ÒѾÓÐ10È˻ظ´

yqwang_nxu
гæ (СÓÐÃûÆø)
- Ó¦Öú: 0 (Ó×¶ùÔ°)
- Ìû×Ó: 76
- ÔÚÏß: 71.9Сʱ
- ³æºÅ: 1085088
- ×¢²á: 2010-08-30
- ÐÔ±ð: GG
- רҵ: Äý¾Û̬ÎïÐÔ II £ºµç×ӽṹ

2Â¥2011-10-10 17:55:18
yqwang_nxu
гæ (СÓÐÃûÆø)
- Ó¦Öú: 0 (Ó×¶ùÔ°)
- Ìû×Ó: 76
- ÔÚÏß: 71.9Сʱ
- ³æºÅ: 1085088
- ×¢²á: 2010-08-30
- ÐÔ±ð: GG
- רҵ: Äý¾Û̬ÎïÐÔ II £ºµç×ӽṹ

3Â¥2011-10-10 22:01:11
kingron_liu
Òø³æ (СÓÐÃûÆø)
- Ó¦Öú: 0 (Ó×¶ùÔ°)
- ½ð±Ò: 424.9
- ºì»¨: 2
- Ìû×Ó: 54
- ÔÚÏß: 47.6Сʱ
- ³æºÅ: 958352
- ×¢²á: 2010-03-01
- ÐÔ±ð: GG
- רҵ: ½ðÊô¹¦ÄܲÄÁÏ
4Â¥2011-10-11 08:50:16
yqwang_nxu
гæ (СÓÐÃûÆø)
- Ó¦Öú: 0 (Ó×¶ùÔ°)
- Ìû×Ó: 76
- ÔÚÏß: 71.9Сʱ
- ³æºÅ: 1085088
- ×¢²á: 2010-08-30
- ÐÔ±ð: GG
- רҵ: Äý¾Û̬ÎïÐÔ II £ºµç×ӽṹ
|
¡£¡£¡£¡£¡£¡£¡£¡£¡£¡£¡£ Ö÷³É·Ö£ºÄÑÈܽðÊôA¡¢ÖÐÈÛµã½ðÊôB¡¢Cr¡¢Al ͼһ A£º60% B£º20% Al£º20% ͼ¶þ A: 50% B£º40% Cr£º10% ͼÈý£ºA: 40% B£º40% Cr£º20% ÎÒÅÂÓöµ½Í¬ÐУ¬Ð¦»°ÔÛ×öµÄ²»×¨Òµ£¬A¡¢B¾Í²»ËµÁË¡£ ͼÈýºÃÏñÀïÃæÊÇÓÐÊ÷Ö¦¾§£¬µ«ÊÇÎÒ¾õµÃÄý¹Ì¹ý³ÌȷʵºÍͼ¶þ²»Ò»Ñù£¬¾§½ç¶¼ÍäÍäÇúÇúÁË ¹Ø¼üÊÇÒª°Ñͼ¶þ½âÊÍһϣ¬ÎªÉ¶ÔÀ´µÄ¾§Á£ÀïÃæÓÖ¶à³öÀ´ºÜÇåÎúÕâô¶à¾§½ç£¬×îºóÕû¸ö¾§Á£Ï¸»¯ÁË ÁíÍâÁ½·ùÒ²¾ÍËãÁË Ð»Ð»Ð»Ð» |

5Â¥2011-10-11 09:01:11
yqwang_nxu
гæ (СÓÐÃûÆø)
- Ó¦Öú: 0 (Ó×¶ùÔ°)
- Ìû×Ó: 76
- ÔÚÏß: 71.9Сʱ
- ³æºÅ: 1085088
- ×¢²á: 2010-08-30
- ÐÔ±ð: GG
- רҵ: Äý¾Û̬ÎïÐÔ II £ºµç×ӽṹ

6Â¥2011-10-11 09:10:07
yqwang_nxu
гæ (СÓÐÃûÆø)
- Ó¦Öú: 0 (Ó×¶ùÔ°)
- Ìû×Ó: 76
- ÔÚÏß: 71.9Сʱ
- ³æºÅ: 1085088
- ×¢²á: 2010-08-30
- ÐÔ±ð: GG
- רҵ: Äý¾Û̬ÎïÐÔ II £ºµç×ӽṹ

7Â¥2011-10-11 09:12:45
yqwang_nxu
гæ (СÓÐÃûÆø)
- Ó¦Öú: 0 (Ó×¶ùÔ°)
- Ìû×Ó: 76
- ÔÚÏß: 71.9Сʱ
- ³æºÅ: 1085088
- ×¢²á: 2010-08-30
- ÐÔ±ð: GG
- רҵ: Äý¾Û̬ÎïÐÔ II £ºµç×ӽṹ

8Â¥2011-10-11 09:14:24
zzzcwxie
Ìú¸Ëľ³æ (ÖøÃûдÊÖ)
- Ó¦Öú: 5 (Ó×¶ùÔ°)
- ½ð±Ò: 6849
- ºì»¨: 1
- Ìû×Ó: 1833
- ÔÚÏß: 163.7Сʱ
- ³æºÅ: 1300040
- ×¢²á: 2011-05-19
- ÐÔ±ð: GG
- רҵ: ½ðÊô»ù¸´ºÏ²ÄÁÏ
9Â¥2011-10-11 09:37:59
yqwang_nxu
гæ (СÓÐÃûÆø)
- Ó¦Öú: 0 (Ó×¶ùÔ°)
- Ìû×Ó: 76
- ÔÚÏß: 71.9Сʱ
- ³æºÅ: 1085088
- ×¢²á: 2010-08-30
- ÐÔ±ð: GG
- רҵ: Äý¾Û̬ÎïÐÔ II £ºµç×ӽṹ

10Â¥2011-10-11 09:46:02














»Ø¸´´ËÂ¥