| ²é¿´: 2188 | »Ø¸´: 8 | ||
[ÇóÖú]
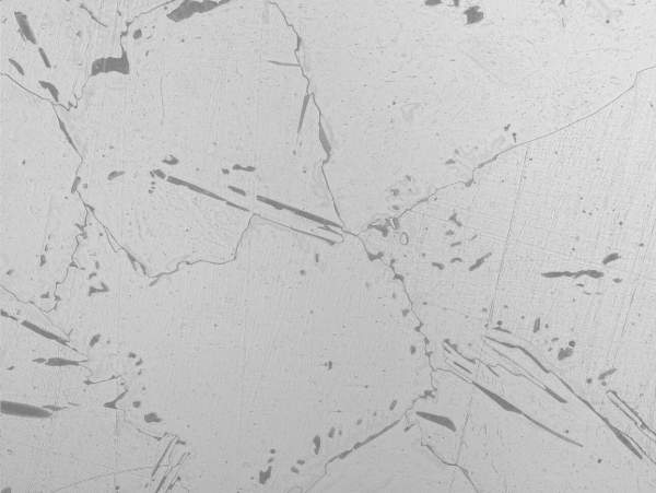
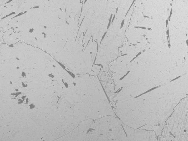
È¡Ïò¹è¸ÖÖý̬×éÖ¯½ðÏàÕÕÆ¬ÉÏÓкܶàºÚÉ«ÎïÖÊ£¬Çó´óÉñ·ÖÎö£¬½â¾ö ÒÑÓÐ1È˲ÎÓë
|
||
|
|
||
xiaomaoyuÒø³æ (СÓÐÃûÆø)
|
¡¾´ð°¸¡¿Ó¦Öú»ØÌû
¡ï ¡ï ¡ï ¡ï ¡ï ¡ï ¡ï ¡ï ¡ï ¡ï
¸Ðл²ÎÓ룬ӦÖúÖ¸Êý +1 ÈýÌìÁ½¾õ: ½ð±Ò+10, ¡ï¡ï¡ïºÜÓаïÖú 2013-12-24 19:03:42
|
|
|
2Â¥2013-12-20 15:14:28
|
|
|
|
3Â¥2013-12-21 22:14:54
|
|
|
xiaomaoyuÒø³æ (СÓÐÃûÆø)
|
||
|
4Â¥2013-12-22 08:30:16
|
|
|
xiaomaoyuÒø³æ (СÓÐÃûÆø)
|
||
|
5Â¥2013-12-22 08:31:19
|
|
|
|
6Â¥2013-12-22 14:20:29
|
|
|
xiaomaoyuÒø³æ (СÓÐÃûÆø)
|
||
|
7Â¥2013-12-23 08:36:43
|
|
|
|
8Â¥2013-12-23 22:08:11
|
|
|
|
||
|
9Â¥2013-12-24 08:49:43
|
|














»Ø¸´´ËÂ¥