| 查看: 1218 | 回复: 2 | |||
[求助]
关于焊缝横截面的组织晶粒大小不一出现分层的问题。 已有2人参与
|
|
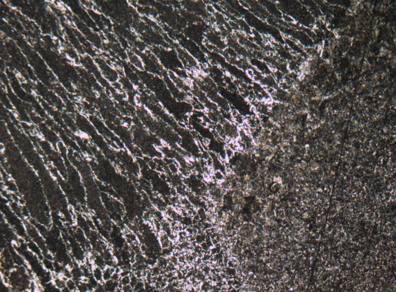
角焊缝焊接,进行微观组织检查,从试样焊缝横截面可以看到多层焊道 。焊缝根部的组织晶粒较细,焊道结合处的晶粒粗大,到焊缝表面,晶粒就更粗大了。这是什么原因,这样的焊缝组织合格吗? 试样.png 焊缝根部.png 层间焊缝.png 近表面焊缝.png |
» 猜你喜欢
308求调剂
已经有4人回复
NSFC申报书里申请人简历中代表性论著还需要在申报书最后的附件里面再上传一遍吗
已经有14人回复
材料与化工一志愿南昌大学327求调剂推荐
已经有6人回复
化学调剂0703
已经有7人回复
327求调剂
已经有11人回复
调剂
已经有8人回复
梁成伟老师课题组欢迎你的加入
已经有7人回复
伙伴们,祝我生日快乐吧
已经有24人回复
中科院材料273求调剂
已经有3人回复
材料工程专硕274一志愿211求调剂
已经有5人回复
» 本主题相关价值贴推荐,对您同样有帮助:
为什么相同放大倍数的细胞不同地方拍摄看起来大小不一
已经有6人回复
焊接试样腐蚀之后观察焊缝区与母材区,晶粒大小不同,颜色差别不大,求原因
已经有7人回复
XRD软件jade和searchmatch匹配的不一样啊
已经有5人回复
怎样在同一个figure中显示两幅大小不一样的图像?
已经有5人回复
单晶是只含有一个晶粒吗?
已经有13人回复
不同大小原始奥氏体晶粒获得的贝氏体,其内部亚结构尺寸是否不同?
已经有6人回复
两次体外转录所得的RNA,经电泳检测,大小不一样
已经有22人回复
奥氏体不锈钢焊缝及热影响区能通过热处理来细化晶粒吗?
已经有31人回复
粒度,晶粒大小和晶体大小 三个概念的区别?
已经有5人回复
体心立方 八面体间隙大小为什么会出现不同方向大小不一样的现象?
已经有3人回复
关于奥氏体晶粒大小的问题
已经有22人回复
PCR产物的电泳条带出问题了!加了oading buffer和不加loading buffer的大小不一样!!
已经有12人回复
我的jade5软件不能显示d值和2T值,请问是我的电脑出问题了吗?
已经有8人回复
焊接热影响区晶粒测定的问题?
已经有3人回复
Xpert Highscore软件和jade5软件算出来的晶粒大小不一样
已经有12人回复
【讨论】目标检测中,分类训练样本和待检测图像的目标大小不一,怎么解决?(顶贴也送
已经有57人回复
【求助】关于镁铝合金的弹性模量
已经有4人回复
要求图的分辨率为300pdi,但是调整后图的大小不一,如何解决
已经有4人回复
【求助】digitalmicrograph软件统计晶粒大小
已经有6人回复
dickliu7
铁杆木虫 (著名写手)
- MM-EPI: 1
- 应助: 559 (博士)
- 金币: 6177.4
- 红花: 82
- 帖子: 1139
- 在线: 299.5小时
- 虫号: 1651509
- 注册: 2012-02-28
- 专业: 金属结构材料
【答案】应助回帖
★ ★ ★ ★ ★ ★ ★ ★ ★ ★
感谢参与,应助指数 +1
静静蓝天: 金币+10, ★★★很有帮助 2015-01-30 14:00:58
感谢参与,应助指数 +1
静静蓝天: 金币+10, ★★★很有帮助 2015-01-30 14:00:58
|
?????????????T??????????????????????l????????????????l????w?_?????r????????????????c?????|????w???????伤(Chilled)?棬??????γ??^С??????S????????????????????????????f???????γ????????????????^???????????????ǘO??????????o??????????????γ???S????????????^????????????????? ??????????????г??F??p????????? |
2楼2015-01-26 16:47:52
zbhwel
专家顾问 (知名作家)
-

专家经验: +782 - MM-EPI: 7
- 应助: 1730 (讲师)
- 贵宾: 0.259
- 金币: 23019.1
- 散金: 1738
- 红花: 272
- 沙发: 22
- 帖子: 5201
- 在线: 1050.9小时
- 虫号: 2249580
- 注册: 2013-01-19
- 性别: GG
- 专业: 金属结构材料
- 管辖: 材料工程

3楼2015-01-26 18:14:01













回复此楼