Znn3bq.jpeg
²é¿´: 1276  |  »Ø¸´: 4

w»¨ÂúÂ¥w

ľ³æ (СÓÐÃûÆø)

[ÇóÖú] ÐÂÊÖÇó½ÌÔ˷ŵĵçѹ·Å´ó±¶Êý ÒÑÓÐ1È˲ÎÓë

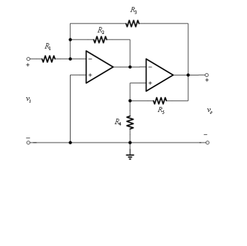
ÀíÏëÔË·Å£¬R3µÄ×÷ÓÃÊÇʲô£¬µçѹ·Å´ó±¶ÊýÔõô¼ÆË㣬Çó½Ì£¬Ð»Ð»£¡

ÐÂÊÖÇó½ÌÔ˷ŵĵçѹ·Å´ó±¶Êý
ÔË·Å.png
»Ø¸´´ËÂ¥

» ²ÂÄãϲ»¶

» ±¾Ö÷ÌâÏà¹Ø¼ÛÖµÌùÍÆ¼ö£¬¶ÔÄúͬÑùÓаïÖú:

ÒÑÔÄ   »Ø¸´´ËÂ¥   ¹Ø×¢TA ¸øTA·¢ÏûÏ¢ ËÍTAºì»¨ TAµÄ»ØÌû

ÏÄÌìÌý²õ

¾èÖú¹ó±ö (ÕýʽдÊÖ)

Ò²ÏëÖªµÀÔõôÇóµÄ

[ ·¢×ÔСľ³æ¿Í»§¶Ë ]
2Â¥2015-01-14 23:28:23
ÒÑÔÄ   »Ø¸´´ËÂ¥   ¹Ø×¢TA ¸øTA·¢ÏûÏ¢ ËÍTAºì»¨ TAµÄ»ØÌû

robotouch

Òø³æ (ÕýʽдÊÖ)

¡¾´ð°¸¡¿Ó¦Öú»ØÌû

¡ï ¡ï ¡ï ¡ï ¡ï
¸Ðл²ÎÓ룬ӦÖúÖ¸Êý +1
w»¨ÂúÂ¥w: ½ð±Ò+5, ¡ï¡ï¡ï¡ï¡ï×î¼Ñ´ð°¸, лл 2015-01-15 19:51:54
1¡¢ÉèµÚ¶þ¸öÔ˷ŵķ´ÏàÊäÈë¶ËµçѹΪUx¡£
2¡¢¸ù¾ÝÔ˷ŵÄÐé¶Ì Ðé¶ÏÌØÐÔ£¬ÁÐдµÚÒ»¸öÔ˷ŵķ´ÏàÊäÈë¶ËµÄ½ÚµãµçÁ÷·½³Ì
3¡¢Í¬2£¬ÁÐдµÚ¶þ¸öÔË·Å·´ÏàÊäÈë¶ËºÍͬÏàÊäÈë¶ËµÄ½ÚµãµçÁ÷·½³Ì¡£
4¡¢ÕâÑù»áµÃµ½Èý¸öº¬ÓÐVi£¬VoºÍVxµÄ·½³Ì£¬Ô¼µôVx£¬¼´¿ÉµÃµ½ViºÍVoµÄ¹ØÏµ£¬´Ó¶øµÃ³ö·Å´ó±¶Êý¡£
Weneedpredator!
3Â¥2015-01-15 10:34:22
ÒÑÔÄ   »Ø¸´´ËÂ¥   ¹Ø×¢TA ¸øTA·¢ÏûÏ¢ ËÍTAºì»¨ TAµÄ»ØÌû

w»¨ÂúÂ¥w

ľ³æ (СÓÐÃûÆø)

ÒýÓûØÌû:
3Â¥: Originally posted by robotouch at 2015-01-15 10:34:22
1¡¢ÉèµÚ¶þ¸öÔ˷ŵķ´ÏàÊäÈë¶ËµçѹΪUx¡£
2¡¢¸ù¾ÝÔ˷ŵÄÐé¶Ì Ðé¶ÏÌØÐÔ£¬ÁÐдµÚÒ»¸öÔ˷ŵķ´ÏàÊäÈë¶ËµÄ½ÚµãµçÁ÷·½³Ì
3¡¢Í¬2£¬ÁÐдµÚ¶þ¸öÔË·Å·´ÏàÊäÈë¶ËºÍͬÏàÊäÈë¶ËµÄ½ÚµãµçÁ÷·½³Ì¡£
4¡¢ÕâÑù»áµÃµ½Èý¸öº¬ÓÐVi£¬VoºÍ ...

µÚ¶þ¼¶Ô˷ŵÄͬÏàÊäÈë¶ËµÄµçλΪv0*R4/(R4+R5)£»
¶ÔÓÚµÚÒ»¼¶ÔË·Å·´ÏàÊäÈë¶ËµÄ½Úµã£¬¸ù¾ÝKCLÁÐд·½³Ì£º
Vi/R1 + Vo/R3 + R4*V0/[R2(R4+R5)]=0
Óɴ˵ãºV0/Vi = 1/(R1*R3) + R4/[R1*R2(R4+R5)]£»
µç×èR3ÊǼ¶¼äµÄ¸º·´À¡µç×è¡£
ÕâÊDZðÈ˸øÎÒµÄÒ»¸ö»Ø´ð£¬¶Ôô£¿
4Â¥2015-01-15 11:26:12
ÒÑÔÄ   »Ø¸´´ËÂ¥   ¹Ø×¢TA ¸øTA·¢ÏûÏ¢ ËÍTAºì»¨ TAµÄ»ØÌû

robotouch

Òø³æ (ÕýʽдÊÖ)

ÒýÓûØÌû:
4Â¥: Originally posted by w»¨ÂúÂ¥w at 2015-01-15 11:26:12
µÚ¶þ¼¶Ô˷ŵÄͬÏàÊäÈë¶ËµÄµçλΪv0*R4/(R4+R5)£»
¶ÔÓÚµÚÒ»¼¶ÔË·Å·´ÏàÊäÈë¶ËµÄ½Úµã£¬¸ù¾ÝKCLÁÐд·½³Ì£º
Vi/R1 + Vo/R3 + R4*V0/=0
Óɴ˵ãºV0/Vi = 1/(R1*R3) + R4/£»
µç×èR3ÊǼ¶¼äµÄ¸º·´À¡µç×è¡£
ÕâÊDZðÈ˸øÎÒ ...

¶Ô
5Â¥2015-01-15 12:51:15
ÒÑÔÄ   »Ø¸´´ËÂ¥   ¹Ø×¢TA ¸øTA·¢ÏûÏ¢ ËÍTAºì»¨ TAµÄ»ØÌû
Ïà¹Ø°æ¿éÌø×ª ÎÒÒª¶©ÔÄÂ¥Ö÷ w»¨ÂúÂ¥w µÄÖ÷Ìâ¸üÐÂ
×î¾ßÈËÆøÈÈÌûÍÆ¼ö [²é¿´È«²¿] ×÷Õß »Ø/¿´ ×îºó·¢±í
[¿¼ÑÐ] 291Çóµ÷¼Á +9 ¹ØÒä±±. 2026-04-14 9/450 2026-04-16 22:49 by cfdbai
[¿¼ÑÐ] 26ҩѧר˶105500Çóµ÷¼Á +6 à¶¹þ¼ÓÓÍ 2026-04-13 7/350 2026-04-16 14:31 by zhouxiaoyu
[¿¼ÑÐ] 085404 298·ÖÇóµ÷¼Á +12 ºôÀ²ºôÀ²ºôºôºô 2026-04-10 13/650 2026-04-16 11:00 by °¢Îij¬
[¿¼ÑÐ] ҩѧÇóµ÷¼Á +14 à¶¹þ¼ÓÓÍ 2026-04-14 16/800 2026-04-16 10:15 by beilsong20
[¿¼ÑÐ] Çóµ÷¼ÁѧУ +14 ²»»á³ÔÈâ 2026-04-13 16/800 2026-04-15 21:59 by noqvsozv
[¿¼ÑÐ] 085404 22408 309·ÖÇóµ÷¼Á +9 lzmk 2026-04-14 10/500 2026-04-15 20:02 by ѧԱJpLReM
[¿¼ÑÐ] ҩѧÇóµ÷¼Á +11 RussHu 2026-04-12 13/650 2026-04-15 19:07 by zhuwenxu
[¿¼ÑÐ] 310Çóµ÷¼Á +16 666ÕæºÃ 2026-04-11 18/900 2026-04-15 13:28 by ºÚ¿Æ¼¼¿óÒµ
[¿¼ÑÐ] ²ÄÁÏרҵ344Çóµ÷¼Á +17 hualkop 2026-04-10 22/1100 2026-04-14 16:21 by sxdj2
[¿¼ÑÐ] 279Çóµ÷¼Á +12 ÕÅ·¬ÇѲ»³´µ° 2026-04-11 12/600 2026-04-14 15:38 by zs92450
[¿¼ÑÐ] 085600²ÄÁÏÓ뻯¹¤349·ÖÇóµ÷¼Á +16 Àîľ×Ó°¡¹þ¹þ 2026-04-12 17/850 2026-04-14 09:11 by fenglj492
[¿¼ÑÐ] ¿¼ÑÐÇóµ÷¼Á +12 ×ÓľÄÅ 2026-04-12 13/650 2026-04-14 01:19 by Íõ¬Bè±
[¿¼ÑÐ] 293Çóµ÷¼Á +16 ÎÒ°®¸ßÊý¸ßÊý°®Î 2026-04-12 18/900 2026-04-13 21:47 by ѧԱJpLReM
[¿¼ÑÐ] Ò»Ö¾Ô¸Ïôó0856£¬306Çóµ÷¼Á +15 Bblinging 2026-04-11 15/750 2026-04-11 22:53 by 314126402
[¿¼ÑÐ] ¹ã¶«Ê¡ 085601 329·ÖÇóµ÷¼Á +14 Eddieddd 2026-04-10 14/700 2026-04-11 09:58 by bljnqdcc
[¿¼ÑÐ] 346£¬¹¤¿Æ0854Çóµ÷¼Á£¬×¨Ë¶ +7 moser233 2026-04-10 8/400 2026-04-11 08:52 by Öí»á·É
[¿¼ÑÐ] 342µç×ÓÐÅϢר˶Çóµ÷¼Á +9 ÄãÈÃÎÒÔõôÀóÖ¦ 2026-04-10 10/500 2026-04-11 08:33 by zhq0425
[¿¼ÑÐ] 263ÄÜÔ´¶¯Á¦×¨Ë¶Çóµ÷¼Á +3 ¼Ó´óºÅ·¹ºÐ´ü 2026-04-10 3/150 2026-04-10 22:23 by 286640313
[¿¼ÑÐ] 368Çóµ÷¼Á +3 17385968172 2026-04-10 3/150 2026-04-10 20:12 by µç×Ӱµ±ë
[¿¼ÑÐ] 0858Çóµ÷¼Á 5+5 Gky09300550£¬ 2026-04-10 8/400 2026-04-10 19:13 by chemisry
ÐÅÏ¢Ìáʾ
ÇëÌî´¦ÀíÒâ¼û