| 查看: 1316 | 回复: 6 | ||
徐众享金虫 (小有名气)
|
[求助]
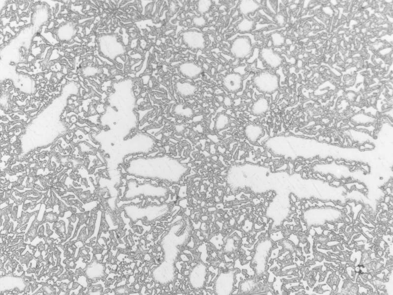
想问几张金相图片的问题很急啊!!! 已有2人参与
|
百宝箱 |
» 猜你喜欢
复试调剂,一志愿南农083200食品科学与工程
已经有4人回复
一志愿太原理工安全工程300分,求调剂
已经有3人回复
284求调剂
已经有11人回复
食品工程专硕求调剂
已经有3人回复
324求调剂
已经有7人回复
一志愿武汉理工,总分321,英一数二,求老师收留。
已经有4人回复
287求调剂
已经有7人回复
325求调剂
已经有5人回复
343求调剂
已经有4人回复
求调剂推荐 材料 304
已经有4人回复
» 本主题相关商家推荐: (我也要在这里推广)
» 本主题相关价值贴推荐,对您同样有帮助:
关于金相图片的问题
已经有9人回复
金相图片的标注问题
已经有6人回复
求学术大神指点,急用,下图是本人做的一张金相照片,判断是否为晶粒图片
已经有44人回复
求大神们帮忙看看我的TC11钛合金金相问题,之前图挂了,重新发
已经有10人回复
大家看看这两张金相图片中有哪些显微组织?
已经有13人回复
不同的激光焊接工艺下的两张金相照片,有明显的差异,请帮忙分析一下。
已经有10人回复
奥氏体高锰钢变形的金相照片中为什么总有很多小黑点
已经有15人回复
现在金相照片上标100μm的放大倍数多少?如何换算?
已经有13人回复
英文文章里图片的分辨率问题,很急啊,大家帮帮我吧!
已经有5人回复
金相图片上有很多小黑点是怎么回事
已经有59人回复
急:大家帮我看下:金相照片上怎么这么多浮凸的点啊
已经有28人回复
分享一个测量页面多点距离和角度的小工具E-rule,可以用来处理金相等图片
已经有248人回复
42CrMo4材质的金相图片。讨论一下其中的问题。
已经有15人回复
为什么我的两张冲击前后的金相图片看不出差别啊?求教各位前辈
已经有14人回复

![]() ![]() |
2楼2014-12-17 21:23:37
3楼2014-12-17 23:50:26
ruirui4598
木虫 (正式写手)
- 应助: 49 (小学生)
- 金币: 3991.6
- 红花: 11
- 帖子: 357
- 在线: 32.2小时
- 虫号: 3602302
- 注册: 2014-12-19
- 专业: 金属材料的微观结构
4楼2014-12-19 07:00:59
zgj8613
新虫 (正式写手)
- 应助: 37 (小学生)
- 金币: 2571.8
- 散金: 1
- 红花: 3
- 帖子: 387
- 在线: 144.9小时
- 虫号: 343764
- 注册: 2007-04-12
- 性别: GG
- 专业: 金属材料
5楼2014-12-19 12:06:13
6楼2014-12-21 23:32:40
ruirui4598
木虫 (正式写手)
- 应助: 49 (小学生)
- 金币: 3991.6
- 红花: 11
- 帖子: 357
- 在线: 32.2小时
- 虫号: 3602302
- 注册: 2014-12-19
- 专业: 金属材料的微观结构
7楼2014-12-25 20:40:09















回复此楼
