| 查看: 1137 | 回复: 2 | ||
[求助]
合金钢金相分析 已有1人参与
|
|
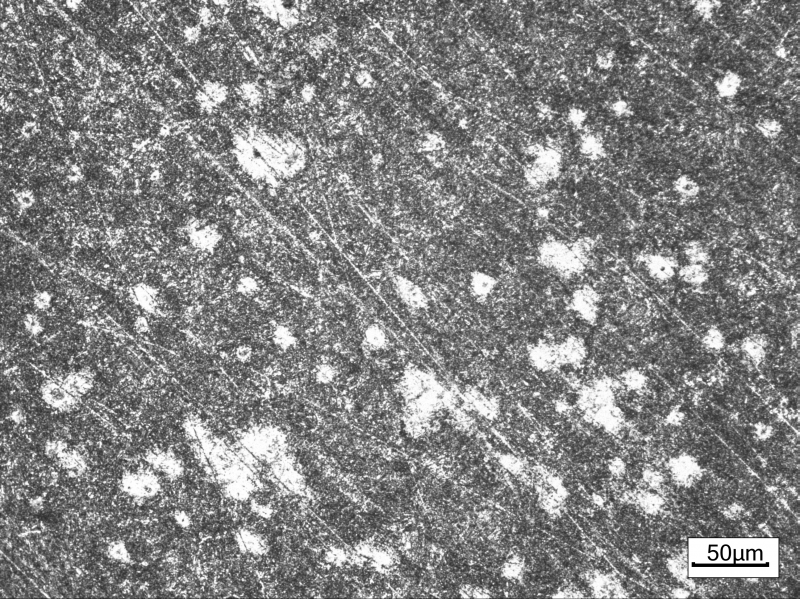
1:我想问下合金钢淬火回火后金相中为什么会出现白色的圆状物质。并且淬火温度越高白色组织越大?请问是不是残余奥氏体呀? 2:高度为12mm长10mm的长方体截面。有硝酸酒精腐蚀时间多久最好!!! 3:有没有清晰版的钢热处理金相图谱呀? 840淬火‘ |
» 猜你喜欢
292求调剂
已经有8人回复
求调剂
已经有4人回复
一志愿 西北大学 总分282 英语一62 求调剂
已经有3人回复
调剂310
已经有4人回复
北科281学硕材料求调剂
已经有16人回复
一志愿上海交大生物与医药专硕324分,求调剂
已经有6人回复
一志愿哈工大,085400,320,求调剂
已经有4人回复
316求调剂
已经有9人回复
085600 材料与化工 329分求调剂
已经有8人回复
0856求调剂
已经有6人回复
» 本主题相关价值贴推荐,对您同样有帮助:
组织分析(彩色金相与扫描电镜)
已经有14人回复
大家看看这两张金相图片中有哪些显微组织?
已经有13人回复
镍铂合金金相分析
已经有5人回复
求助铝硅合金金相问题
已经有6人回复
帮忙看下金相组织
已经有28人回复
镁合金AZ91D的DTA分析及铸态金相分析
已经有4人回复
求Q690低合金高强钢金相组织分析
已经有32人回复
大家帮我分析一下双相不锈钢金相组织
已经有30人回复
关于高咯铸铁金相分析
已经有5人回复
求助铝铜合金金相分析
已经有9人回复
低合金钢的金相组织图片鉴定及分析
已经有24人回复
42CrMo4材质的金相图片。讨论一下其中的问题。
已经有15人回复
Ti合金成分分析求助
已经有7人回复
【求助】镁合金金相图片分析
已经有11人回复
【求助】金相组织中相比例用什么软件进行定量计算
已经有11人回复
【求助】低碳高合金钢拉伸断口形貌分析
已经有10人回复
【求助】这是什么金相组织?如何形成的?
已经有11人回复
【求助】求助-12Cr1MoV现场金相分析
已经有14人回复
【请教】低碳高合金钢晶界腐蚀方法
已经有10人回复
【求助】金相图片定量分析
已经有18人回复
【请教】关于金相组织观察设备
已经有11人回复
2楼2014-05-11 10:32:48
3楼2014-06-19 13:42:45













回复此楼
