| 查看: 2196 | 回复: 4 | |
[求助]
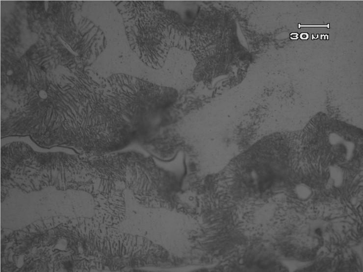
镁合金AZ91D的DTA分析及铸态金相分析
|
|
![]() |
|
|
|
|
![]() |
|
|
2楼2012-06-26 15:50:38
|
|
|
3楼2012-06-27 11:43:36
|
|
![]() |
|
|
4楼2012-06-28 11:36:37
|
|
kokon1022金虫 (小有名气)
|
|
|
5楼2012-07-12 17:38:17
|
|













回复此楼
项少龙羽

