| 查看: 979 | 回复: 5 | ||
[求助]
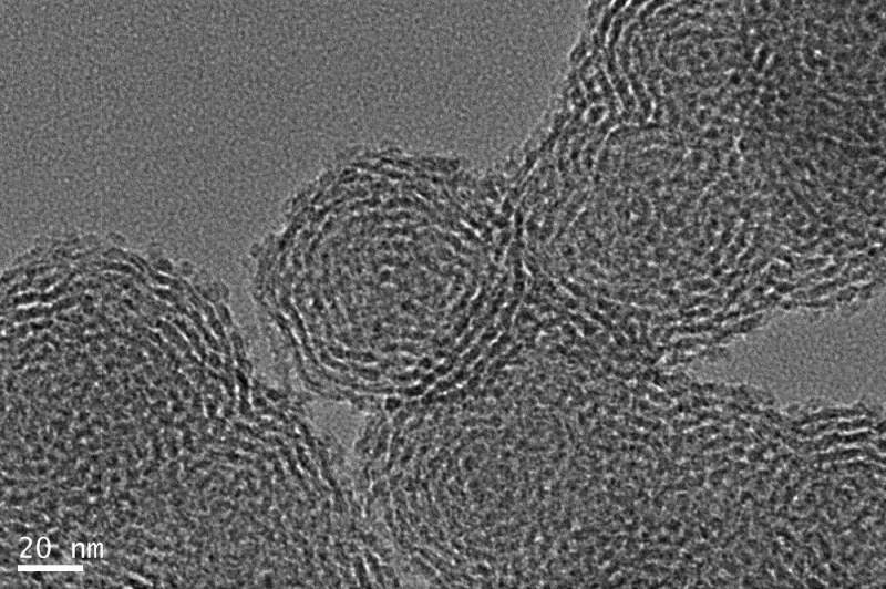
这种孔道形貌的纳米二氧化硅是否常见?
|
|
请懂制备纳米二氧化硅的朋友帮忙看下 我偶然制备出以下形貌的纳米二氧化硅,我对这个领域懂得不多,只看过几篇文献,但没看到过这种形貌。想知道继续做下去是否有意义。 有谁知道有没有其它人做过类似的?如果有能告知文献的题目吗?谢谢了。 透射电镜观测结果 [ Last edited by xais on 2014-3-19 at 00:52 ] |
» 猜你喜欢
招生负责_院士团队_学生高自由度成长_擅长学生培养
已经有5人回复
温州大学招收2026年入学博士研究生(化学、材料、环境)
已经有10人回复
无机化学论文润色/翻译怎么收费?
已经有126人回复
非晶合金
已经有2人回复
院士团队-每届学生都优秀-高自由度-团队氛围好
已经有0人回复
求调剂
已经有3人回复
化工学院(学院正式调剂群+联系方式)
已经有0人回复
化工学院(学院官方群)-院士团队招生-学生自由度高-培养模式成熟高效
已经有0人回复
黑龙江大学分析化学招调剂
已经有0人回复
武汉高校国家级人才团队招收材料,化学,纺织等专业硕士调剂生
已经有26人回复
纺大化工学院(官方群)-院士团队招生-学生自由度高发展好-培养模式成熟
已经有0人回复
» 本主题相关商家推荐: (我也要在这里推广)
» 本主题相关价值贴推荐,对您同样有帮助:
溶胶凝胶法制备纳米二氧化硅
已经有20人回复
为什么加入纳米二氧化硅后材料强度下降好多
已经有5人回复
纳米二氧化硅分散液在加碱后颜色的变化
已经有16人回复
纳米二氧化硅制备
已经有18人回复
纳米二氧化硅为什么进行疏水化
已经有24人回复
二氧化硅纳米粒子疏水处理SEM图片
已经有15人回复
求助做纳米二氧化硅改性的问题
已经有12人回复
纳米二氧化硅粒子高温煅烧的意义?
已经有12人回复
求助0.06%纳米二氧化硅水溶液的配置问题
已经有10人回复
【讨论】这个“纳米二氧化硅”也太搞了,如何造假 Nano SiO2
已经有27人回复
【求助】有关于纳米二氧化硅的购买。
已经有8人回复
【请教】做纳米二氧化硅包裹,如何去除表活剂呀?
已经有22人回复
【求助】请教 可以合成出纳米二氧化硅晶体吗?
已经有3人回复
2楼2014-03-19 01:24:36
naomi837
金虫 (正式写手)
- 应助: 7 (幼儿园)
- 金币: 3024.2
- 散金: 188
- 红花: 2
- 帖子: 451
- 在线: 853.7小时
- 虫号: 466655
- 注册: 2007-11-24
- 专业: 无机非金属材料
3楼2014-03-19 08:23:11
4楼2014-03-19 12:18:51
5楼2014-03-19 12:18:59
sryuxmu
铁杆木虫 (小有名气)
- 应助: 13 (小学生)
- 金币: 7597.3
- 散金: 11
- 红花: 14
- 帖子: 179
- 在线: 359.5小时
- 虫号: 1619148
- 注册: 2012-02-15
- 专业: 高分子物理与高分子物理化
6楼2014-03-19 13:40:56













回复此楼