版块导航
正在加载中...
客户端APP下载
论文辅导
申博辅导
登录
注册
帖子
帖子
用户
本版
应《网络安全法》要求,自2017年10月1日起,未进行实名认证将不得使用互联网跟帖服务。为保障您的帐号能够正常使用,请尽快对帐号进行手机号验证,感谢您的理解与支持!
24小时热门版块排行榜
>
论坛更新日志
(719)
>
虫友互识
(40)
>
公派出国
(31)
>
导师招生
(20)
>
论文投稿
(19)
>
考博
(16)
>
硕博家园
(11)
>
论文道贺祈福
(10)
>
基金申请
(10)
>
教师之家
(9)
>
休闲灌水
(9)
>
博后之家
(6)
>
考研
(5)
>
专业外语
(4)
>
找工作
(4)
>
文献求助
(4)
小木虫论坛-学术科研互动平台
»
材料区
»
金属
»
热处理
»
淬火冷速对马氏体组织的影响
2
1/1
返回列表
查看: 1401 | 回复: 1
只看楼主
@他人
存档
新回复提醒
(忽略)
收藏
在APP中查看
Toadguang
新虫
(初入文坛)
应助: 0
(幼儿园)
金币: 15.5
帖子: 19
在线: 4.8小时
虫号: 2423788
注册: 2013-04-18
专业: 金属结构材料
[交流]
淬火冷速对马氏体组织的影响
已有1人参与
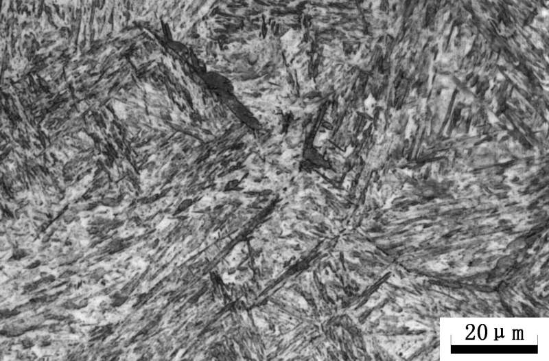
我最近看了一篇文献,文中讲的合金钢,不同冷速的不同组织,有一点不明白的是,为什么冷速最大的时候是板条马氏体,冷速越来越小,却转变成针状马氏体了,很不明白。本人没有木虫币了,请知道的高人给我解释一下。其中(a)(b)(c)(d)的冷速分别为(a)14 ℃/s; (b)1.4 ℃/s; (c)0.28 ℃/s;(d)0.14 ℃/s;
a
b
c
d
回复此楼
» 猜你喜欢
A期刊撤稿
已经有3人回复
职称评审没过,求安慰
已经有34人回复
垃圾破二本职称评审标准
已经有17人回复
回收溶剂求助
已经有6人回复
投稿Elsevier的Neoplasia杂志,到最后选publishing options时页面空白,不能完成投稿
已经有22人回复
申请26博士
已经有5人回复
EST投稿状态问题
已经有7人回复
毕业后当辅导员了,天天各种学生超烦
已经有4人回复
求助文献
已经有3人回复
投稿返修后收到这样的回复,还有希望吗
已经有8人回复
高级回复
» 本主题相关价值贴推荐,对您同样有帮助:
老师要我淬火得出完全马氏体组织,请教可能性
已经有38人回复
不同大小原始奥氏体晶粒获得的贝氏体,其内部亚结构尺寸是否不同?
已经有6人回复
热处理制度 1100℃水冷 和 固溶 有什么区别?
已经有7人回复
一个马氏体淬火的问题
已经有3人回复
扫描照片中的珠光体片层不均匀并且有短线状(右下角)的组织是什么原因
已经有10人回复
金相组织:在黑色的马氏体基体上分布有少量珠光体组织...
已经有5人回复
钛合金淬火得到的马氏体都是α'马氏体吗? 不论α钛合金还是β钛合金?
已经有18人回复
热处理硬度不均匀
已经有23人回复
急!本科毕设 请高手指教 淬火后马氏体中的白色组织是什么
已经有18人回复
齿轮渗碳淬火后表层马氏体会比心部的马氏体多吗??
已经有13人回复
马氏体,索氏体,奥氏体等各种钢里面的组织,它们的硬度分别是多少呢?
已经有6人回复
什么叫淬冷?谢谢
已经有5人回复
关于热处理的几个问题
已经有7人回复
请教钢热处理中Cr的作用
已经有8人回复
淬火冷却速度和残余奥氏体量的关系
已经有16人回复
马氏体转变终了温度Mf???
已经有32人回复
小白求助~410马氏体不锈钢硬度很低,是组织上的问题吗?有图。
已经有22人回复
回火后硬度差别大
已经有17人回复
试分析冷却速度对过冷奥氏体转变的影响
已经有5人回复
关于铁碳相图的一个思考。
已经有18人回复
【讨论】关于低碳钢淬火问题
已经有34人回复
【求助】马氏体耐热钢(高合金)淬火硬度为什么与碳钢和低合金钢不一样(含碳量一样)
已经有26人回复
【求助】42CrMo淬火
已经有8人回复
【求助】如何理解淬火过程中在Ms点以下某温度等温,马氏体转变会停止?
已经有6人回复
【讨论】马氏体组织粗细的讨论
已经有9人回复
努力学习,持续进步!
1楼
2014-01-03 15:34:41
已阅
回复此楼
关注TA
给TA发消息
送TA红花
TA的回帖
小漾君
新虫
(小有名气)
应助: 0
(幼儿园)
金币: 434.4
帖子: 71
在线: 21.3小时
虫号: 5389702
注册: 2016-12-23
专业: 金属基复合材料
求文献
发自小木虫Android客户端
回复此楼
2楼
2017-11-14 20:52:54
已阅
回复此楼
关注TA
给TA发消息
送TA红花
TA的回帖
相关版块跳转
材料综合
材料工程
微米和纳米
晶体
金属
无机非金属
生物材料
功能材料
复合材料
我要订阅楼主
Toadguang
的主题更新
2
1/1
返回列表
如果回帖内容含有宣传信息,请如实选中。否则帐号将被全论坛禁言
普通表情
龙
兔
虎
猫
高级回复
(可上传附件)
百度网盘
|
360云盘
|
千易网盘
|
华为网盘
在新窗口页面中打开自己喜欢的网盘网站,将文件上传后,然后将下载链接复制到帖子内容中就可以了。
信息提示
关闭
请填处理意见
关闭
确定