| ²é¿´: 1791 | »Ø¸´: 5 | ||
1131573602Ìú³æ (СÓÐÃûÆø)
|
[ÇóÖú]
Çë½ÌKEGGÉÏ´úлͼµÄ½â¶Á ÒÑÓÐ3È˲ÎÓë
|
|
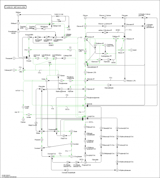
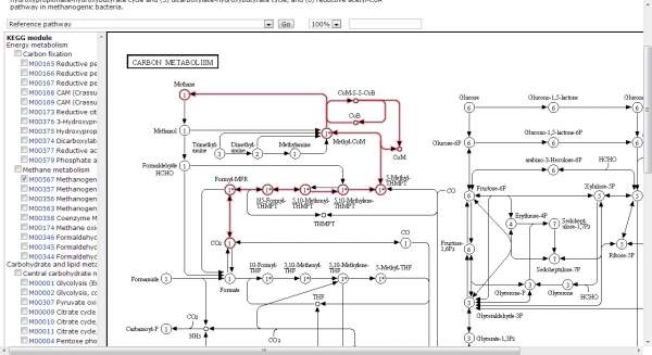
Ïë¹¹½¨Ä¾´×¸Ë¾ú´úÐ»ÍøÂ磬ÔÚKEGGÉϲéÕÒÏà¹Ø×ÊÁÏ£¬ÕâÕÅͼÉϵÄÂÌÏ߸úºÚÏß·Ö±ð±íʾʲôÒâ˼°¡£¬»¹Óе¥¼ýÍ·¸úË«¼ýÍ·£¬¸Õ½Ó´¥£¬¿´²»¶®¡£ awo01200.png |
» ±¾ÌûÒÑ»ñµÃµÄºì»¨£¨×îÐÂ10¶ä£©
» ²ÂÄãϲ»¶
µ°°×Öʼì²â£º¾«×¼·ÖÎö£¬½âËøÉúÎï·Ö×ÓµÄÃÜÂë
ÒѾÓÐ0È˻ظ´
²»ºÏÀíÍÜ¿ÆÑÐʵÑé֮СÊóʵÑ飺ÑϽ÷Éè¼Æ£¬½âÎöÉúÃü»úÖÆµÄÖØÒªÔØÌå
ÒѾÓÐ0È˻ظ´
»¯Ñ§¹¤³Ì¼°¹¤Òµ»¯Ñ§ÂÛÎÄÈóÉ«/·ÒëÔõôÊÕ·Ñ?
ÒѾÓÐ196È˻ظ´
²»ºÏÀíÍÜ¿ÆÑÐʵÑéÖ®ÖØ½ðÊô¼ì²â£º¾«×¼É¸²é£¬ÊØ»¤½¡¿µÓë»·¾³µÄ·ÀÏß
ÒѾÓÐ0È˻ظ´
²»ºÏÀíÍÜ¿ÆÑÐʵÑéÖ®¡°ÍܲâÖØ½ðÊôÎÒ±³¹øÈýǧ¡±
ÒѾÓÐ0È˻ظ´
²»ºÏÀíÍÜ¿ÆÑÐʵÑéÖ®¡°ÊóÌÓÈý´ÎÎÒ·¢ÈýƪSCI¡±
ÒѾÓÐ0È˻ظ´
ÄÉÃ×Á£¶È·ÖÎö
ÒѾÓÐ3È˻ظ´
ÁÖ¿ÆÔºÁÖ»¯ËùÕÐÊÕ²ÄÁÏÓ뻯¹¤×¨ÒµË¶Ê¿£¬×ø±êÄϾ©
ÒѾÓÐ0È˻ظ´
Áôѧ--²©Ê¿ÕÐÉú
ÒѾÓÐ15È˻ظ´
»¯Ñ§¹¤³Ì£¬±¾211£¬Çóµ÷¼Á£¬abÇø²»ÏÞ
ÒѾÓÐ4È˻ظ´
» ±¾Ö÷ÌâÏà¹Ø¼ÛÖµÌùÍÆ¼ö£¬¶ÔÄúͬÑùÓаïÖú:
¡¾Ô´´¡¿ÈçºÎÀûÓÃKEGG¶¨Î»»ùÒòÊôÓÚÄĸö´úлͨ·
ÒѾÓÐ22È˻ظ´

1131573602
Ìú³æ (СÓÐÃûÆø)
- Ó¦Öú: 2 (Ó×¶ùÔ°)
- ½ð±Ò: 381.3
- ºì»¨: 1
- Ìû×Ó: 55
- ÔÚÏß: 38.2Сʱ
- ³æºÅ: 1396503
- ×¢²á: 2011-09-09
- רҵ: ΢ÉúÎïÉúÀíÓëÉúÎﻯѧ

2Â¥2013-12-15 19:06:07

3Â¥2013-12-15 19:40:47
Сľ³æÁõÊ÷Çà
ľ³æ (ÖøÃûдÊÖ)
ҹδÃß
- Ó¦Öú: 28 (СѧÉú)
- ½ð±Ò: 2283.4
- É¢½ð: 1211
- ºì»¨: 37
- Ìû×Ó: 1090
- ÔÚÏß: 206.3Сʱ
- ³æºÅ: 1132496
- ×¢²á: 2010-10-26
- ÐÔ±ð: GG
- רҵ: ÉúÎïÐÅϢѧ

4Â¥2013-12-15 20:09:56
5Â¥2013-12-17 15:48:03
libranjie
ľ³æ (СÓÐÃûÆø)
- Ó¦Öú: 10 (Ó×¶ùÔ°)
- ½ð±Ò: 1570.9
- É¢½ð: 75
- ºì»¨: 8
- Ìû×Ó: 147
- ÔÚÏß: 89.3Сʱ
- ³æºÅ: 2535241
- ×¢²á: 2013-07-06
- ÐÔ±ð: GG
- רҵ: ÉúÎïÐÅϢѧ
¡¾´ð°¸¡¿Ó¦Öú»ØÌû
|
ÎÒ²»È·¶¨ÄãͼƬÉϵÄÂÌÏßÊÇÔõôÉú³ÉµÄ£¬µ«ÊÇÏÔÈ»°´ÕÕ¸½¼þÖÐÑ¡Ôñ²»Í¬µÄ ·ÖÀàÀ´Ñ¡ÔñµÄ»°»áָʾÄã¶ÔÓ¦µÄ£¬Methanogenesis, CO2 => methane ÒÔÆäÖеÄ4 + 6 <-> 3 + 7Æäʵ¾ÍÊÇ Sedoheptulose 7-phosphate + D-Glyceraldehyde 3-phosphate <=> D-Ribose 5-phosphate + D-Xylulose 5-phosphate http://www.genome.jp/Fig/reaction/R01641.gif ÕâÊÇÒ»¸ö·´Ó¦°¡¡£ kegg.jpg |
6Â¥2013-12-26 16:48:42













»Ø¸´´ËÂ¥
1131573602