| ²é¿´: 3151 | »Ø¸´: 1 | |
winnier123гæ (³õÈëÎÄ̳)
|
[ÇóÖú]
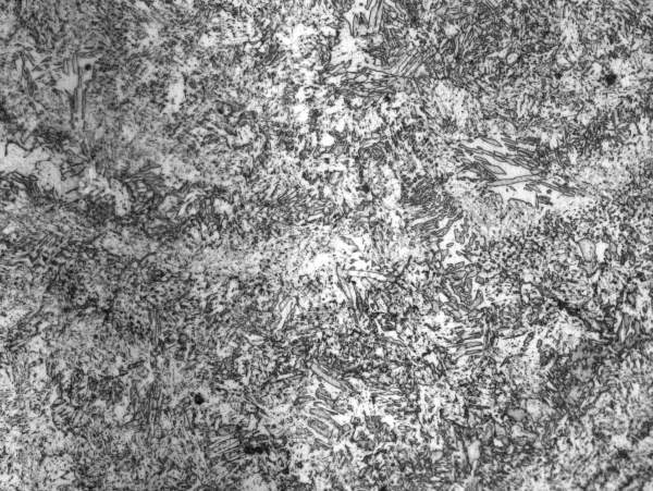
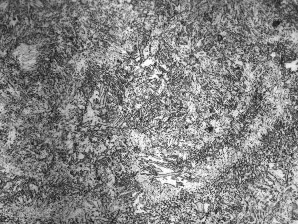
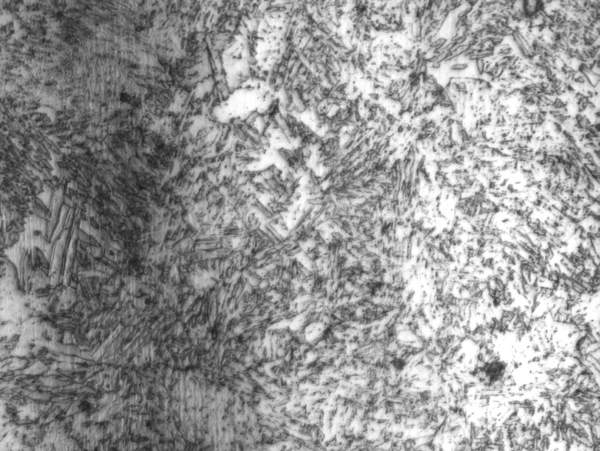
304²»Ðâ¸Ö¼¤¹âº¸½Ó½ÓÍ·¸¯Ê´µÄ½ðÏàÕÕÆ¬£¬Çë¸ßÊÖ°ïæ·ÖÎöÏ ÒÑÓÐ1È˲ÎÓë
|
|
|
|
haokangdaÒø³æ (СÓÐÃûÆø)
|
|
![]() |
|
|
2Â¥2013-12-19 09:30:48
|
|













»Ø¸´´ËÂ¥

100