| 查看: 3337 | 回复: 18 | |||
青青de羊铁杆木虫 (著名写手)
|
[求助]
5052铝合金抛光、腐蚀、组织观察的问题请教
|
|
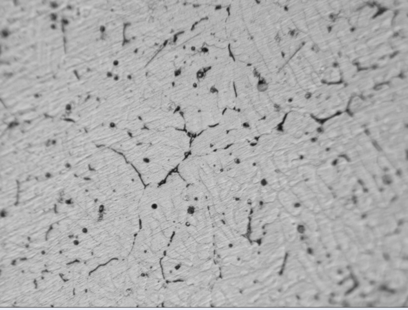
第一次做铝合金的,做的是5052铝合金,从400磨到2000后抛光的,感觉划痕很多就是抛不好,试了用keller试剂把那些细小划痕侵蚀掉,侵蚀了80s左右的时间,结果感觉晶粒出来了,我就想看看里面的夹杂物的情况,各位请帮下看看下面几个图里那些是不是夹杂物相呢,做扫描电镜还得等排队等,先请教下,谢谢! QQ截图100倍下.png 200倍.png 500倍.png |
» 收录本帖的淘帖专辑推荐
铝合金金相 |
» 猜你喜欢
孩子确诊有中度注意力缺陷
已经有9人回复
2025冷门绝学什么时候出结果
已经有3人回复
天津工业大学郑柳春团队欢迎化学化工、高分子化学或有机合成方向的博士生和硕士生加入
已经有4人回复
康复大学泰山学者周祺惠团队招收博士研究生
已经有6人回复
AI论文写作工具:是科研加速器还是学术作弊器?
已经有3人回复
2026博士申请-功能高分子,水凝胶方向
已经有6人回复
论文投稿,期刊推荐
已经有4人回复
硕士和导师闹得不愉快
已经有13人回复
请问2026国家基金面上项目会启动申2停1吗
已经有5人回复
同一篇文章,用不同账号投稿对编辑决定是否送审有没有影响?
已经有3人回复
» 本主题相关商家推荐: (我也要在这里推广)
» 本主题相关价值贴推荐,对您同样有帮助:
铝合金抛光起灰
已经有24人回复
关于6063铝合金腐蚀问题
已经有7人回复
铝合金金相问题求助
已经有10人回复
请问大家在抛光时金相抛光剂的粒度一般都用多少?
已经有11人回复
6系铝合金的腐蚀
已经有3人回复
请教下Al-Si过共晶的组织问题
已经有21人回复
铝合金腐蚀实验前表面处理
已经有4人回复
铝合金 变形之后 金相腐蚀
已经有20人回复
铝合金抛光后黑点和划痕问题求助
已经有13人回复
关于铝试样的磨、抛光问题
已经有58人回复
铝合金金相常用腐蚀剂
已经有345人回复
纯铝加细化剂,磨金相抛光后未腐蚀OM观察,大量黑斑是什么
已经有28人回复
关于铝合金金相,困扰我好久了,大家帮忙哦
已经有33人回复
腐蚀铝合金需要很长时间,另相η、η'的区别?
已经有8人回复
l铝合金的腐刻问题
已经有4人回复
3003铝合金腐蚀
已经有22人回复
铝合金的晶界腐蚀
已经有18人回复
【求助】铝合金电解抛光表面小黑点问题
已经有26人回复
【求助】关于铝合金的砂纸打磨、抛光腐蚀问题
已经有6人回复
【求助】腐蚀后的试样能不经过细磨再次抛光吗?
已经有20人回复
【求助】请教关于铝合金抛光的问题
已经有26人回复
【讨论】AZ31B镁合金的抛光腐蚀问题
已经有11人回复
【请教】7050铝合金和2124铝合金金相如何腐蚀
已经有19人回复
332584620
铁虫 (初入文坛)
- 应助: 1 (幼儿园)
- 金币: 81
- 帖子: 19
- 在线: 8.7小时
- 虫号: 1895384
- 注册: 2012-07-16
- 性别: GG
- 专业: 金属材料的合金相、相变及

2楼2013-05-21 14:16:49
3楼2013-05-21 16:09:11
青青de羊
铁杆木虫 (著名写手)
- 应助: 3 (幼儿园)
- 金币: 7426.5
- 散金: 143
- 红花: 3
- 帖子: 1243
- 在线: 415小时
- 虫号: 1648632
- 注册: 2012-02-27
- 性别: GG
- 专业: 特殊冶金、外场冶金与冶金
4楼2013-05-21 16:12:29
5楼2013-05-21 16:18:07
青青de羊
铁杆木虫 (著名写手)
- 应助: 3 (幼儿园)
- 金币: 7426.5
- 散金: 143
- 红花: 3
- 帖子: 1243
- 在线: 415小时
- 虫号: 1648632
- 注册: 2012-02-27
- 性别: GG
- 专业: 特殊冶金、外场冶金与冶金
6楼2013-05-21 16:43:49
青青de羊
铁杆木虫 (著名写手)
- 应助: 3 (幼儿园)
- 金币: 7426.5
- 散金: 143
- 红花: 3
- 帖子: 1243
- 在线: 415小时
- 虫号: 1648632
- 注册: 2012-02-27
- 性别: GG
- 专业: 特殊冶金、外场冶金与冶金
7楼2013-05-21 16:44:31
8楼2013-05-21 18:29:52
青青de羊
铁杆木虫 (著名写手)
- 应助: 3 (幼儿园)
- 金币: 7426.5
- 散金: 143
- 红花: 3
- 帖子: 1243
- 在线: 415小时
- 虫号: 1648632
- 注册: 2012-02-27
- 性别: GG
- 专业: 特殊冶金、外场冶金与冶金
9楼2013-05-22 08:17:39
shad-hunter
铁杆木虫 (著名写手)
http://scholar.google.com.
- 应助: 39 (小学生)
- 金币: 4970.9
- 散金: 455
- 红花: 3
- 帖子: 1238
- 在线: 720.7小时
- 虫号: 1102432
- 注册: 2010-09-18
- 性别: GG
- 专业: 零件加工制造

10楼2013-05-23 18:07:26













回复此楼


