| 查看: 1657 | 回复: 18 | ||
yanwentao新虫 (正式写手)
|
[求助]
关于金相的一个问题请教
|
|
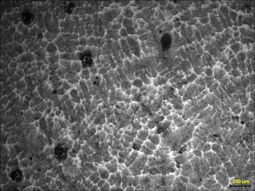
母材含碳量c量0.7% Mn是1.2%,基体组织为珠光体组织, 为了避免焊接冷却过快出现淬硬组织,采取了预热措施,但是在热影响区出现了好多小黑点的东西,不知道是什么东西。在此请教大家,说说自己的看法。 应该不是磨样的问题,因为并不是这一个样有这种现象。 4-.JPG 2.JPG |
» 猜你喜欢
Bioresource Technology期刊,第一次返修的时候被退回好几次了
已经有6人回复
2025冷门绝学什么时候出结果
已经有4人回复
真诚求助:手里的省社科项目结项要求主持人一篇中文核心,有什么渠道能发核心吗
已经有8人回复
寻求一种能扛住强氧化性腐蚀性的容器密封件
已经有5人回复
论文投稿,期刊推荐
已经有6人回复
请问哪里可以有青B申请的本子可以借鉴一下。
已经有4人回复
孩子确诊有中度注意力缺陷
已经有14人回复
请问下大家为什么这个铃木偶联几乎不反应呢
已经有5人回复
请问有评职称,把科研教学业绩算分排序的高校吗
已经有5人回复
天津工业大学郑柳春团队欢迎化学化工、高分子化学或有机合成方向的博士生和硕士生加入
已经有4人回复
» 本主题相关价值贴推荐,对您同样有帮助:
关于金属内部微裂纹或缺陷用金相还是用SEM的问题请教
已经有27人回复
请教一个关于CSC的问题
已经有4人回复
请教关于假发票的一个问题!
已经有10人回复
请教奥氏体304不锈钢金相腐蚀
已经有20人回复
请教一个关于吸附的问题
已经有9人回复
请教各位一个关于EDC/NHS偶联的问题
已经有23人回复
请教关于不饱和聚酯树脂的一个问题
已经有12人回复
金相组织观察请教
已经有5人回复
请教一个关于测序峰图的问题
已经有5人回复
42CrMo4材质的金相图片。讨论一下其中的问题。
已经有15人回复
请教一个关于电性效应的问题
已经有4人回复
【求助】请教大家一个问题,关于反铁磁耦合的
已经有14人回复
【求助】请教一个关于Mathematica中计算小量的问题
已经有4人回复
【求助】请教一个光学金相显微镜的问题。。。
已经有17人回复
【求助】请教一个关于ABAQUS接触问题
已经有3人回复
【请教】关于金相组织观察设备
已经有11人回复
【原创】Endnote的一个设置问题请教
已经有7人回复
qlf_126
至尊木虫 (知名作家)
- MM-EPI: 6
- 应助: 434 (硕士)
- 贵宾: 0.405
- 金币: 19054.2
- 散金: 4968
- 红花: 69
- 沙发: 107
- 帖子: 9479
- 在线: 1857.3小时
- 虫号: 836193
- 注册: 2009-08-29
- 性别: GG
- 专业: 金属材料的磨损与磨蚀

2楼2013-05-07 07:59:46
yanwentao
新虫 (正式写手)
- 应助: 10 (幼儿园)
- 金币: 1208.9
- 散金: 278
- 红花: 6
- 帖子: 650
- 在线: 183.9小时
- 虫号: 1742885
- 注册: 2012-04-07
- 专业: 金属材料
3楼2013-05-07 08:44:45
★ ★
感谢参与,应助指数 +1
yanwentao: 金币+2, ★有帮助 2013-05-07 21:23:08
感谢参与,应助指数 +1
yanwentao: 金币+2, ★有帮助 2013-05-07 21:23:08
|
本帖内容被屏蔽 |
4楼2013-05-07 08:56:50
yanwentao
新虫 (正式写手)
- 应助: 10 (幼儿园)
- 金币: 1208.9
- 散金: 278
- 红花: 6
- 帖子: 650
- 在线: 183.9小时
- 虫号: 1742885
- 注册: 2012-04-07
- 专业: 金属材料
5楼2013-05-07 09:56:17
qlf_126
至尊木虫 (知名作家)
- MM-EPI: 6
- 应助: 434 (硕士)
- 贵宾: 0.405
- 金币: 19054.2
- 散金: 4968
- 红花: 69
- 沙发: 107
- 帖子: 9479
- 在线: 1857.3小时
- 虫号: 836193
- 注册: 2009-08-29
- 性别: GG
- 专业: 金属材料的磨损与磨蚀

6楼2013-05-07 10:31:27
yanwentao
新虫 (正式写手)
- 应助: 10 (幼儿园)
- 金币: 1208.9
- 散金: 278
- 红花: 6
- 帖子: 650
- 在线: 183.9小时
- 虫号: 1742885
- 注册: 2012-04-07
- 专业: 金属材料
7楼2013-05-07 21:23:45
8楼2013-05-07 21:32:54
yanwentao
新虫 (正式写手)
- 应助: 10 (幼儿园)
- 金币: 1208.9
- 散金: 278
- 红花: 6
- 帖子: 650
- 在线: 183.9小时
- 虫号: 1742885
- 注册: 2012-04-07
- 专业: 金属材料
9楼2013-05-07 21:47:04
10楼2013-05-08 10:15:08













回复此楼
不知道LZ有没有热影响区放大倍数的金相照片!?
