版块导航
正在加载中...
客户端APP下载
论文辅导
调剂小程序
登录
注册
帖子
帖子
用户
本版
应《网络安全法》要求,自2017年10月1日起,未进行实名认证将不得使用互联网跟帖服务。为保障您的帐号能够正常使用,请尽快对帐号进行手机号验证,感谢您的理解与支持!
24小时热门版块排行榜
>
论坛更新日志
(1957)
>
虫友互识
(120)
>
导师招生
(91)
>
硕博家园
(40)
>
找工作
(40)
>
公派出国
(27)
>
考博
(26)
>
文献求助
(22)
>
考研
(20)
>
招聘信息布告栏
(19)
>
论文投稿
(18)
>
论文道贺祈福
(16)
>
精细化工
(13)
>
博后之家
(11)
>
休闲灌水
(10)
>
基金申请
(9)
小木虫论坛-学术科研互动平台
»
化学化工区
»
电化学
»
化学电源
»
求助,锂电子电池测试交流阻抗拟合问题
4
1/1
返回列表
查看: 1177 | 回复: 3
只看楼主
@他人
存档
新回复提醒
(忽略)
收藏
在APP中查看
king_dqj
银虫
(小有名气)
应助: 1
(幼儿园)
金币: 326.1
帖子: 224
在线: 91.4小时
虫号: 1129349
注册: 2010-10-22
性别: GG
专业: 能源化工
[
求助
]
求助,锂电子电池测试交流阻抗拟合问题
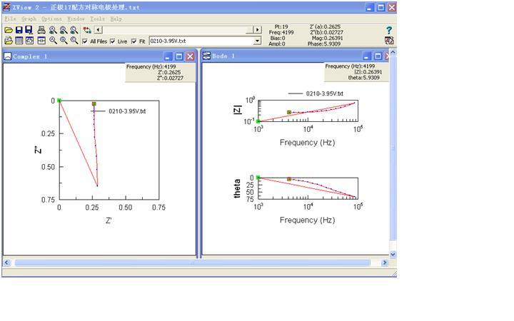
求助下各位,在做拟合的时候,用Zview软件,然后拟合出来的图像发现低频的没拟合上去,比如设置是0.001HZ-1 000 000HZ的,拟合的时候图像对应的就只有1000HZ-1000000HZ,请问这是怎么回事?急等各位高手帮忙!
3.95V.JPG
回复此楼
» 猜你喜欢
德国Karlsruhe Institute of Technology招收电化学储能及联合培养CSC博士等
已经有20人回复
德国Karlsruhe Institute of Technology招收电化学储能及联合培养CSC博士
已经有24人回复
物理化学论文润色/翻译怎么收费?
已经有278人回复
德国Karlsruhe Institute of Technology招收电化学储能及联合培养CSC博士
已经有1人回复
固态锂金属电池迁移数计算求助
已经有1人回复
荷兰奈梅亨大学赵文博与Galimberti课题组招收理论计算CSC博士 2000 欧元/月+房补
已经有0人回复
26储能博士申请自荐
已经有22人回复
上海交通大学--宁波东方理工大学电池方向博士招生
已经有10人回复
海南大学全国重点实验室杨金霖老师招收储能电池方向博士生(2026年3月报名,9月入学)
已经有1人回复
海南师范大学2026年博士研究生招收 (在职想提升学历人员可报考) 申请考核制+普通招考
已经有0人回复
申博求助
已经有0人回复
» 本主题相关价值贴推荐,对您同样有帮助:
交流阻抗结果拟合问题
已经有14人回复
DSC电池阻抗拟合
已经有14人回复
扣式电池怎么测交流阻抗
已经有11人回复
锂离子电池中的循环伏安(CV)与交流阻抗(EIS)之间的关系?
已经有4人回复
锂电池 交流阻抗测试
已经有5人回复
用电池测试交流阻抗得到的内阻比实际测量电池的内阻大,是什么原因呢
已经有10人回复
请问:CHI电化学工作站测试扣式电池的循环伏安和交流阻抗相关问题
已经有12人回复
锂离子电池测交流阻抗谱(EIS)的问题
已经有5人回复
求助!电化学阻抗拟合后W和C的意义?
已经有4人回复
【求助】交流阻抗拟合问题
已经有12人回复
【求助】求助高手交流阻抗图 拟合等效电路的问题
已经有19人回复
【求助】纽扣电池如何测循环伏安和交流阻抗
已经有13人回复
【求助】交流阻抗的感抗拟合
已经有7人回复
【求助】LiFePO4电池交流阻抗图谱分析
已经有16人回复
【求助】交流阻抗等效电路拟合
已经有8人回复
【求助】想问下固体氧化物燃料电池阻抗测量问题
已经有14人回复
1楼
2012-12-12 17:47:02
已阅
回复此楼
关注TA
给TA发消息
送TA红花
TA的回帖
Jackcd12
至尊木虫
(知名作家)
ECEPI: 13
应助: 2150
(讲师)
金币: 13694.4
红花: 366
帖子: 7595
在线: 2164.4小时
虫号: 1865159
注册: 2012-06-20
性别: GG
专业: 电化学
【答案】应助回帖
感谢参与,应助指数 +1
有些体系在低频时不稳定,导致阻抗谱数据点排列比较乱,测试时需要尽量减少外界的干扰,如果体系稳定性不好,不要测试太低的阻抗,低频设置在0.1Hz, 最多到0.01Hz就够了。此外,也可以采用恒电流模式测试阻抗。
赞
一下
(1人)
回复此楼
Themoreamanlearns,themoreheknowshisignorance!
2楼
2012-12-12 20:13:16
已阅
回复此楼
关注TA
给TA发消息
送TA红花
TA的回帖
king_dqj
银虫
(小有名气)
应助: 1
(幼儿园)
金币: 326.1
帖子: 224
在线: 91.4小时
虫号: 1129349
注册: 2010-10-22
性别: GG
专业: 能源化工
这也是个问题,同时里面还有个问题:我用Zview软件拟合的时候,它只能显示4个段的数据图像,就是说假如我的设置是0.001HZ到1 000 000HZ的话 它在里面就只能显示100HZ 到1000 000 HZ的图像 但是我把频率设置为0.001HZ 到100HZ的话 它还是能显示全HZ的图像的。是不是大家用的软件都是这样的啊?
赞
一下
回复此楼
3楼
2012-12-14 19:17:05
已阅
回复此楼
关注TA
给TA发消息
送TA红花
TA的回帖
zxw198612
铜虫
(正式写手)
应助: 34
(小学生)
金币: 437.6
红花: 1
帖子: 316
在线: 86.7小时
虫号: 1947124
注册: 2012-08-20
性别: GG
专业: 能源化工
【答案】应助回帖
感谢参与,应助指数 +1
这个什么图啊。明显丢失了一群数据,还有测试图似乎也有问题的,没见过这么丑的图
赞
一下
回复此楼
4楼
2012-12-14 23:35:37
已阅
回复此楼
关注TA
给TA发消息
送TA红花
TA的回帖
相关版块跳转
有机交流
有机资源
高分子
无机/物化
分析
催化
工艺技术
化工设备
石油化工
精细化工
电化学
环境
SciFinder/Reaxys
我要订阅楼主
king_dqj
的主题更新
4
1/1
返回列表
如果回帖内容含有宣传信息,请如实选中。否则帐号将被全论坛禁言
普通表情
龙
兔
虎
猫
百度网盘
|
360云盘
|
千易网盘
|
华为网盘
在新窗口页面中打开自己喜欢的网盘网站,将文件上传后,然后将下载链接复制到帖子内容中就可以了。
信息提示
关闭
请填处理意见
关闭
确定