| 查看: 995 | 回复: 3 | ||
[交流]
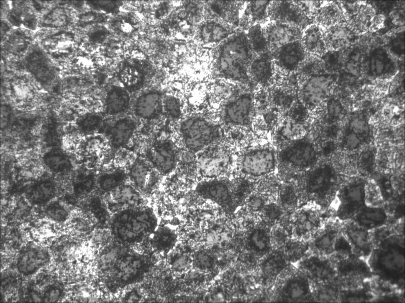
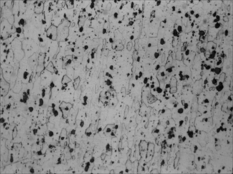
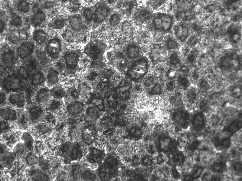
让我纠结的铝铜金相照片求解 已有3人参与
|
» 本主题相关价值贴推荐,对您同样有帮助:
有些虫友通过合作院校得知了专家评审结果,求解专家评审后还会走哪些流程?
已经有30人回复
matlab报错,求解
已经有5人回复
求助 利用弹性常数计算德拜温度求解
已经有55人回复
求助铝铜合金金相分析
已经有9人回复
应聘研发人员,可是他们问我能不能做工艺员,是一个不错的药厂啊,我纠结了。
已经有23人回复
铝铜合金的初生CuAl2相与析出CuAl2相区别
已经有17人回复
求助四波混频耦合波方程数值求解
已经有5人回复
有个求解微分方程用到高斯赛德尔迭代的,算不太明白啊,各位帮忙看看
已经有5人回复
留北京还是回西安,纠结
已经有83人回复
【其它】求解化工基础中的习题,
已经有9人回复
【求助/交流】western blot中的怪现象,求解~~~
已经有19人回复
【求助】铜和不锈钢扩散焊接 金相制备
已经有6人回复
【请教】7050铝合金和2124铝合金金相如何腐蚀
已经有19人回复
csutlh
金虫 (小有名气)
- 应助: 0 (幼儿园)
- 金币: 412.9
- 散金: 23
- 帖子: 192
- 在线: 89小时
- 虫号: 980930
- 注册: 2010-03-24
- 性别: GG
- 专业: 金属材料的力学行为

2楼2013-11-04 23:15:48
★
小木虫: 金币+0.5, 给个红包,谢谢回帖
小木虫: 金币+0.5, 给个红包,谢谢回帖
|
本帖内容被屏蔽 |
3楼2021-12-24 16:07:54
hs_77
木虫 (正式写手)
- 应助: 117 (高中生)
- 金币: 1711.8
- 散金: 79
- 红花: 20
- 帖子: 608
- 在线: 200.7小时
- 虫号: 3657273
- 注册: 2015-01-21
- 性别: GG
- 专业: 金属功能材料

4楼2021-12-24 16:53:37














回复此楼