| 查看: 1866 | 回复: 15 | ||
wanders至尊木虫 (文坛精英)
|
[求助]
球铁组织鉴别
|
|
|
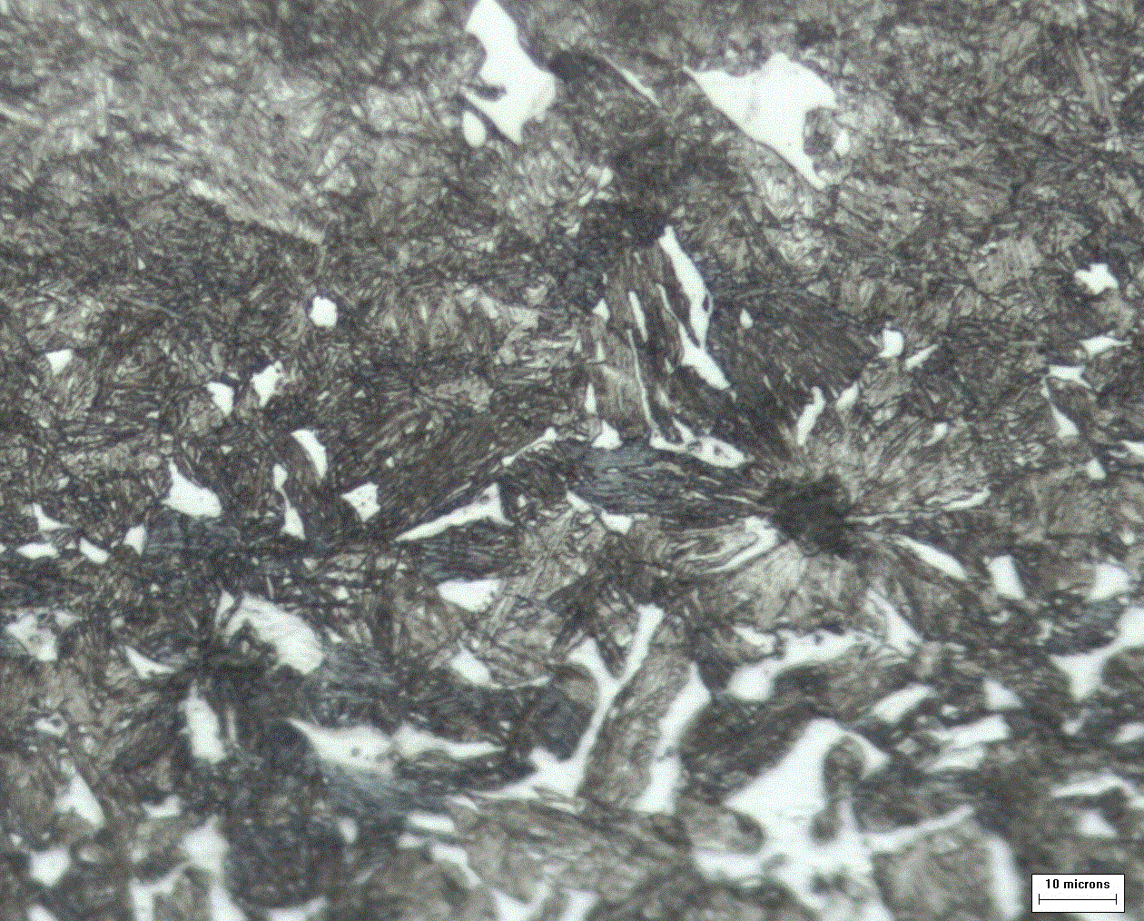
这是球铁奥氏体化后淬火的组织,应该有残余奥氏体,下贝氏体。能否帮指定下图中的相?哪是奥氏体?白色块体是碳化物吗? 500倍 200倍 [ Last edited by qlf_126 on 2012-3-3 at 10:27 ] |
» 猜你喜欢
请问有评职称,把科研教学业绩算分排序的高校吗
已经有4人回复
孩子确诊有中度注意力缺陷
已经有12人回复
2025冷门绝学什么时候出结果
已经有3人回复
天津工业大学郑柳春团队欢迎化学化工、高分子化学或有机合成方向的博士生和硕士生加入
已经有4人回复
康复大学泰山学者周祺惠团队招收博士研究生
已经有6人回复
AI论文写作工具:是科研加速器还是学术作弊器?
已经有3人回复
2026博士申请-功能高分子,水凝胶方向
已经有6人回复
论文投稿,期刊推荐
已经有4人回复
硕士和导师闹得不愉快
已经有13人回复
请问2026国家基金面上项目会启动申2停1吗
已经有5人回复
» 本主题相关价值贴推荐,对您同样有帮助:
退火碳化物球化的组织 鉴别和原因 急需求助 谢谢
已经有7人回复
球墨铸铁发展回顾50年--英文版.pdf
已经有32人回复
球墨铸铁石墨大小等级对拉伸性能有什么影响
已经有4人回复
奥氏体1Cr18Ni9Ti金相组织鉴别
已经有18人回复
如何鉴别二价铁离子与三家铁离子?
已经有7人回复
铁素体与珠光体组织晶粒度评定用什么侵蚀剂较好?
已经有7人回复
球铁QT450球化不完全,求助分析一下断口颜色
已经有7人回复
求助,SEM+EDS或者EPMA能够鉴别出赤铁矿和磁铁矿么??
已经有9人回复
球墨铸铁中磷元素是否可以形成石墨球核心
已经有9人回复
【讨论】球墨铸铁与陶瓷配副时,在干摩擦条件下会不会发生粘着磨损?
已经有9人回复
用什么溶液可以吧球墨铸铁基体腐蚀掉,只留下石墨球呢
已经有2人回复
【求助】球墨铸铁表面硬度反常,表面比内部低,大家指点下是何原因
已经有6人回复
【求助】关于球墨铸铁件再次熔化的文献
已经有4人回复
【求助】如何将混在碳纳米球中的钴和铁去除
已经有4人回复

12楼2012-03-04 12:20:53

2楼2012-03-03 10:07:53
qlf_126
至尊木虫 (知名作家)
- MM-EPI: 6
- 应助: 434 (硕士)
- 贵宾: 0.405
- 金币: 19044.2
- 散金: 4967
- 红花: 69
- 沙发: 107
- 帖子: 9479
- 在线: 1857.2小时
- 虫号: 836193
- 注册: 2009-08-29
- 性别: GG
- 专业: 金属材料的磨损与磨蚀

3楼2012-03-03 10:33:01

4楼2012-03-03 11:57:51
wanders
至尊木虫 (文坛精英)
- 应助: 39 (小学生)
- 金币: 35308.5
- 散金: 72
- 红花: 10
- 帖子: 11106
- 在线: 515.4小时
- 虫号: 328613
- 注册: 2007-03-21
- 专业: 金属材料表面科学与工程
5楼2012-03-03 12:04:51
qlf_126
至尊木虫 (知名作家)
- MM-EPI: 6
- 应助: 434 (硕士)
- 贵宾: 0.405
- 金币: 19044.2
- 散金: 4967
- 红花: 69
- 沙发: 107
- 帖子: 9479
- 在线: 1857.2小时
- 虫号: 836193
- 注册: 2009-08-29
- 性别: GG
- 专业: 金属材料的磨损与磨蚀

6楼2012-03-03 12:34:29
wanders
至尊木虫 (文坛精英)
- 应助: 39 (小学生)
- 金币: 35308.5
- 散金: 72
- 红花: 10
- 帖子: 11106
- 在线: 515.4小时
- 虫号: 328613
- 注册: 2007-03-21
- 专业: 金属材料表面科学与工程
7楼2012-03-03 12:41:58
qlf_126
至尊木虫 (知名作家)
- MM-EPI: 6
- 应助: 434 (硕士)
- 贵宾: 0.405
- 金币: 19044.2
- 散金: 4967
- 红花: 69
- 沙发: 107
- 帖子: 9479
- 在线: 1857.2小时
- 虫号: 836193
- 注册: 2009-08-29
- 性别: GG
- 专业: 金属材料的磨损与磨蚀

8楼2012-03-03 13:02:35

9楼2012-03-03 17:51:37
zyeqing
铁杆木虫 (正式写手)
- MM-EPI: 5
- 应助: 176 (高中生)
- 贵宾: 0.223
- 金币: 7919.5
- 散金: 10
- 红花: 10
- 帖子: 878
- 在线: 232.6小时
- 虫号: 342787
- 注册: 2007-04-10
- 性别: GG
- 专业: 金属材料的制备科学与跨学
10楼2012-03-03 21:37:30














回复此楼

要想确认是不是碳化物的话 你可以打一下显微硬度就可以了!!!