版块导航
正在加载中...
客户端APP下载
论文辅导
调剂小程序
登录
注册
帖子
帖子
用户
本版
应《网络安全法》要求,自2017年10月1日起,未进行实名认证将不得使用互联网跟帖服务。为保障您的帐号能够正常使用,请尽快对帐号进行手机号验证,感谢您的理解与支持!
24小时热门版块排行榜
>
论坛更新日志
(3724)
>
虫友互识
(506)
>
导师招生
(502)
>
文献求助
(341)
>
考博
(258)
>
休闲灌水
(258)
>
硕博家园
(210)
>
招聘信息布告栏
(127)
>
考研
(124)
>
论文投稿
(87)
>
博后之家
(76)
>
找工作
(58)
>
论文道贺祈福
(54)
>
公派出国
(54)
>
基金申请
(45)
>
绿色求助(高悬赏)
(40)
小木虫论坛-学术科研互动平台
»
材料区
»
晶体
»
晶体解析
»
求助~CVD钨表面晶体形貌
5
1/1
返回列表
查看: 650 | 回复: 4
只看楼主
@他人
存档
新回复提醒
(忽略)
收藏
在APP中查看
hhppyydsb
新虫
(初入文坛)
应助: 0
(幼儿园)
金币: 25
帖子: 6
在线: 2.1小时
虫号: 874420
注册: 2009-10-16
专业: 金属功能材料
[
求助
]
求助~CVD钨表面晶体形貌
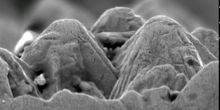
CVD法制备钨涂层~用WF6,基底铜~涂层大概有1MM厚度~SEM观察表面形貌~发现表面都是六角锥状的晶体~俯瞰大小大约30微米左右~高度大概20微米左右~
不知道这种形貌是因为什么形成的~影响因素是啥~
看了相关文献~有人做的同样的是四角的而不是六角的~或者提供些相关的文献或者书籍~谢谢大家了~
回复此楼
» 猜你喜欢
中南大学易小艺课题组诚招2026申请-考核制博士生
已经有0人回复
海南师范大学招收化学博士(光电功能材料课题组招收博士研究生)
已经有11人回复
无机化学论文润色/翻译怎么收费?
已经有131人回复
求助几个团簇的cif
已经有0人回复
急求该反应的详细机理
已经有5人回复
【Ei | Scopus 双检索】2026年智能交通与未来出行国际会议(CSTFM 2026)
已经有0人回复
【EI|Scopus 双检索】2026年第六届机器人与人工智能国际会议(JCRAI 2026)
已经有0人回复
zotero的advanced material模板没有更新,有人有新版的cls文件吗
已经有2人回复
【高校联合举办】2026年第五届服务机器人国际会议(ICoSR 2026)
已经有0人回复
» 本主题相关价值贴推荐,对您同样有帮助:
nature materials 和nature communications各发表最新: CVD沉积石墨烯场发射晶体管
已经有64人回复
表面喷砂处理与CVD涂层
已经有14人回复
【求助】在晶体表面外延生长的ZnO薄膜晶格参数
已经有6人回复
【求助】退火和CVD的区别?(急!急!)
已经有11人回复
【求助】形貌 晶面
已经有3人回复
【求助】MPCVD等离子体熄灭问题
已经有11人回复
【求助】铟单质、氧化铟、氮化铟 具体的晶格结构?不同晶格结构对晶体形貌的影响
已经有16人回复
【求助】配溶液长晶体时,加入盐,竟然产生了沉淀。这是为什么?
已经有13人回复
【求助】A-Fe晶体中加H无法弛豫
已经有4人回复
【求助】关于晶体表面的生长纹
已经有8人回复
【求助】Materials explorer可以模拟预测晶体生长的形貌吗?
已经有9人回复
【求助】求助一个药物的晶体结构数据!
已经有15人回复
【求助】CASTEP 分子晶体建结构
已经有10人回复
1楼
2011-12-27 16:13:37
已阅
回复此楼
关注TA
给TA发消息
送TA红花
TA的回帖
hhppyydsb
新虫
(初入文坛)
应助: 0
(幼儿园)
金币: 25
帖子: 6
在线: 2.1小时
虫号: 874420
注册: 2009-10-16
专业: 金属功能材料
各位高手指点下啊~
赞
一下
回复此楼
2楼
2011-12-28 10:28:08
已阅
回复此楼
关注TA
给TA发消息
送TA红花
TA的回帖
hhppyydsb
新虫
(初入文坛)
应助: 0
(幼儿园)
金币: 25
帖子: 6
在线: 2.1小时
虫号: 874420
注册: 2009-10-16
专业: 金属功能材料
不要沉啊~
回复此楼
3楼
2011-12-29 13:25:45
已阅
回复此楼
关注TA
给TA发消息
送TA红花
TA的回帖
hhppyydsb
新虫
(初入文坛)
4楼
2012-02-28 18:31:38
已阅
回复此楼
关注TA
给TA发消息
送TA红花
TA的回帖
haode22
金虫
(正式写手)
应助: 13
(小学生)
金币: 333.9
散金: 142
红花: 2
沙发: 1
帖子: 897
在线: 732小时
虫号: 754432
注册: 2009-04-22
性别: GG
专业: 半导体材料
XRD看一下膜的结构
赞
一下
回复此楼
逐渐成为工作狂,技术狂.............
5楼
2012-02-28 22:47:39
已阅
回复此楼
关注TA
给TA发消息
送TA红花
TA的回帖
相关版块跳转
材料综合
材料工程
微米和纳米
晶体
金属
无机非金属
生物材料
功能材料
复合材料
我要订阅楼主
hhppyydsb
的主题更新
5
1/1
返回列表
如果回帖内容含有宣传信息,请如实选中。否则帐号将被全论坛禁言
普通表情
龙
兔
虎
猫
百度网盘
|
360云盘
|
千易网盘
|
华为网盘
在新窗口页面中打开自己喜欢的网盘网站,将文件上传后,然后将下载链接复制到帖子内容中就可以了。
信息提示
关闭
请填处理意见
关闭
确定