Znn3bq.jpeg
²é¿´: 975  |  »Ø¸´: 3

zhaojun094

гæ (³õÈëÎÄ̳)


[½»Á÷] µç³§¹øÂ¯ÓÃT91¸Ö×éÖ¯ÆÀ¶¨£¡

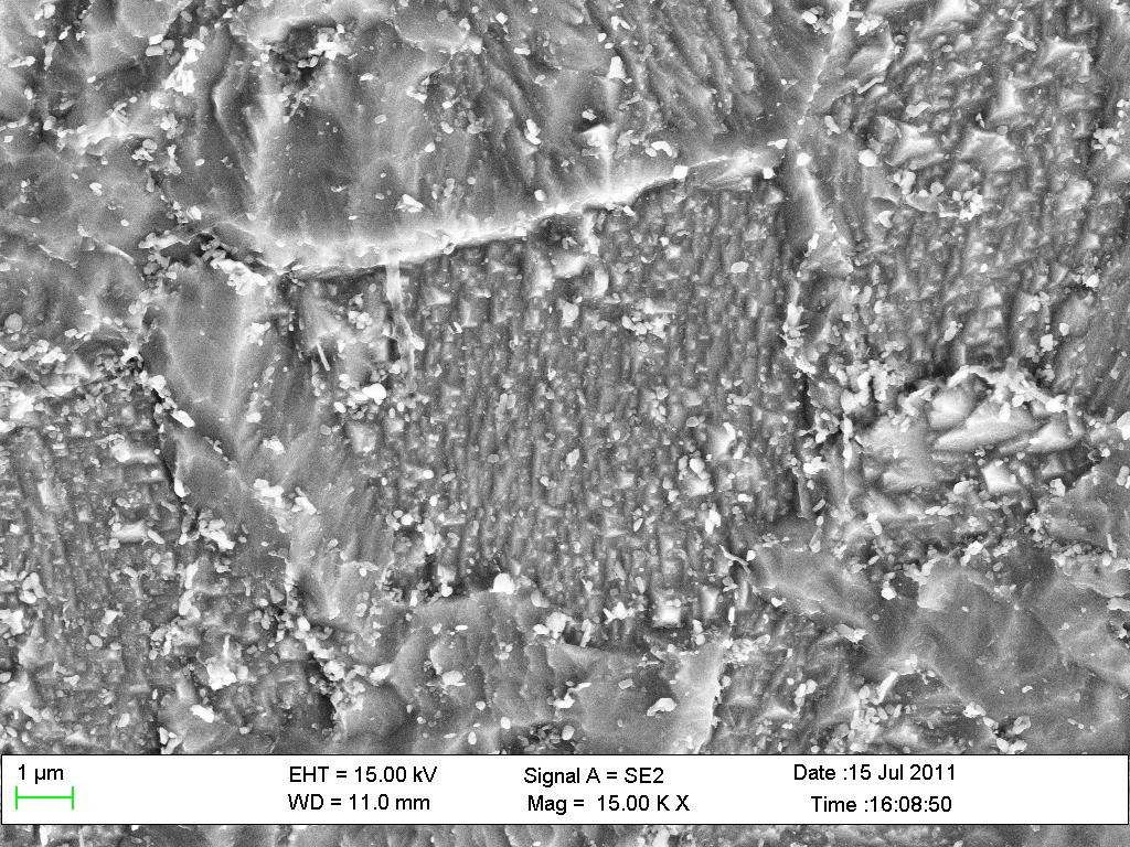
º¬Ì¼Á¿0.12%µÄT91£¨10Cr9Mo1VNbN£©¸Ö×éÖ¯ÊǻػðÂíÊÏÌ廹ÊǻػðË÷ÊÏÌåÒÔǰһֱ´æÔÚÕùÂÛ¡£½á¹¹ÉÏT91¹ÌÈܶÈC/aµÈÓÚ1£¬×éÖ¯ÉÏÈçÏÂͼ½ðÏàºÍSEM¡£












[ Last edited by engle028 on 2011-7-21 at 09:42 ]
»Ø¸´´ËÂ¥

» ²ÂÄãϲ»¶

» ±¾Ö÷ÌâÏà¹Ø¼ÛÖµÌùÍÆ¼ö£¬¶ÔÄúͬÑùÓаïÖú:

» ÇÀ½ð±ÒÀ²£¡»ØÌû¾Í¿ÉÒԵõ½:

²é¿´È«²¿É¢½ðÌù

ÒÑÔÄ   »Ø¸´´ËÂ¥   ¹Ø×¢TA ¸øTA·¢ÏûÏ¢ ËÍTAºì»¨ TAµÄ»ØÌû

binking

Òø³æ (СÓÐÃûÆø)


¡ï
zhaojun094(½ð±Ò+1):лл²ÎÓë
zhaojun094(½ð±Ò+9): µÍ̼ÂíÊÏÌåΪÌåÐÄÁ¢·½£¬±¥ºÍ¶È»Ø»ðºó±ä»¯²»´ó£¬ÖÁÓÚ̼»¯ÎïÖ®ºó»áÎö³öºÜÄÑÅжÏ... 2011-07-26 11:49:54
T91¸ÖÊǵäÐ͵ÄÌúËØÌåÄÍÈȸ֣¬ÕâÖָֻػðºóµÄ×éÖ¯Ó¦¸ÃÊôÓڻػðÂíÊÏÌå¡£»Ø»ðË÷ÊÏÌåÊÇÒ»ÖÖÆ½ºâ×éÖ¯£¬Ò»°ãָ̼¸Ö¸ßλػðʱ̼»¯ÎïÍêÈ«Îö³ö£¬¶ø»Ø»ðÂíÊÏÌ廹ÊÇÊôÓÚÒ»ÖÖÑÇÎÈ̬×éÖ¯£¬T91¸Ö»Ø»ðºóÓ¦¸ÃÊôÓÚÕâÖÖÑÇÎÈ̬×éÖ¯£¬ÕâʱµÄ¹ý±¥ºÍ¹ÌÈÜÌåÈÔÓÐÒ»¶¨¹ý±¥ºÍ¶È£¬ËüÔÚÖ®ºóµÄÓ¦ÓÃÖÐÈÔÈÈÓÐ̼»¯ÎïÎö³ö

[ Last edited by binking on 2011-7-26 at 09:23 ]
2Â¥2011-07-26 09:21:47
ÒÑÔÄ   »Ø¸´´ËÂ¥   ¹Ø×¢TA ¸øTA·¢ÏûÏ¢ ËÍTAºì»¨ TAµÄ»ØÌû

¹Â·ç

ľ³æ (ÕýʽдÊÖ)


¡ï
zhaojun094(½ð±Ò+1):лл²ÎÓë
´ÓͼƬ¿´£¬ÊÇ×éÖ¯»¹±£ÁôÓÐÂíÊÏÌåλÏò£¬ËùÒÔÊǻػðÂíÊÏÌå
3Â¥2011-07-26 13:59:33
ÒÑÔÄ   »Ø¸´´ËÂ¥   ¹Ø×¢TA ¸øTA·¢ÏûÏ¢ ËÍTAºì»¨ TAµÄ»ØÌû

michaelzy

ľ³æ (СÓÐÃûÆø)


¡ï
zhaojun094(½ð±Ò+1):лл²ÎÓë
»Ø»ðÂíÊÏÌå×éÖ¯¡£SEMͼƬÉϹý±¥ºÍµÄÂíÊÏÌå°åÌõ»ùÌåÌØÕ÷Ã÷ÏÔ¡£
4Â¥2011-07-26 17:15:04
ÒÑÔÄ   »Ø¸´´ËÂ¥   ¹Ø×¢TA ¸øTA·¢ÏûÏ¢ ËÍTAºì»¨ TAµÄ»ØÌû
Ïà¹Ø°æ¿éÌø×ª ÎÒÒª¶©ÔÄÂ¥Ö÷ zhaojun094 µÄÖ÷Ìâ¸üÐÂ
×î¾ßÈËÆøÈÈÌûÍÆ¼ö [²é¿´È«²¿] ×÷Õß »Ø/¿´ ×îºó·¢±í
[¿¼ÑÐ] 279ѧ˶ʳƷרҵÇóµ÷¼ÁԺУ 20+3 ¹Â¶ÀµÄÀǰ®³ÔÑò 2026-04-12 12/600 2026-04-12 12:31 by wp06
[¿¼ÑÐ] Ò»Ö¾Ô¸Î÷±±¹¤Òµ´óѧ289 085602 +33 yangæÃ 2026-04-10 34/1700 2026-04-12 08:11 by Art1977
[¿¼ÑÐ] 316Çóµ÷¼Á +5 Ïë¶ÁÑо¿Éú( ?¡ß 2026-04-07 5/250 2026-04-12 00:43 by À¶ÔÆË¼Óê
[¿¼ÑÐ] Ò»Ö¾Ô¸211£¬0703»¯Ñ§305·ÖÇóµ÷¼Á +26 ÑÏÎ÷Î÷Ï· 2026-04-06 33/1650 2026-04-11 23:01 by 314126402
[¿¼ÑÐ] 266Çóµ÷¼Á£¬Ò»Ö¾Ô¸¹þ¹¤³Ìµç×ÓÐÅÏ¢£¬±¾¿Æ»ñ¶àÏî¹ú½±ºÍÊ¡½± +8 lumine1 2026-04-06 8/400 2026-04-11 18:35 by ÄæË®³Ë·ç
[¿¼ÑÐ] 11408¡£358Çóµ÷¼Á +3 TMYzds 2026-04-07 3/150 2026-04-11 17:10 by µªÆøÆøÆø
[¿¼ÑÐ] 366Çóµ÷¼Á +7 ²»ÖªÃûµÄСئ 2026-04-11 7/350 2026-04-11 16:45 by PeggyPeng17
[¿¼ÑÐ] 085410 273·Öµ÷¼Á +4 X1999 2026-04-09 4/200 2026-04-11 13:05 by pies112
[¿¼ÑÐ] 285Çóµ÷¼Á +8 ¶ñ·¨´ó¶þµÄÆøÎ¶ß 2026-04-05 11/550 2026-04-11 11:28 by ×ÏêØ×ÏÆå
[¿¼ÑÐ] »¯Ñ§308·ÖÇóµ÷¼Á +22 ÄãºÃÃ÷ÌìÄãºÃ 2026-04-07 24/1200 2026-04-11 11:14 by ChemPharm
[¿¼ÑÐ] 22408 352·ÖÇóµ÷¼Á +4 ŬÁ¦µÄÏÄÄ© 2026-04-09 4/200 2026-04-11 10:42 by maddjdld
[¿¼ÑÐ] µ÷¼Á +12 ¾í¾í¾íÐIJË_ 2026-04-09 13/650 2026-04-10 22:36 by Ftglcn90
[ÂÛÎÄͶ¸å] mdpiСÐÞrvrʱ¼äËÄÎåÌìÁË 20+3 ¹þ¹þhigh 2026-04-08 5/250 2026-04-10 16:02 by ±±¾©À³ÒðÈóÉ«
[¿¼ÑÐ] 071000ÉúÎïѧµ÷¼ÁÇóÖú +17 zzzzwww 2026-04-09 20/1000 2026-04-10 15:55 by Çóµ÷¼Ázz
[¿¼ÑÐ] 296Çóµ÷¼Á +6 Íô£¡£¿£¡ 2026-04-08 6/300 2026-04-10 11:02 by mattzhming
[¿¼ÑÐ] Ò»Ö¾Ô¸»ªÄÏʦ·¶´óѧ0702ÎïÀíѧ305µ÷¼Á +4 Äî³£°² 2026-04-07 6/300 2026-04-08 22:53 by bljnqdcc
[¿¼ÑÐ] 296Çóµ÷¼Á +3 Íô£¡£¿£¡ 2026-04-08 3/150 2026-04-08 22:00 by zhouyuwinner
[¿¼ÑÐ] Ò»Ö¾Ô¸Äϲý´óѧ£¬085600£¬344·ÖÇóµ÷¼Á +11 µ÷¼ÁÉϰ¶«^ 2026-04-05 12/600 2026-04-08 16:17 by luoyongfeng
[¿¼ÑÐ] Ò»Ö¾Ô¸¹þ¹¤´ó£¬³õÊÔ329£¬Çó»·¾³¿ÆÑ§Ó빤³Ìµ÷¼Á£¡ +11 ÓàδÐÁ 2026-04-06 11/550 2026-04-08 15:21 by screening
[¿¼ÑÐ] ²ÄÁϹ¤³ÌרҵÈÕÓïÉúÇóµ÷¼Á +9 111623 2026-04-07 9/450 2026-04-07 23:31 by Ò»Ö»ºÃ¹û×Ó?
ÐÅÏ¢Ìáʾ
ÇëÌî´¦ÀíÒâ¼û