| ²é¿´: 1455 | »Ø¸´: 8 | ||||
cupevan½ð³æ (ÕýʽдÊÖ)
|
[ÇóÖú]
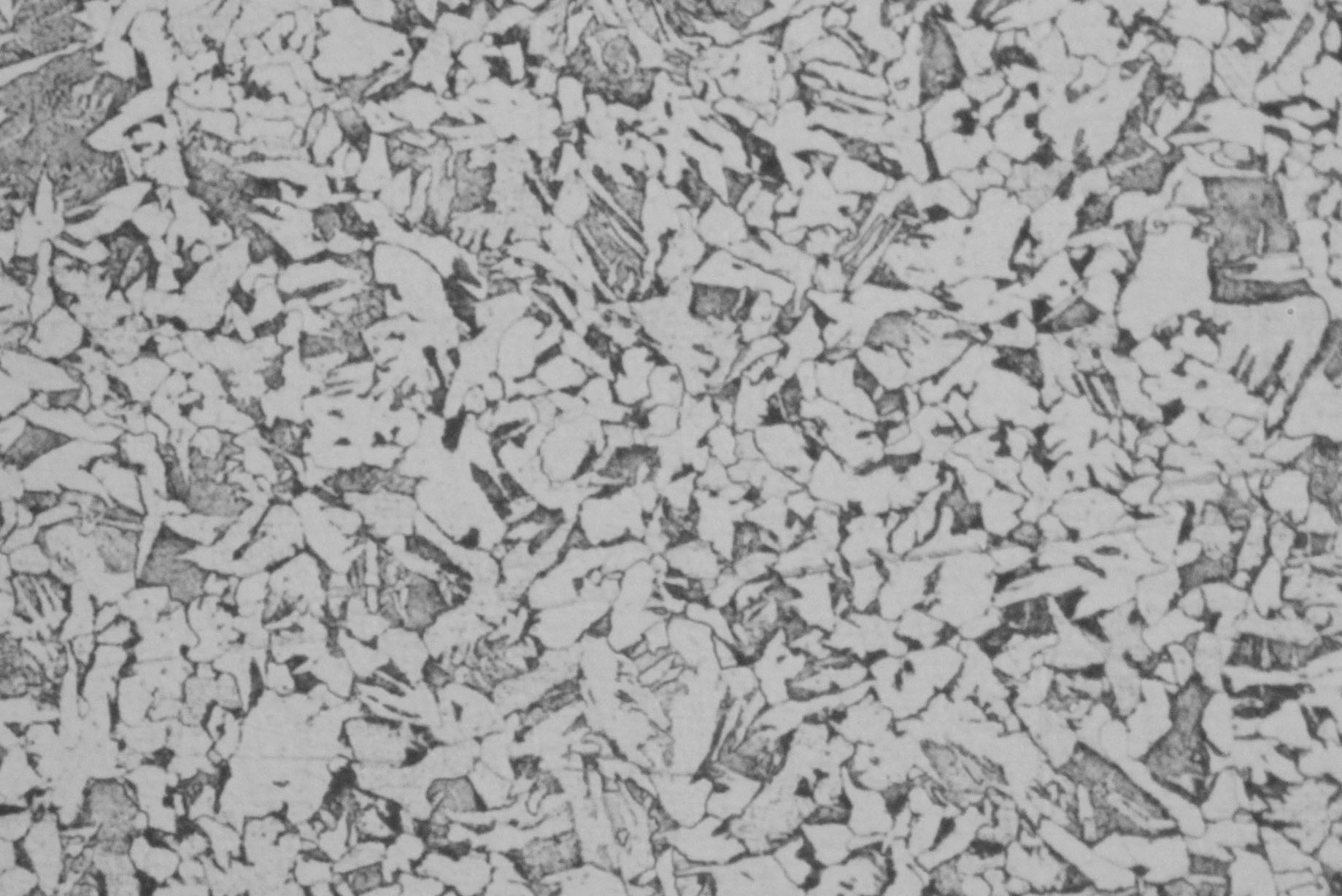
ÇóÖú£ºÕâÊÇʲô×éÖ¯£¬ÒÔ¼°ÕâÁ½ÖÖ×éÖ¯µÄÇø±ð¡£
|
|||
|
|
||||
qlf_126ÖÁ×ðľ³æ (ÖªÃû×÷¼Ò)
|
¡¾´ð°¸¡¿Ó¦Öú»ØÌû
¡ï
aishan(½ð±Ò+1): ¸Ðл½»Á÷ 2011-09-29 21:20:08 cupevan(½ð±Ò+2): 2011-10-14 22:22:45
|
|||
![]() |
||||
|
2Â¥2011-09-29 11:17:20
|
|
|||
commaר¼Ò¹ËÎÊ (ÖªÃû×÷¼Ò)
²ÄÁÏÈË
|
¡¾´ð°¸¡¿Ó¦Öú»ØÌû
¡ï
engle028(½ð±Ò+1): ¸Ðл²ÎÓë 2011-09-29 14:45:18 cupevan(½ð±Ò+8): 2011-09-29 20:32:22
|
|||
![]() |
||||
|
3Â¥2011-09-29 11:33:09
|
|
|||
cupevan½ð³æ (ÕýʽдÊÖ)
|
¡ï
aishan(½ð±Ò+1): ¸Ðл½»Á÷ 2011-09-29 21:20:19
|
|||
|
4Â¥2011-09-29 20:33:30
|
|
|||
Ç®ÇìÉúľ³æ (ÕýʽдÊÖ)
|
||||
|
5Â¥2011-10-08 21:33:41
|
|
|||
cupevan½ð³æ (ÕýʽдÊÖ)
|
||||
|
6Â¥2011-10-09 08:47:25
|
|
|||
qlf_126ÖÁ×ðľ³æ (ÖªÃû×÷¼Ò)
|
||||
![]() |
||||
|
7Â¥2011-10-09 10:06:29
|
|
|||
cupevan½ð³æ (ÕýʽдÊÖ)
|
||||
|
8Â¥2011-10-10 09:10:34
|
|
|||
qq455450870Òø³æ (³õÈëÎÄ̳)
|
||||
![]() |
||||
|
9Â¥2011-10-14 10:56:23
|
|














»Ø¸´´ËÂ¥


5