| 查看: 367 | 回复: 2 | ||
wangzhen05铁虫 (小有名气)
|
[求助]
求教重力流的模拟
|
|
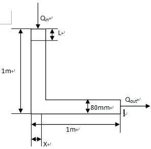
结构描述:t=0时出口和入口均被堵死,即Qin=Qout=0;然后出口和入口瞬时打开,流体(水)在重力的作用下开始由出口自由流出,此时保持Qin=0,我想求出口处流速V~t的关系,请问各位高手,我该怎么做? 谢谢! |
» 猜你喜欢
土木水利专硕276分求调剂
已经有9人回复
328求调剂
已经有16人回复
化学工程调剂289
已经有26人回复
331求调剂
已经有3人回复
材料与化工专硕306分找合适调剂
已经有24人回复
材料工程调剂
已经有8人回复
070300化学279求调剂
已经有7人回复
材料专硕调剂
已经有14人回复
334求调剂
已经有7人回复
材料工程085601,270求调剂
已经有10人回复
» 本主题相关价值贴推荐,对您同样有帮助:
求教origin拟合简单的渗流方程(又称逾渗方程),做复合材料的应该会遇到吧
已经有20人回复
求教TD-DFT模拟电子吸收光谱的问题
已经有3人回复
在做fluent例子的时候遇到了问题,发现无法进行迭代计算,求教大家
已经有9人回复
安装aspen过程中遇到问题 求教高手
已经有8人回复
[新手求教]安装Gromacs后,查看pdb2gmx命令,显示无此命令
已经有9人回复
while语句死循环了,求教
已经有6人回复
求教各位高人--- 这种图片效果是什么软件做出来的呢?
已经有3人回复
udf 重力方向变化
已经有17人回复
【求助】求教DPD高手怎样用amorphous cell计算Flory huggins参数
已经有8人回复
【求助】求助高手们,ANSYS中的重力怎么加啊?
已经有4人回复
【求助】求教matlab解非线性方程组
已经有9人回复
【求助】理论与计算化学新手求教
已经有13人回复
seaharrier
铁杆木虫 (知名作家)
帝国空军中将
- 仿真EPI: 2
- 应助: 24 (小学生)
- 金币: 5768.7
- 散金: 2115
- 红花: 43
- 沙发: 156
- 帖子: 5832
- 在线: 717.7小时
- 虫号: 927863
- 注册: 2009-12-14
- 性别: GG
- 专业: 传热传质学

2楼2011-06-25 09:36:08
tacaro
至尊木虫 (知名作家)
小木虫大能猫骑士勋章
- 仿真EPI: 1
- 应助: 21 (小学生)
- 贵宾: 0.06
- 金币: 33765.5
- 散金: 1128
- 红花: 17
- 沙发: 2
- 帖子: 6320
- 在线: 1292.4小时
- 虫号: 663213
- 注册: 2008-11-27
- 专业: 武术理论与方法
3楼2011-06-25 09:45:18














回复此楼