| 查看: 1597 | 回复: 1 | ||
[交流]
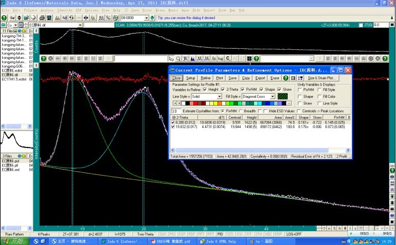
有关乙基纤维素结晶度XRD谱图分析交流
|
» 本主题相关价值贴推荐,对您同样有帮助:
XRD测结晶度
已经有16人回复
帮忙分析一下XRD图中,聚合物的结晶度
已经有6人回复
XRD峰强与结晶度的关系?
已经有12人回复
怎么由XRD衍射图分析纤维素结晶度的变化
已经有7人回复
【求助】如何根据XRD计算结晶度?
已经有3人回复
【求助】同一物种两个xrd谱图分析
已经有5人回复
【求助】各位XRD高人,帮我分析一下XRD谱图呗!
已经有14人回复
【求助】求高人解答,XRD,PL,Raman都可以判断物体的结晶度的好坏,有什么区别?
已经有14人回复
【求助】请高手帮忙分析下聚合物XRD谱图
已经有9人回复
【求助】XRD结晶度的计算
已经有11人回复
【求助】乙基纤维素及其改性产物XRD谱图解析
已经有6人回复
关于XRD谱图分析,如何测颗粒度大小?
已经有27人回复
» 抢金币啦!回帖就可以得到:
求一个访问学者邀请函,非常非常感谢
+1/677
北京理工大学郑长松教授课题组诚招2026年秋季博士/硕士研究生
+3/347
博士去军队文职怎么样
+5/210
双一流南京医科大学招计算机、AI、统计、生物信息等方向26年9月入学博士
+1/177
供应德国EXAKT艾卡特半导体导热散热材料三辊研磨机50 PLUS
+1/83
上海大学昝鹏教授、军事医学研究院伯晓晨研究员/倪铭副研究员 课题组招聘博士生
+1/79
澳门大学智慧城市物联网国重“结构智能感知、健康监测与无损检测”研究方向博士后招聘
+1/73
留学导师避雷——望传播
+1/65
华中科技大学郭睿副教授建筑与能源科学课题组诚招博士研究生(2026.1.19截止)
+1/52
考核制博士自荐
+1/37
上海科技大学物质科学与技术学院|王平鸾课题组联合招聘博士后
+1/33
中科院理化技术研究所张飞龙研究员/王树涛研究员团队招生(博士/硕士)
+1/29
SCI,计算机相关可以写
+1/21
SCI,计算机相关可以写
+1/19
SCI,计算机相关可以写
+1/17
太原理工大学电工部招聘老师-偏电类专业的博士们快来看啊
+1/11
SCI计算机相关论文
+1/9
河南师范大学科研助理岗位招聘
+1/7
液晶拓扑光子学博士招生(电子科技大学)
+1/3
北京工业大学材料学院吴玉锋教授、王长龙研究员招收博士研究生
+1/2
2楼2011-06-06 09:34:44












回复此楼