版块导航
正在加载中...
客户端APP下载
论文辅导
调剂小程序
登录
注册
帖子
帖子
用户
本版
应《网络安全法》要求,自2017年10月1日起,未进行实名认证将不得使用互联网跟帖服务。为保障您的帐号能够正常使用,请尽快对帐号进行手机号验证,感谢您的理解与支持!
24小时热门版块排行榜
>
论坛更新日志
(3411)
>
导师招生
(388)
>
文献求助
(326)
>
虫友互识
(292)
>
休闲灌水
(152)
>
考研
(142)
>
硕博家园
(122)
>
考博
(104)
>
论文投稿
(70)
>
招聘信息布告栏
(55)
>
博后之家
(54)
>
基金申请
(53)
>
教师之家
(37)
>
绿色求助(高悬赏)
(33)
>
SciFinder/Reaxys
(32)
>
找工作
(31)
小木虫论坛-学术科研互动平台
»
材料区
»
金属
»
交流互助
»
【求助】大家帮我看看这张金相图中是什么相
4
1/1
返回列表
查看: 812 | 回复: 3
只看楼主
@他人
存档
新回复提醒
(忽略)
收藏
在APP中查看
zgw318
金虫
(著名写手)
MM-EPI: 2
应助: 61
(初中生)
贵宾: 0.305
金币: 3106.4
帖子: 1613
在线: 115.2小时
虫号: 934926
[交流]
【求助】大家帮我看看这张金相图中是什么相
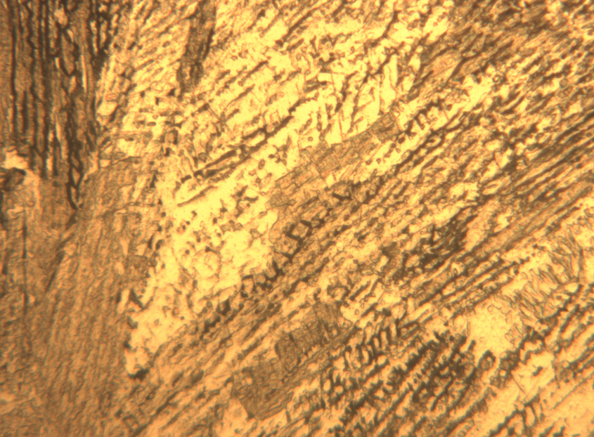
301L不锈钢的,焊接后的组织500倍下。应该是奥氏体,但问题1)是不是有铁素体组织?
2)是不是碳化物析出?
不太确定,大家给个看法
[
Last edited by zgw318 on 2011-1-12 at 23:45
]
回复此楼
» 猜你喜欢
什么是人一生最重要的?
已经有7人回复
版面费该交吗
已经有17人回复
体制内长辈说体制内绝大部分一辈子在底层,如同你们一样大部分普通教师忙且收入低
已经有19人回复
【博士招生】太原理工大学2026化工博士
已经有8人回复
280求调剂
已经有4人回复
面上可以超过30页吧?
已经有12人回复
为什么中国大学工科教授们水了那么多所谓的顶会顶刊,但还是做不出宇树机器人?
已经有11人回复
网上报道青年教师午睡中猝死、熬夜猝死的越来越多,主要哪些原因引起的?
已经有9人回复
高级回复
» 本主题相关价值贴推荐,对您同样有帮助:
想问一个从这幅金相图上能看出什么?
已经有16人回复
几张金相图,帮忙看看凝固过程,谢谢谢谢谢谢
已经有16人回复
【求助】如看分辨铸造铝合金金相图中黑点?
已经有11人回复
【求助】如看分辨金相图中黑点?
已经有10人回复
» 抢金币啦!回帖就可以得到:
查看全部散金贴
长春工业大学课题组招收硕士调剂生(化工、化学、材料、环境、制药、生物等方向)
+
1
/576
侯旭课题组(化学、化工、环境、能源相关方向)欢迎你的加入
+
1
/177
寻找那个能让“稳定生活”变得“更有趣”的你
+
1
/162
吉林师范大学宽禁带半导体材料生长与器件实验室招收2026年入学申请考核制博士生4名
+
2
/90
太原科技大学材料科学与工程学院招收金属材料类博士一名
+
1
/83
西工大控制科学博后招聘
+
1
/42
澳门理工大学人工智能智慧康养方向26 年9月入学博士招生有奖学金
+
1
/34
澳门理工大学人工智能智慧康养26 年9月入学 博士招生有奖学金
+
1
/32
同济大学 环境科学与工程学院 国家级青年人才团队 诚聘脱产博士后
+
1
/29
南京林业大学化工院勇强/赖晨欢教授团队招收申请考核制博士1名
+
1
/27
【少数民族】【生物医药】2026青岛大学招博士生
+
1
/11
杨亚研究员课题组(广西大学-纳米能源研究中心)招收2026年物理学专业学术型博士
+
1
/9
深圳理工大学刘鑫课题组高薪招聘博士后
+
1
/8
2026年 陕西科技大学 环境学院 招收博士生(化学/材料/环境/生物 背景均可)
+
1
/7
【全奖博士招生】美国科罗拉多大学科罗拉多斯普林斯分校----固体与结构力学
+
1
/5
青岛理工大学高端装备健康监测与智能运维团队接受调剂
+
1
/4
斯德哥尔摩博士后基金申请 - 基于视频的三维人体运动学提取 / 姿态估计
+
1
/4
新加坡南洋理工大学- 光电/ 智能传感/ 脑机接口方向 博士后
+
1
/2
中科院合肥物质研究院招聘水系锌电博士后(长期有效)诚聘海内外优秀博士后
+
1
/2
湘潭大学国家级人才黄建宇教授团队2026年博士研究生招生
+
1
/1
1楼
2011-01-12 23:41:38
已阅
回复此楼
关注TA
给TA发消息
送TA红花
TA的回帖
lkmilk
木虫
(正式写手)
应助: 16
(小学生)
金币: 1692
帖子: 325
在线: 46.9小时
虫号: 1104962
★
zgw318(金币
+1
):谢谢参与
白色铁素体 黑色渗碳体 如果你还不确定 可以用硬度计测下各相的硬度
赞
一下
(1人)
回复此楼
2楼
2011-01-13 13:56:12
已阅
回复此楼
关注TA
给TA发消息
送TA红花
TA的回帖
freedomangel
木虫
(著名写手)
MM-EPI: 1
应助: 1
(幼儿园)
金币: 3744.9
帖子: 1233
在线: 115.5小时
虫号: 1177339
★
zgw318(金币
+1
):谢谢参与
楼上瞎说,不要听他的。
赞
一下
(1人)
回复此楼
3楼
2011-01-17 17:59:25
已阅
回复此楼
关注TA
给TA发消息
送TA红花
TA的回帖
jasonwangcsu
新虫
(初入文坛)
应助: 0
(幼儿园)
金币: 2.9
帖子: 12
在线: 11.6小时
虫号: 2480120
★
zgw318(金币+1): 谢谢参与
2楼完全胡扯。
这是典型的奥氏体不锈钢AF凝固模式的焊缝组织,白色为奥氏体,黑色为亚晶界析出的铁素体
赞
一下
回复此楼
4楼
2014-01-28 21:53:01
已阅
回复此楼
关注TA
给TA发消息
送TA红花
TA的回帖
相关版块跳转
材料综合
材料工程
微米和纳米
晶体
金属
无机非金属
生物材料
功能材料
复合材料
我要订阅楼主
zgw318
的主题更新
4
1/1
返回列表
如果回帖内容含有宣传信息,请如实选中。否则帐号将被全论坛禁言
普通表情
龙
兔
虎
猫
高级回复
(可上传附件)
百度网盘
|
360云盘
|
千易网盘
|
华为网盘
在新窗口页面中打开自己喜欢的网盘网站,将文件上传后,然后将下载链接复制到帖子内容中就可以了。
信息提示
关闭
请填处理意见
关闭
确定