版块导航
正在加载中...
客户端APP下载
论文辅导
调剂小程序
登录
注册
帖子
帖子
用户
本版
应《网络安全法》要求,自2017年10月1日起,未进行实名认证将不得使用互联网跟帖服务。为保障您的帐号能够正常使用,请尽快对帐号进行手机号验证,感谢您的理解与支持!
24小时热门版块排行榜
>
论坛更新日志
(3199)
>
虫友互识
(252)
>
文献求助
(203)
>
导师招生
(108)
>
基金申请
(93)
>
硕博家园
(73)
>
考博
(59)
>
休闲灌水
(53)
>
博后之家
(35)
>
考研
(24)
>
招聘信息布告栏
(19)
>
论文投稿
(18)
>
海外博后
(17)
>
教师之家
(15)
>
论文道贺祈福
(13)
>
留学DIY
(10)
小木虫论坛-学术科研互动平台
»
学术交流区
»
论文投稿
»
交流
»
2219铝合金断口形貌
26
1/1
返回列表
查看: 964 | 回复: 25
只看楼主
@他人
存档
新回复提醒
(忽略)
收藏
在APP中查看
LOGANW
新虫
(正式写手)
应助: 0
(幼儿园)
金币: 1288.6
帖子: 614
在线: 60.8小时
虫号: 8810949
已领完
2219铝合金断口形貌
领取红包
(小木虫手机app专属红包)
扫一扫,下载小木虫客户端
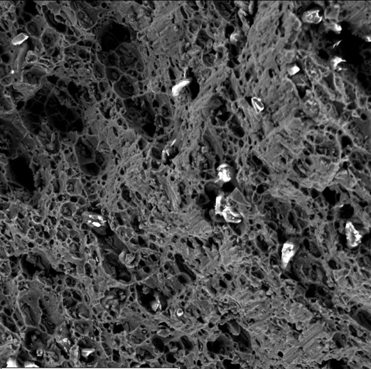
求助各位大神,这种铝合金的断口形貌的基本特征
发自小木虫IOS客户端
回复此楼
» 猜你喜欢
有时候真觉得大城市人没有县城人甚至个体户幸福
已经有12人回复
依托企业入选了国家启明计划青年人才。有无高校可以引进的。
已经有11人回复
依托企业入选了国家启明计划青年人才。有无高校可以引进的。
已经有10人回复
同年申请2项不同项目,第1个项目里不写第2个项目的信息,可以吗
已经有9人回复
表哥与省会女结婚,父母去帮带孩子被省会女气回家生重病了
已经有7人回复
天津大学招2026.09的博士生,欢迎大家推荐交流(博导是本人)
已经有9人回复
有院领导为了换新车,用横向课题经费买了俩车
已经有10人回复
AI 太可怕了,写基金时,提出想法,直接生成的文字比自己想得深远,还有科学性
已经有6人回复
高级回复
» 抢金币啦!回帖就可以得到:
查看全部散金贴
西湖大学2026年秋季入学物理学、光学、电子信息方向博士生有名额速来!!!
+
2
/286
西湖大学拓扑光学、非厄米光学、太赫兹方向博士后招聘
+
2
/284
江西理工大学联合中国科学院赣江创新研究院招收2026级博士研究生
+
1
/83
香港科技大学(广州)黄加强课题组智能电池方向博士招聘
+
1
/79
2025难忘的时刻
+
1
/76
澳大利亚麦考瑞大学(Macquarie University)国际博士硕士全额奖学金-计算机-26年中开学
+
1
/38
北京工业大学化生学院青年教师或“青年优秀人才”招聘启事
+
1
/36
有没有人做过这种结构的顺式体向反式体的转化?
+
1
/36
大叔征婚
+
1
/35
香港城市大学软物质课题组现招收博士研究生 2026.09 入学
+
1
/32
湘潭大学“过程强化与绿色化工”创新团队补招2026年秋入学博士生
+
2
/26
招收中国CSC或学校资助联培博士生/访问学生-- Tsinghua-A*STAR 2025 Joint Funding
+
1
/8
澳科大药诚招2026年秋季药剂学/生物材料硕士研究生
+
1
/5
斯德哥尔摩 DigitalFuture 博士后奖学金机会!
+
1
/5
【科研助理招聘-北京理工大学-集成电路与电子学院-国家杰青团队】
+
1
/4
队友
+
1
/4
美国密苏里大学“柔性电子”课题组诚招博士研究生
+
1
/3
太原理工大学集成电路学院院长团队招收2026年博士研究生
+
1
/3
美国密苏里大学“柔性电子”课题组诚招博士研究生
+
1
/2
求助化学专业科技论文写作的课件及电子版教材
+
1
/1
1楼
2018-08-13 10:59:42
已阅
回复此楼
关注TA
给TA发消息
送TA红花
TA的回帖
回帖支持 ( 显示支持度最高的前 50 名 )
剧本就是这样
新虫
(著名写手)
应助: 0
(幼儿园)
金币: 757.2
帖子: 1199
在线: 764.6小时
虫号: 6361611
★
小木虫: 金币+0.5, 给个红包,谢谢回帖
铝合金哪来的马氏体
发自小木虫Android客户端
赞
一下
(1人)
回复此楼
23楼
2018-08-13 11:42:10
已阅
回复此楼
关注TA
给TA发消息
送TA红花
TA的回帖
1532341449
木虫
(职业作家)
应助: 20
(小学生)
金币: 6558
帖子: 4247
在线: 315.2小时
虫号: 2169095
针状马氏体?
发自小木虫IOS客户端
回复此楼
22楼
2018-08-13 11:13:16
已阅
回复此楼
关注TA
给TA发消息
送TA红花
TA的回帖
剧本就是这样
新虫
(著名写手)
应助: 0
(幼儿园)
金币: 757.2
帖子: 1199
在线: 764.6小时
虫号: 6361611
★
小木虫: 金币+0.5, 给个红包,谢谢回帖
韧性断裂为主,可以看出有大小不一韧窝,同时伴随有河流状的脆性断裂,还有少量的颗粒断裂留下的凹坑
发自小木虫Android客户端
赞
一下
回复此楼
24楼
2018-08-13 11:45:37
已阅
回复此楼
关注TA
给TA发消息
送TA红花
TA的回帖
剧本就是这样
新虫
(著名写手)
应助: 0
(幼儿园)
金币: 757.2
帖子: 1199
在线: 764.6小时
虫号: 6361611
★
小木虫: 金币+0.5, 给个红包,谢谢回帖
图上凹坑和孔隙较多,材料力学性能应该不是很好
发自小木虫Android客户端
赞
一下
回复此楼
» 本帖已获得的红花(最新10朵)
LOGANW
25楼
2018-08-13 11:47:43
已阅
回复此楼
关注TA
给TA发消息
送TA红花
TA的回帖
LOGANW
新虫
(正式写手)
应助: 0
(幼儿园)
金币: 1288.6
帖子: 614
在线: 60.8小时
虫号: 8810949
送红花一朵
引用回帖:
25楼
:
Originally posted by
剧本就是这样
at 2018-08-13 11:47:43
图上凹坑和孔隙较多,材料力学性能应该不是很好
是的,同时感谢答复
发自小木虫IOS客户端
赞
一下
回复此楼
26楼
2018-08-13 12:07:29
已阅
回复此楼
关注TA
给TA发消息
送TA红花
TA的回帖
简单回复
夕照深山
2楼
2018-08-13 10:59
回复
LOGANW(金币+1): 谢谢参与
已获得
1
个金币
发自小木虫IOS客户端
宠爱是毒品
3楼
2018-08-13 10:59
回复
LOGANW(金币+1): 谢谢参与
已获得
1
个金币
发自小木虫Android客户端
Sssssyuuuu
4楼
2018-08-13 11:00
回复
LOGANW(金币+1): 谢谢参与
已获得
1
个金币
发自小木虫IOS客户端
请输入账号
5楼
2018-08-13 11:00
回复
LOGANW(金币+1): 谢谢参与
已获得
1
个金币
发自小木虫Android客户端
小午123
6楼
2018-08-13 11:00
回复
LOGANW(金币+1): 谢谢参与
已获得
1
个金币
发自小木虫Android客户端
hdchina2010
7楼
2018-08-13 11:00
回复
LOGANW(金币+1): 谢谢参与
已获得
1
个金币
发自小木虫IOS客户端
wenqingshen
8楼
2018-08-13 11:00
回复
LOGANW(金币+1): 谢谢参与
已获得
1
个金币
发自小木虫Android客户端
玉龙封
9楼
2018-08-13 11:00
回复
LOGANW(金币+1): 谢谢参与
已获得
1
个金币
发自小木虫Android客户端
liujunhero
10楼
2018-08-13 11:00
回复
LOGANW(金币+1): 谢谢参与
已获得
1
个金币
发自小木虫IOS客户端
cd、lb、ycx
11楼
2018-08-13 11:00
回复
LOGANW(金币+1): 谢谢参与
已获得
1
个金币
发自小木虫Android客户端
流水江南
12楼
2018-08-13 11:00
回复
LOGANW(金币+1): 谢谢参与
已获得
1
个金币
发自小木虫IOS客户端
Moylgeta001
13楼
2018-08-13 11:00
回复
LOGANW(金币+1): 谢谢参与
已获得
1
个金币
发自小木虫Android客户端
独一无二的兔子
14楼
2018-08-13 11:00
回复
LOGANW(金币+1): 谢谢参与
已获得
1
个金币
发自小木虫Android客户端
shirlybear
15楼
2018-08-13 11:00
回复
LOGANW(金币+1): 谢谢参与
已获得
1
个金币
发自小木虫Android客户端
xiaomeiqiu
16楼
2018-08-13 11:01
回复
LOGANW(金币+1): 谢谢参与
已获得
1
个金币
发自小木虫Android客户端
guo854639263
17楼
2018-08-13 11:01
回复
LOGANW(金币+1): 谢谢参与
已获得
1
个金币
发自小木虫Android客户端
afengbeijing
18楼
2018-08-13 11:02
回复
LOGANW(金币+1): 谢谢参与
已获得
1
个金币
发自小木虫Android客户端
Sanry
19楼
2018-08-13 11:02
回复
LOGANW(金币+1): 谢谢参与
已获得
1
个金币
发自小木虫Android客户端
cocacolabai
20楼
2018-08-13 11:02
回复
LOGANW(金币+1): 谢谢参与
已获得
1
个金币
发自小木虫Android客户端
gui007
21楼
2018-08-13 11:02
回复
LOGANW(金币+1): 谢谢参与
已获得
1
个金币
发自小木虫Android客户端
相关版块跳转
论文投稿
SCI期刊点评
中文期刊点评
论文道贺祈福
论文翻译
基金申请
学术会议
会议与征稿布告栏
我要订阅楼主
LOGANW
的主题更新
26
1/1
返回列表
如果回帖内容含有宣传信息,请如实选中。否则帐号将被全论坛禁言
普通表情
龙
兔
虎
猫
高级回复
(可上传附件)
百度网盘
|
360云盘
|
千易网盘
|
华为网盘
在新窗口页面中打开自己喜欢的网盘网站,将文件上传后,然后将下载链接复制到帖子内容中就可以了。
信息提示
关闭
请填处理意见
关闭
确定