| 查看: 3595 | 回复: 17 | |
losenobody新虫 (小有名气)
|
[求助]
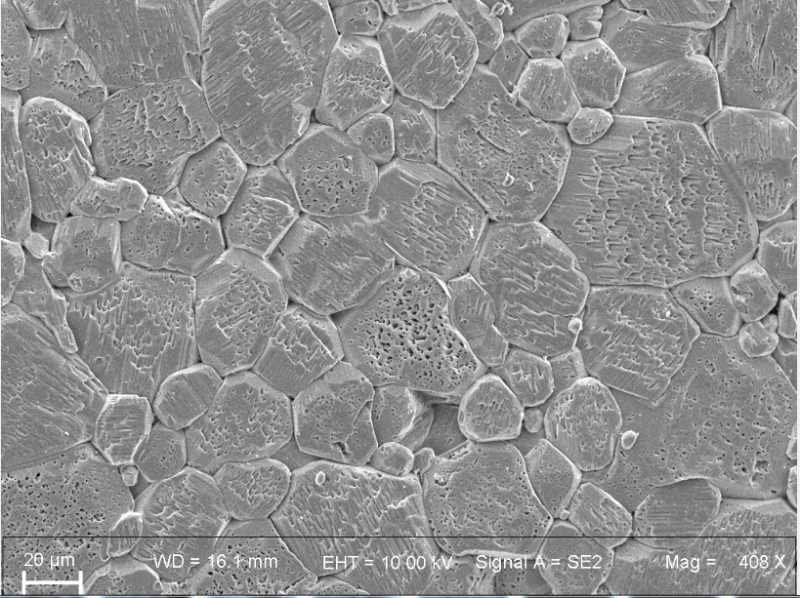
SEM图片大家帮忙看看,晶粒表面的这些密集的小孔是怎么回事? 已有1人参与
|
|
|
|
| 回帖支持 ( 显示支持度最高的前 50 名 ) | |
小木2011金虫 (正式写手)
|
|
|
5楼2015-10-21 11:06:33
|
|
yongui1223银虫 (正式写手)
|
|
![]() |
|
|
13楼2015-11-07 09:56:24
|
|
| 普通回帖 | |
小木2011金虫 (正式写手)
|
|
|
2楼2015-10-20 20:42:53
|
|
losenobody新虫 (小有名气)
|
|
|
3楼2015-10-21 09:17:52
|
|
losenobody新虫 (小有名气)
|
|
|
4楼2015-10-21 09:24:11
|
|
小木2011金虫 (正式写手)
|
|
|
6楼2015-10-21 11:09:23
|
|
juvense木虫 (正式写手)
|
|
|
7楼2015-10-23 11:35:06
|
|
juvense木虫 (正式写手)
|
|
|
8楼2015-10-23 11:37:30
|
|
![]() |
|
|
9楼2015-11-05 12:35:36
|
|
1992034977金虫 (正式写手)
|
|
![]() |
|
|
10楼2015-11-06 19:31:33
|
|














回复此楼

10