| 查看: 1677 | 回复: 10 | ||||
clcaoleicl铁虫 (初入文坛)
|
[求助]
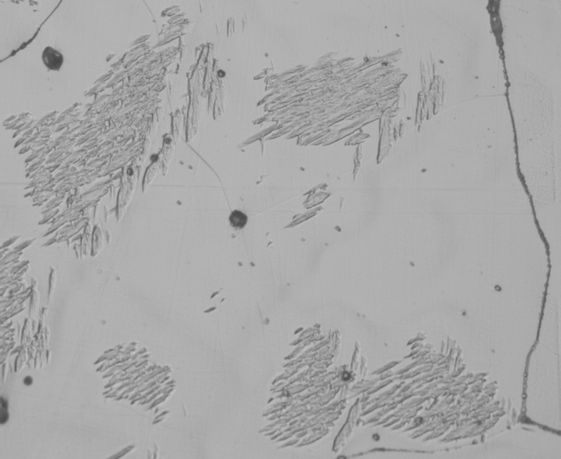
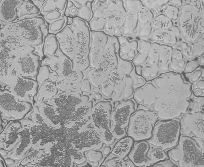
求帮忙分析奥氏体不锈钢组织 已有3人参与
|
|||
|
|
||||
wacky1980荣誉版主 (文坛精英)
懒羊羊V2.0版
|
【答案】应助回帖
感谢参与,应助指数 +1
|
|||
![]() |
||||
|
2楼2015-07-25 19:54:49
|
|
|||
wacky1980荣誉版主 (文坛精英)
懒羊羊V2.0版
|
||||
![]() |
||||
|
3楼2015-07-25 19:57:34
|
|
|||
clcaoleicl铁虫 (初入文坛)
|
||||
|
4楼2015-07-25 19:59:38
|
|
|||
clcaoleicl铁虫 (初入文坛)
|
||||
|
5楼2015-07-25 20:01:11
|
|
|||
wacky1980荣誉版主 (文坛精英)
懒羊羊V2.0版
|
||||
![]() |
||||
|
6楼2015-07-25 20:11:23
|
|
|||
wacky1980荣誉版主 (文坛精英)
懒羊羊V2.0版
|
||||
![]() |
||||
|
7楼2015-07-25 20:12:09
|
|
|||
clcaoleicl铁虫 (初入文坛)
|
||||
|
8楼2015-07-26 10:24:51
|
|
|||
|
9楼2015-07-27 21:20:15
|
|
|||
ruirui4598木虫 (正式写手)
|
||||
|
10楼2015-07-28 05:09:10
|
|













回复此楼

50