| 查看: 2471 | 回复: 16 | ||
[交流]
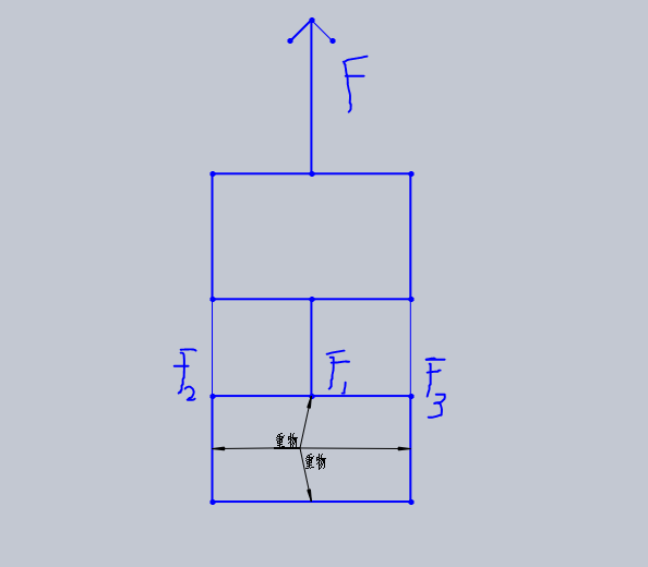
简单的力学问题 已有10人参与
|
||
» 本主题相关价值贴推荐,对您同样有帮助:
固体物理 或 量子力学 或 无机化学 哪个学起来简单?
已经有5人回复
石墨烯为什么会在水中发生不可逆团聚啊,快被老板的这个问题逼疯了,就差跳楼了
已经有26人回复
求助,物理系本科生学理论力学需要什么数学基础
已经有13人回复
求一道简单的算符对易题目
已经有9人回复
量子力学中的动量算符竟是如此复杂
已经有31人回复
弹性力学好不好学
已经有38人回复
量子力学中,表象变换问题,求助
已经有41人回复
突然想到,今后是自己编程还是用软件哪?
已经有11人回复
【转帖】流体力学的路线图(转自流体中文网周华的博客)
已经有60人回复
Fluent船舶流体力学仿真计算工程应用基础
已经有255人回复
简单矩阵计算问题。
已经有8人回复
请教一个简单的流体力学方程问题
已经有3人回复
漫画流体力学【已搜索无重复】
已经有298人回复
如何学好弹塑性力学
已经有24人回复
请教分子力学与分子动力学的区别
已经有14人回复
【讨论】系综问题
已经有32人回复
【求助】流体力学简单的入门的东西
已经有7人回复
【求助】力学性能测试
已经有23人回复
【讨论】做(计算流体力学和计算传热学)相关的请进
已经有37人回复

5楼2015-06-13 08:09:28
yinshangbing
新虫 (正式写手)
- 应助: 1 (幼儿园)
- 金币: 830.8
- 散金: 212
- 红花: 3
- 沙发: 1
- 帖子: 756
- 在线: 153.2小时
- 虫号: 936892
- 注册: 2010-01-04
- 性别: GG
- 专业: 有机高分子材料
8楼2015-06-13 09:40:59
jkr74
木虫 (正式写手)
- 应助: 7 (幼儿园)
- 金币: 1590.6
- 散金: 200
- 红花: 1
- 帖子: 570
- 在线: 463.3小时
- 虫号: 752697
- 注册: 2009-04-19
- 性别: GG
- 专业: 力学

10楼2015-06-13 19:37:34
沐浴未来
木虫 (著名写手)
Hope
- 应助: 59 (初中生)
- 金币: 6807.4
- 散金: 1970
- 红花: 73
- 帖子: 2503
- 在线: 322.8小时
- 虫号: 2532744
- 注册: 2013-07-04
- 性别: GG
- 专业: 机械动力学

6楼2015-06-13 08:39:16
刘雪鹏
木虫 (小有名气)
- 应助: 2 (幼儿园)
- 金币: 3184.8
- 散金: 50
- 红花: 2
- 帖子: 235
- 在线: 10314.2小时
- 虫号: 1014225
- 注册: 2010-05-08
- 专业: 生理心理学
9楼2015-06-13 10:05:03
liuqh
铁杆木虫 (正式写手)
- 机械EPI: 1
- 应助: 155 (高中生)
- 贵宾: 0.263
- 金币: 8156.6
- 散金: 1307
- 红花: 16
- 沙发: 1
- 帖子: 495
- 在线: 1778.3小时
- 虫号: 107628
- 注册: 2005-11-17
- 性别: GG
2楼2015-06-12 21:25:45
3楼2015-06-12 21:53:29

4楼2015-06-13 02:30:46
7楼2015-06-13 09:04:28












回复此楼