| ²é¿´: 474 | »Ø¸´: 0 | |
13402985240гæ (³õÈëÎÄ̳)
|
[ÇóÖú]
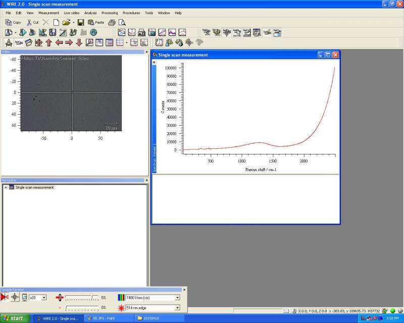
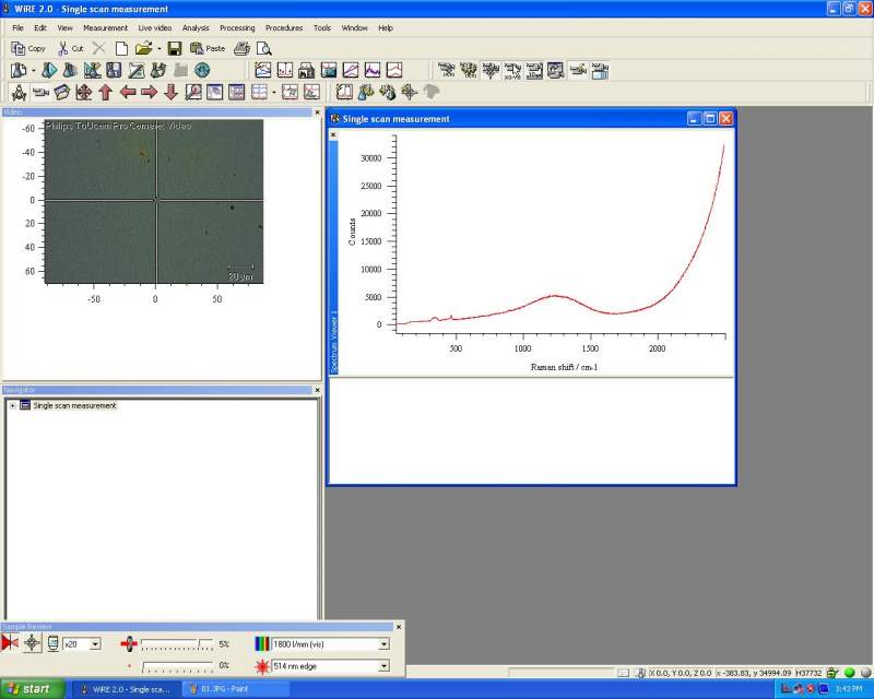
GaAs ×¢ÈëN ÀÂü¹âÆ×µÄ·ÖÎö ¼±Çó£¡
|
|
|
|
|
ÕÒµ½Ò»Ð©Ïà¹ØµÄ¾«»ªÌû×Ó£¬Ï£ÍûÓÐÓÃŶ~
¿ÆÑдÓСľ³æ¿ªÊ¼£¬ÈËÈËΪÎÒ£¬ÎÒΪÈËÈË
|














»Ø¸´´ËÂ¥
µã»÷ÕâÀïËÑË÷¸ü¶àÏà¹Ø×ÊÔ´