±±¾©Ê¯ÓÍ»¯¹¤Ñ§Ôº2026ÄêÑо¿ÉúÕÐÉú½ÓÊÕµ÷¼Á¹«¸æ
²é¿´: 1818  |  »Ø¸´: 1

qk0319

ľ³æ (³õÈëÎÄ̳)

[ÇóÖú] Ŧ¿Ûµç³Øµç»¯Ñ§·ÖÎö²âÊÔ½á¹ûµÄ½âÊÍ

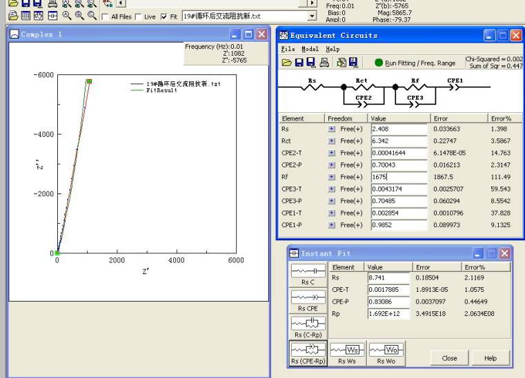
±¾ÈËÓÃʯī×éװŦ¿Ûµç³Ø£¬¾²ÖÃÒ»Ììºó£¬½øÐвâÊÔ¡£ÏÈ×öÒ»´Î½»Á÷×迹²âÊÔ£¬Íê³Éºó½øÐÐÑ­»··ü°²²âÊÔ£¬Ñ­»·ºóÔÙ½øÐн»Á÷×迹²âÊÔ¡£
Íê³Éºó£¬ÓÃoriginÈí¼þ¶ÔÑ­»·Ç°ºó½»Á÷×迹Êý¾Ý½øÐд¦Àí¡£½á¹ûÈçͼ£º
Ŧ¿Ûµç³Øµç»¯Ñ§·ÖÎö²âÊÔ½á¹ûµÄ½âÊÍ
ÓÃZview£¬½¨Á¢µÈЧµç·¶ÔÑ­»·Ç°ºóÊý¾Ý½øÐд¦ÀíÈçͼ:Ñ­»·Ç° Ŧ¿Ûµç³Øµç»¯Ñ§·ÖÎö²âÊÔ½á¹ûµÄ½âÊÍ-1
Ñ­»·ºó£º
Ŧ¿Ûµç³Øµç»¯Ñ§·ÖÎö²âÊÔ½á¹ûµÄ½âÊÍ-2
ÎÒµÄÎÊÌ⣺1.originͼÉÏ£ºÑ­»·Ç°ºó¸ßÆµÇøÔ²»¡°ë¾¶Ïà²îºÜÔ¶£¬µ«Í¨¹ýÈí¼þÄâºÏºóµÄÖµ£¨Rct)È´Ïà²î²»´ó¡£
2.Ñ­»·ºó£¬µÍÆµÇøµÄÖ±Ïß»¹ËãÆ½Ö±£¬µ«RfÈ´±ÈÑ­»·Ç°µÄ»¹´ó£¬RfµÄÎó²îÒ²ºÜ´ó¡£ÄâºÏµÃ½á¹ûºÍԭʼµÄÇúÏßÖØºÏ¶È»¹Ëã±È½ÏºÃ£¬µ«Îó²î±È½Ï´ó¡£¸üÓÐÒ»´Î£º
Ŧ¿Ûµç³Øµç»¯Ñ§·ÖÎö²âÊÔ½á¹ûµÄ½âÊÍ-3
Ôõô½âÊÍ
»Ø¸´´ËÂ¥

» ²ÂÄãϲ»¶

» ±¾Ö÷ÌâÏà¹ØÉ̼ÒÍÆ¼ö: (ÎÒÒ²ÒªÔÚÕâÀïÍÆ¹ã)

» ±¾Ö÷ÌâÏà¹Ø¼ÛÖµÌùÍÆ¼ö£¬¶ÔÄúͬÑùÓаïÖú:

ÒÑÔÄ   »Ø¸´´ËÂ¥   ¹Ø×¢TA ¸øTA·¢ÏûÏ¢ ËÍTAºì»¨ TAµÄ»ØÌû

qk0319

ľ³æ (³õÈëÎÄ̳)

»¹ÓÐ×é×°µÄîÜËáï®Å¦¿Ûµç³Ø£¬ÓÃoriginÈí¼þ¶ÔÑ­»··ü°²Êý¾Ý½øÐд¦Àí£¬ÓÃÑõ»¯·å£¬»¹Ô­·åÃæ»ý¼ÆËã¿âÂ×ЧÂÊ£¬È´³öÏÖ´óÓÚ100%µÄÇé¿ö.Ôõô½âÊÍ?
2Â¥2015-05-25 17:30:19
ÒÑÔÄ   »Ø¸´´ËÂ¥   ¹Ø×¢TA ¸øTA·¢ÏûÏ¢ ËÍTAºì»¨ TAµÄ»ØÌû
Ïà¹Ø°æ¿éÌø×ª ÎÒÒª¶©ÔÄÂ¥Ö÷ qk0319 µÄÖ÷Ìâ¸üÐÂ
×î¾ßÈËÆøÈÈÌûÍÆ¼ö [²é¿´È«²¿] ×÷Õß »Ø/¿´ ×îºó·¢±í
[¿¼ÑÐ] Çóµ÷¼Á +6 chenxrlkx 2026-04-05 6/300 2026-04-05 22:05 by imissbao
[¿¼ÑÐ] 266·Ö£¬Ò»Ö¾Ô¸µçÆø¹¤³Ì£¬±¾¿Æ²ÄÁÏ£¬Çó²ÄÁÏרҵµ÷¼Á +8 ÍÛºôºßºôºß 2026-04-02 9/450 2026-04-05 17:14 by lbsjt
[¿¼ÑÐ] »·¾³¿ÆÑ§Ó빤³Ì334·ÖÇóµ÷¼Á +9 ÍõÒ»Ò»ÒÀÒÀ 2026-03-30 12/600 2026-04-04 20:55 by dongzh2009
[¿¼ÑÐ] 081200-11408-276ѧ˶Çóµ÷¼Á +5 ´Þwj 2026-03-31 5/250 2026-04-04 19:45 by 1753564080
[¿¼ÑÐ] ÇóÉúÎïѧרҵµ÷¼Á-332·Ö +5 ÔÆ¶äåÞÍäÖ¸ÄÏ 2026-04-04 5/250 2026-04-04 10:05 by rzh123456
[¿¼ÑÐ] 357Çóµ÷¼Á +13 1050389037 2026-04-03 13/650 2026-04-03 22:27 by Î޼ʵIJÝÔ­
[¿¼ÑÐ] 266·Ö£¬Çó²ÄÁÏÏà¹Ø×¨Òµµ÷¼Á +13 ÍÛºôºßºôºß 2026-03-30 15/750 2026-04-03 15:24 by arrow8852
[¿¼ÑÐ] Çóµ÷¼Á +3 usbdndj 2026-04-03 3/150 2026-04-03 14:10 by dxiaoxin
[¿¼ÑÐ] 085501Ò»Ö¾Ô¸Ì칤´ó£¬»úеר˶Çóµ÷¼Á£¬¿ç²ÄÁÏ +3 33ÉÏ 2026-04-03 3/150 2026-04-03 14:08 by 1753564080
[¿¼ÑÐ] ÉúÎïѧÇóµ÷¼Á +3 15064154688 2026-04-03 3/150 2026-04-03 10:28 by macy2011
[¿¼ÑÐ] 325·Ö»¯Ñ§µ÷¼Á +5 15771691647 2026-04-02 5/250 2026-04-03 09:58 by ChemPharm
[¿¼ÑÐ] 326Çóµ÷¼Á +10 áÌáÌ×Ð 2026-04-02 10/500 2026-04-03 09:08 by ÅÁ¶ûÂíÀ­ÌØ
[¿¼ÑÐ] µ÷¼Á +3 osbbx 2026-04-02 3/150 2026-04-03 07:47 by cc8418
[¿¼ÑÐ] һ־Ըɽ¶«´óѧ£¬085600£¬344 +7 κ×Óper 2026-04-02 8/400 2026-04-02 21:12 by °ÙÁéͯ888
[¿¼ÑÐ] Ò»Ö¾Ô¸9³õÊÔ366 ±¾Ë«·ÇÇóµ÷¼Á +4 ÔËÆøÀ´µÃÈôÓÐËÆÎ 2026-04-02 4/200 2026-04-02 09:56 by guanxin1001
[¿¼ÑÐ] Çóµ÷¼Á£¬Ò»Ö¾Ô¸ÄϾ©Ê¦·¶´óѧ¼ÆËã»úר˶£¬³õÊÔ373£¬Áù¼¶Í¨¹ý£¬ +3 ¼ÆËã»ú×·ÃÎÈË 2026-04-01 3/150 2026-04-02 07:57 by fxue1114
[¿¼ÑÐ] ÉúÎïÓëÒ½Ò©¿¼Ñе÷¼Á +5 Ìúº©º©123425 2026-03-31 5/250 2026-04-01 18:01 by syh9288
[˶²©¼ÒÔ°] ²©Ò»±»ËͳöÁªÅà¸Ð¾õ²»ÊÊÓ¦Ôõô°ì +3 È«´åµÄ¹· 2026-03-31 3/150 2026-04-01 10:44 by 328838485
[¿¼ÑÐ] 318Çóµ÷¼Á +8 ÆßÒä77 2026-04-01 8/400 2026-04-01 10:37 by Jaylen.
[¿¼ÑÐ] Ò»Ö¾Ô¸´óÁ¬Àí¹¤´óѧ£¬»úе¹¤³Ìѧ˶£¬341 +3 Î÷¹ÏÌïµÄÊØÍûÕß 2026-03-30 3/150 2026-03-31 11:08 by asdfzly
ÐÅÏ¢Ìáʾ
ÇëÌî´¦ÀíÒâ¼û