| 查看: 1670 | 回复: 11 | |
| 当前只显示满足指定条件的回帖,点击这里查看本话题的所有回帖 | |
[求助]
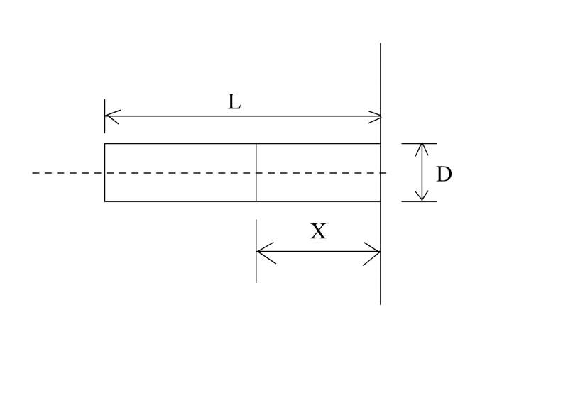
请教大虫,悬臂梁的由弯矩产生的内力怎么计算?已有4人参与
|
|
|
|
|
唯我独只能木虫 (小有名气)
|
|
![]() |
|
|
8楼2015-04-28 15:50:36
|
|
| 查看全部 12 个回答 | |
|
2楼2015-04-27 13:59:18
|
|
唯我独只能木虫 (小有名气)
|
|
![]() |
|
|
3楼2015-04-27 17:53:53
|
|
唯我独只能木虫 (小有名气)
|
|
![]() |
|
|
4楼2015-04-27 17:55:59
|
|














回复此楼
