| 查看: 812 | 回复: 3 | |||
haha猴子金虫 (小有名气)
|
[求助]
各位大侠看过来,关于限域纳米材料的问题已有1人参与
|
|
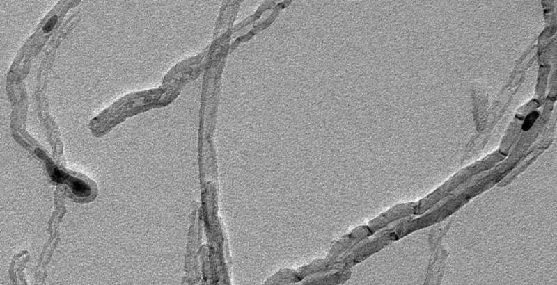
最近在做关于限域纳米材料的课题,其中有一部分就是,将碳纳米管里面填充活性组分(我做的是用8M硝酸处理过的碳纳米管孔道内填充Fe2O3),我看过包信和老师课题组的几篇文献,试着做了一下,做了一个TEM,负载量很少,而且呈柱状,不是像文章里面的图片那样均匀的纳米粒子分散,想问一下,有谁做出来过么?能否告知具体方法。万分感谢,期待各位的回复! 上图。。。。。 1.jpg 2.jpg |
» 猜你喜欢
中国地质大学(武汉)—国家级青年人才杨明教授组-招收博士-新能源材料化学及催化材料
已经有32人回复
求光催化产过氧化氢的PPT !!!毕业答辩需要
已经有1人回复
专业论文润色/翻译怎么收费?
已经有87人回复
求一个反应的产物
已经有6人回复
湖南大学招收锂离子电池、离子液体、高分子与凝胶材料、电催化方向博士生多名
已经有5人回复
关于五水硝酸铋还原得到单质铋的问题
已经有1人回复
» 本主题相关商家推荐: (我也要在这里推广)
» 本主题相关价值贴推荐,对您同样有帮助:
求助~关于马尔文纳米金粒径测定问题!!谢谢各位大侠
已经有36人回复
求教电子和中子的质量、波长如何计算
已经有4人回复
各位做qPCR的大侠看过来~~~~~~
已经有8人回复
懂原子吸收的各位大侠们~~~~~~~看过来
已经有10人回复
各位大侠请问碳材料中的Raman光谱峰中的2D峰
已经有19人回复
无机纳米金属氧化物的期刊选择IF 2-3左右
已经有6人回复
看看别人仅用VASP做DOS计算发好文章(两篇PRL)
已经有30人回复
求助各位大侠,关于画石墨烯碳纳米管三维结构软件
已经有14人回复
纳米介孔碳材料
已经有19人回复
【请教】Type II型的量子点壳核结构的技术优势
已经有6人回复
【求助】如何计算量子点的激子波尔半径【已搜索无重复】
已经有8人回复
guoxg701
荣誉版主 (职业作家)
-

专家经验: +634 - C-EPI: 2
- 应助: 501 (博士)
- 贵宾: 1.173
- 金币: 18806.2
- 散金: 422
- 红花: 75
- 帖子: 3192
- 在线: 490小时
- 虫号: 246112
- 注册: 2006-04-29
- 性别: GG
- 专业: 催化化学
- 管辖: 考研

2楼2015-04-02 11:23:21
haha猴子
金虫 (小有名气)
- 应助: 1 (幼儿园)
- 金币: 1589.1
- 红花: 1
- 帖子: 104
- 在线: 219.4小时
- 虫号: 2647414
- 注册: 2013-09-11
- 性别: GG
- 专业: 无机纳米化学
3楼2015-04-02 21:26:38
guoxg701
荣誉版主 (职业作家)
-

专家经验: +634 - C-EPI: 2
- 应助: 501 (博士)
- 贵宾: 1.173
- 金币: 18806.2
- 散金: 422
- 红花: 75
- 帖子: 3192
- 在线: 490小时
- 虫号: 246112
- 注册: 2006-04-29
- 性别: GG
- 专业: 催化化学
- 管辖: 考研

4楼2015-04-02 22:07:57













回复此楼
